电脑桌面
添加蜗牛文库到电脑桌面
安装后可以在桌面快捷访问

GB 16325-1996 干果食品卫生标准.pdfVIP免费

GB 16325-1996 干果食品卫生标准.pdf_第1页
GB 16325-1996 干果食品卫生标准.pdf_第2页
GB 16325-1996 干果食品卫生标准.pdf_第3页
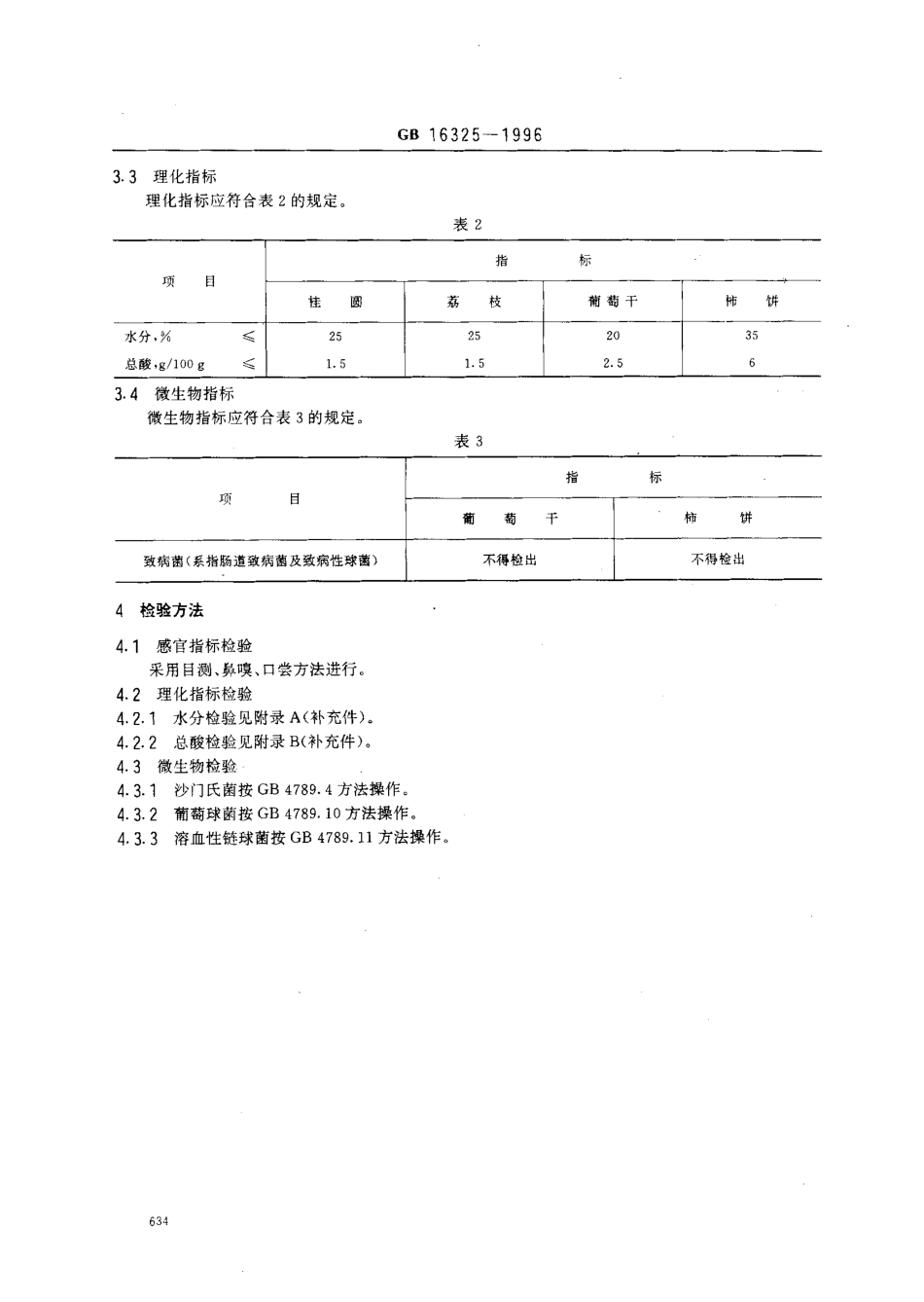
中华人民共和国国家标准干果食品卫生标准GB16325一1996Hygienicstandardfordriedfruits,主题内容与适用范围本标准规定了干果食品的卫生要求和试验方法。本标准适用于以新鲜桂圆、荔枝、葡萄、柿子为原料,经晾晒等干燥工艺加工制成的干果食品。2引用标准GB4789.4食品卫生微生物学检验沙门氏菌检验GB4789.10食品卫生微生物学检验葡萄球菌检验GB4789.11食品卫生微生物学检验溶血性链球菌检验3卫生要求3门原料要求采用新鲜的桂圆、荔枝、葡萄、柿子,完整无破损,无虫蛀、不霉烂。3.2感官指标感官指标应符合表1的规定表1标桂圆荔枝、葡萄干柿饼外观颗粒完整,外壳具有桂圆固有的色泽,无破损外壳完整,具有荔枝固有的色泽,无破损顺粒完整,无破损完整,不破裂,蒂贴肉而不翘色泽肉色呈黄亮棕色至深棕色,无虫蛀,无霉变果肉里棕色至深棕色,无虫蛀,无霉变呈黄绿色,红棕色或棕色,无虫蛀,无据变表层呈白色至灰白色霜,剖面呈桔红至棕褐色,无虫蛀,无霉变气昧及滋味具有本品固有的甜香.无异味,无焦苦味具有本品固有的甜酸味,无异味具有本品固有鲜醉甜味,略带酸味,无异味具有本品固有的甜香味,无异味,无涩味组织状态肉与核易剥离,组织紧密组织紧密质地柔软肉呈纤维状,紧密具有韧性中华人民共和国卫生部1996一06一19批准1996一09一01实施弓隽月GB16325一19963.3理化指标理化指标应符合表2的规定。表2项目指标佳圆荔枝葡萄干怖饼水分,%镇总酸,g/100g毛::::::3563.4微生物指标微生物指标应符合表3的规定。表3项目指标葡萄干柿讲致病菌(系指肠道致病菌及致病性球菌)不得检出不得检出4检验方法4.1感官指标检验采用目测、鼻嗅、口尝方法进行。4.2理化指标检验4.2.1水分检验见附录A(补充件)。4.2.2总酸检验见附录B(补充件)。4.3微生物检验4.3.1沙门氏菌按GB4789.4方法操作。4.3.2葡萄球菌按GB4789.10方法操作。4.3.3溶血性链球菌按GB4789.11方法操作GB16325一1996附录A干果(桂圆、荔枝、葡萄干、柿饼)中水分的测定(补充件)A1原理干果中的水分是指在95-98'C温度下直接干燥,所失去物质的总量。A2仪器A2.1恒温干燥箱。A2.2玻璃扁形称量器(05-7cmX3cm),操作方法1样品处理勺J几﹂AA取干果可食部分约50g,剪碎,混匀,置了广口瓶中保存。A3,2测定称取上述样品5.0g,于已经95^98℃干燥至恒温的称量皿中.加盖,精密称量后,置95^-98℃千燥箱中,皿盖斜支于皿边,干燥Zh,取出,盖好,放入千澡器内冷却0sh后称量,然后再干燥1b,取出于干燥器内冷却0.5h,称...

1、当您付费下载文档后,您只拥有了使用权限,并不意味着购买了版权,文档只能用于自身使用,不得用于其他商业用途(如 [转卖]进行直接盈利或[编辑后售卖]进行间接盈利)。
2、本站所有内容均由合作方或网友上传,本站不对文档的完整性、权威性及其观点立场正确性做任何保证或承诺!文档内容仅供研究参考,付费前请自行鉴别。
3、如文档内容存在违规,或者侵犯商业秘密、侵犯著作权等,请点击“违规举报”。

碎片内容

蜗牛文库的最新文档

二年级数学下册其中检测卷二年级数学下册其中检测卷附答案#期中测试卷.pdf
10.00金币
0下载
二年级数学下册期末质检卷(苏教版)二年级数学下册期末质检卷(苏教版)#期末复习 #期末测试卷 #二年级数学 #二年级数学下册#关注我持续更新小学知识.pdf
10.00金币
0下载
二年级数学下册期末混合运算专项练习二年级数学下册期末混合运算专项练习#二年级#二年级数学下册#关注我持续更新小学知识 #知识分享 #家长收藏孩子受益.pdf
10.00金币
1下载
二年级数学下册年月日三类周期问题解题方法二年级数学下册年月日三类周期问题解题方法#二年级#二年级数学下册#知识分享 #关注我持续更新小学知识 #家长收藏孩子受益.pdf
10.00金币
0下载
二年级数学下册解决问题专项训练二年级数学下册解决问题专项训练#专项训练#解决问题#二年级#二年级数学下册#知识分享.pdf
10.00金币
1下载
二年级数学下册还原问题二年级数学下册还原问题#二年级#二年级数学#关注我持续更新小学知识 #知识分享 #家长收藏孩子受益.pdf
10.00金币
1下载
二年级数学下册第六单元考试卷家长打印出来给孩子测试测试争取拿到高分!#小学二年级试卷分享 #二年级第六单考试数学 #第六单考试#二年级数学下册.pdf
10.00金币
0下载
二年级数学下册必背顺口溜口诀汇总二年级数学下册必背顺口溜口诀汇总#二年级#二年级数学下册 #知识分享 #家长收藏孩子受益 #关注我持续更新小学知识.pdf
10.00金币
0下载
二年级数学下册《重点难点思维题》两大问题解决技巧和方法巧算星期几解决周期问题还原问题强化思维训练老师精心整理家长可以打印出来给孩子练习#家长收藏孩子受益 #学霸秘籍 #思维训练 #二年级 #知识点总结.pdf
10.00金币
0下载
二年级数学下册 必背公式大全寒假提前背一背开学更轻松#二年级 #二年级数学 #二年级数学下册 #寒假充电计划 #公式.pdf
10.00金币
0下载
蜗牛文库+ 关注
实名认证
内容提供者

提供各种专业文档内容

确认删除?
QQ
  • QQ点击这里给我发消息
微信客服
  • 微信客服
回到顶部