电脑桌面
添加蜗牛文库到电脑桌面
安装后可以在桌面快捷访问

GBT 17998-1999 SPF鸡 微生物学监测总则.pdfVIP免费

GBT 17998-1999 SPF鸡 微生物学监测总则.pdf_第1页
GBT 17998-1999 SPF鸡 微生物学监测总则.pdf_第2页
GBT 17998-1999 SPF鸡 微生物学监测总则.pdf_第3页
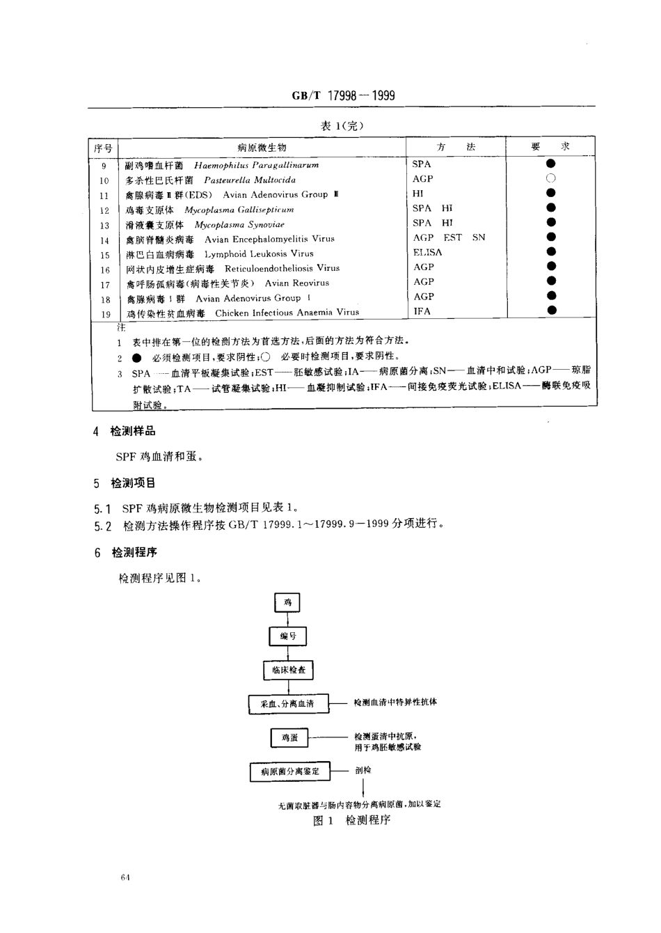
cs/T17998一1999前言本标准是参照美国、日本、澳人利亚等发达国家的SPF鸡微生物学监测标准,并结合我国鸡病实际流行情况编制的,以使我国的SPF鸡微生物学质量控制尽可能与国际接轨,尽快满足SPF鸡(蛋、及其产品、技术、科研成果的国际间交流本标准规定我国SPF鸡应排除19种病原微生物的感染,与国外有关标准相比,增加了多杀性巴氏杆菌的监测,使其符合我国国情,更具可行性。SPFX鸟微生物学质量控制国家系列标准,包括SPF鸡微生物学监测总则和9种SPF鸡微生物学检测方法等]10个部分本标准为((SPF鸡微生物学监测总则》。本标准由中华人民共和国农业部、国家科学技术部提出。本标准由农业部畜牧兽医司归口。本标准起草单位:农业部实验动物研究中心、中国兽药监察所、山东省农业科学院家禽研究所.本标准主要起草人:陈德威、赵立红、黄进、张学琴、张秀美。中华人民共和国国家标准SPF鸡微生物学监测总则GB/'r17998一1999SPFchicken一Generalprinciplesofmicrobiologicalmonitoring1范围本标准规定了判定和检测报告等本标准适用于SPF鸡的微生物学监测总则,包括检测样品、检测项目、检测程序、检测规则、结果SPF鸡和SPF鸡蛋病原微生物感染的监测。2引用标准下列标准所包含的条文,通过在本标准中引用而构成为本标准的条文。本标准出版时,所示版本均为有效。所有标准都会被修订,使用本标准的各方应探讨使用下列标准最新版本的可能性。GB/T17999.1-1999SPF鸡红细胞凝集抑制试验(;B/'T17999.2一1999SPF鸡血清中和试验GB/T17999.3-1999SPF鸡血清平板凝集试验GB/T17999.4--1999SPF鸡琼脂扩散试验GB/T17999.5-1999SPF鸡酶联免疫吸附试验G“/丁17999.6一1999SPF7鸟胚敏感试验GB/T17999.7-1999SPF鸡鸡白痢沙门氏菌检验GB/T17999.8-1999SPIT鸡试管凝集试验(;B/"117999.9-1999SPF鸡间接免疫荧光试验3定义木标准采用下列定义SPF鸡(无特定病原体鸡)specialpathogenfreechicken在严格控制饲养条件「,经检测应符合本标准规定的微生物学监测要求的鸡(见表1)0表1SPF鸡病原微生物监测项目序号病原微生物要求..……认川sN翎洲z}t51}1Ybf7FE})su}}n}>}eaaPuu}>,Am0'1hiFfAA044E(At)AvianInfluenzaVirus

1、当您付费下载文档后,您只拥有了使用权限,并不意味着购买了版权,文档只能用于自身使用,不得用于其他商业用途(如 [转卖]进行直接盈利或[编辑后售卖]进行间接盈利)。
2、本站所有内容均由合作方或网友上传,本站不对文档的完整性、权威性及其观点立场正确性做任何保证或承诺!文档内容仅供研究参考,付费前请自行鉴别。
3、如文档内容存在违规,或者侵犯商业秘密、侵犯著作权等,请点击“违规举报”。

碎片内容

蜗牛文库的最新文档

二年级数学下册其中检测卷二年级数学下册其中检测卷附答案#期中测试卷.pdf
10.00金币
0下载
二年级数学下册期末质检卷(苏教版)二年级数学下册期末质检卷(苏教版)#期末复习 #期末测试卷 #二年级数学 #二年级数学下册#关注我持续更新小学知识.pdf
10.00金币
0下载
二年级数学下册期末混合运算专项练习二年级数学下册期末混合运算专项练习#二年级#二年级数学下册#关注我持续更新小学知识 #知识分享 #家长收藏孩子受益.pdf
10.00金币
1下载
二年级数学下册年月日三类周期问题解题方法二年级数学下册年月日三类周期问题解题方法#二年级#二年级数学下册#知识分享 #关注我持续更新小学知识 #家长收藏孩子受益.pdf
10.00金币
0下载
二年级数学下册解决问题专项训练二年级数学下册解决问题专项训练#专项训练#解决问题#二年级#二年级数学下册#知识分享.pdf
10.00金币
1下载
二年级数学下册还原问题二年级数学下册还原问题#二年级#二年级数学#关注我持续更新小学知识 #知识分享 #家长收藏孩子受益.pdf
10.00金币
1下载
二年级数学下册第六单元考试卷家长打印出来给孩子测试测试争取拿到高分!#小学二年级试卷分享 #二年级第六单考试数学 #第六单考试#二年级数学下册.pdf
10.00金币
0下载
二年级数学下册必背顺口溜口诀汇总二年级数学下册必背顺口溜口诀汇总#二年级#二年级数学下册 #知识分享 #家长收藏孩子受益 #关注我持续更新小学知识.pdf
10.00金币
0下载
二年级数学下册《重点难点思维题》两大问题解决技巧和方法巧算星期几解决周期问题还原问题强化思维训练老师精心整理家长可以打印出来给孩子练习#家长收藏孩子受益 #学霸秘籍 #思维训练 #二年级 #知识点总结.pdf
10.00金币
0下载
二年级数学下册 必背公式大全寒假提前背一背开学更轻松#二年级 #二年级数学 #二年级数学下册 #寒假充电计划 #公式.pdf
10.00金币
0下载
蜗牛文库+ 关注
实名认证
内容提供者

提供各种专业文档内容

确认删除?
QQ
  • QQ点击这里给我发消息
微信客服
  • 微信客服