电脑桌面
添加蜗牛文库到电脑桌面
安装后可以在桌面快捷访问

GB 16321-1996 乳酸菌饮料卫生标准.pdfVIP免费

GB 16321-1996 乳酸菌饮料卫生标准.pdf_第1页
GB 16321-1996 乳酸菌饮料卫生标准.pdf_第2页
GB 16321-1996 乳酸菌饮料卫生标准.pdf_第3页
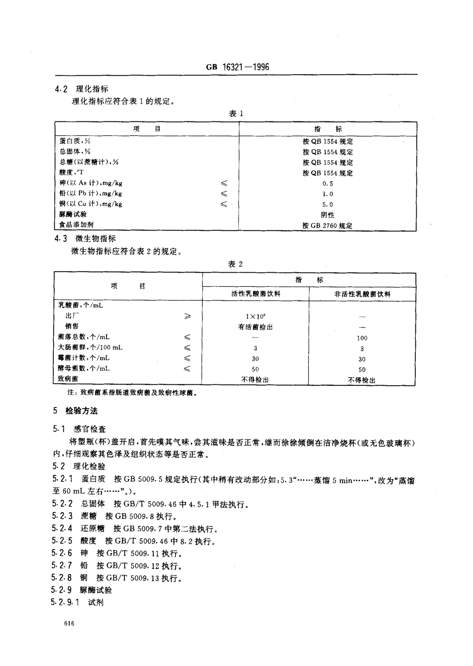
中华人民共和国国家标准乳酸菌饮料卫生标准GB16321一1996Hygienicstandardforyoghurtbeverage1主趣内容与适用范围本标准规定了乳酸菌饮料的分类、卫生要求、检验方法、运输、贮存等。本标准适用于以鲜乳、乳粉或辅以大豆等为原料,经嗜热链球菌或保加利亚乳酸杆菌发酵加工制成的具有相应风味的活性或非活性乳酸菌饮料。2引用标准食品添加剂使用卫生标准食品卫生微生物学检验菌落总数测定食品卫生微生物学检验大肠菌群测定食品卫生微生物学检验沙门氏菌检验食品卫生微生物学检验志贺氏菌检验食品卫生微生物学检验葡萄球菌检验食品卫生微生物学检验溶血性链球菌检验食品卫生微生物学检验霉菌和酵母菌总数测定食品中蛋白质的测定方法食品中还原搪的测定方法食品中蔗糖的测定方法234510115578GB2760GB4789.GB4789.GB4789.GB4789.GB4789.GB4789.GB4789.GB5009.GB5009.GB5009.GB/T5009.11食品中总砷的测定方法GB/T5009.12食品中铅的测定方法GB/T5009.13食品中铜的测定方法GB/T5009.46乳与乳制品卫生标准的分析方法GB/T16347乳酸菌饮料中乳酸菌的微生物学检验QB1554-92乳酸菌饮料3分类3门活性乳酸菌饮料:产品经乳酸菌发酵后不再杀菌制成的产品。3.2非活性乳酸菌饮料:产品经乳酸菌发酵后再经杀菌制成的产品。4卫生要求4.,感官指标4.1.14.1.24.1.3色泽:呈均匀一致的乳白色,稍带微黄色或相应的果类色泽。滋味和气味:口感细腻、甜度适中、酸而不涩,具有该乳酸菌饮料应有的滋味和气味,无异味。燮竺堕:}5缪Pt*H,均匀一致不分层,允许有少量沉淀,无气泡、无异物。中华人民共和国卫生部1996一06一19批准1996一09一01实施GB16321-19964.2理化指标理化指标应符合表1的规定。表1项目蛋白质,%总固体,%总糖(以蔗搪计).%酸度,T砷(6;lAs计),mg/kg铅(以Pb计),mg/kg铜(以Cu计),mg/kg脉酶试验食品添加剂按QB按QB1554规定1554规定1554规定1554规定按GB2760规定4.3微生物指标微生物指标应符合表2的规定表2项目指标活性乳酸菌饮料非活性乳酸菌饮料乳酸菌,个/mL出厂)销售菌落总数,个/.L大肠菌群,个/100mL镇舞菌计数,个/.L毛醉母菌数,个/.L(致病菌1X10"有活菌检出330SO不得检出10033050不得检出注:致病菌系指肠道致病菌及致病性球菌。5检验方法5.1感官检查将塑瓶(杯)盖开启,首先嗅其气味,尝其滋味是否正常,继而徐徐倾倒在洁净烧杯(或无色玻璃杯)内,仔细观察其色泽及组织状态等是否正常。5.2理化检验5.2.1蛋白质按GB5009.5规定执行(其中稍有改动部分如:5.3"...,"...

1、当您付费下载文档后,您只拥有了使用权限,并不意味着购买了版权,文档只能用于自身使用,不得用于其他商业用途(如 [转卖]进行直接盈利或[编辑后售卖]进行间接盈利)。
2、本站所有内容均由合作方或网友上传,本站不对文档的完整性、权威性及其观点立场正确性做任何保证或承诺!文档内容仅供研究参考,付费前请自行鉴别。
3、如文档内容存在违规,或者侵犯商业秘密、侵犯著作权等,请点击“违规举报”。

碎片内容

蜗牛文库的最新文档

二年级数学下册其中检测卷二年级数学下册其中检测卷附答案#期中测试卷.pdf
10.00金币
0下载
二年级数学下册期末质检卷(苏教版)二年级数学下册期末质检卷(苏教版)#期末复习 #期末测试卷 #二年级数学 #二年级数学下册#关注我持续更新小学知识.pdf
10.00金币
0下载
二年级数学下册期末混合运算专项练习二年级数学下册期末混合运算专项练习#二年级#二年级数学下册#关注我持续更新小学知识 #知识分享 #家长收藏孩子受益.pdf
10.00金币
1下载
二年级数学下册年月日三类周期问题解题方法二年级数学下册年月日三类周期问题解题方法#二年级#二年级数学下册#知识分享 #关注我持续更新小学知识 #家长收藏孩子受益.pdf
10.00金币
0下载
二年级数学下册解决问题专项训练二年级数学下册解决问题专项训练#专项训练#解决问题#二年级#二年级数学下册#知识分享.pdf
10.00金币
1下载
二年级数学下册还原问题二年级数学下册还原问题#二年级#二年级数学#关注我持续更新小学知识 #知识分享 #家长收藏孩子受益.pdf
10.00金币
1下载
二年级数学下册第六单元考试卷家长打印出来给孩子测试测试争取拿到高分!#小学二年级试卷分享 #二年级第六单考试数学 #第六单考试#二年级数学下册.pdf
10.00金币
0下载
二年级数学下册必背顺口溜口诀汇总二年级数学下册必背顺口溜口诀汇总#二年级#二年级数学下册 #知识分享 #家长收藏孩子受益 #关注我持续更新小学知识.pdf
10.00金币
0下载
二年级数学下册《重点难点思维题》两大问题解决技巧和方法巧算星期几解决周期问题还原问题强化思维训练老师精心整理家长可以打印出来给孩子练习#家长收藏孩子受益 #学霸秘籍 #思维训练 #二年级 #知识点总结.pdf
10.00金币
0下载
二年级数学下册 必背公式大全寒假提前背一背开学更轻松#二年级 #二年级数学 #二年级数学下册 #寒假充电计划 #公式.pdf
10.00金币
0下载
蜗牛文库+ 关注
实名认证
内容提供者

提供各种专业文档内容

确认删除?
QQ
  • QQ点击这里给我发消息
微信客服
  • 微信客服
回到顶部