电脑桌面
添加蜗牛文库到电脑桌面
安装后可以在桌面快捷访问

GBT 16871-1997 梭鱼亲鱼和鱼种.pdfVIP免费

GBT 16871-1997 梭鱼亲鱼和鱼种.pdf_第1页
GBT 16871-1997 梭鱼亲鱼和鱼种.pdf_第2页
GBT 16871-1997 梭鱼亲鱼和鱼种.pdf_第3页
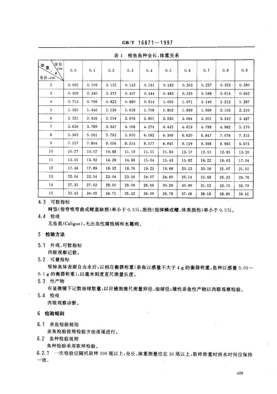
Gs/T16871一1997前言本标准为首次制定。本标准规定的梭鱼亲鱼和鱼种质量要求,主要依据多年来国内外科研成果、生产实践及实际检测数据本标准由中华人民共和国农业部提出。本标准由全国水产标准化技术委员会海水养殖分技术委员会归口。本标准由山东省海水养殖研究所负责起草。本标准主要起草人:庄虔增、孙光、于鸿仙。本标准委托全国水产标准化技术委员会海水养殖分技术委员会负责解释。中华人民共和国国家标准GB/T16871一1997梭鱼亲鱼和鱼种Mulletstandardforparentfishandfingerling1范围本标准规定了梭鱼(LizahaimatxheilaT.etS.)亲鱼和鱼种质量要求、检验方法、检验规则和运输要求。本标准适用于梭鱼亲鱼选择、人工繁殖、育苗、鱼种销售和增、养殖。2引用标准下列标准所包含的条文,通过在本标准中引用而构成为本标准的条文。本标准出版时,所示版本均为有效。所有标准都会被修订,使用本标准的各方应探讨使用下列标准最新版本的可能性。GB11607-89渔业水质标准3亲鱼质f要求3.1外观3.1.1雌雄亲鱼必须体质健壮,体型正常,反应灵敏,鳍条、鳞被完整。3.1.2用于催产的雌性亲鱼腹部膨大、柔软、富有弹性,腹部向上时有明显的腹中线,生殖孔开放。3.2可量指标雄鱼体长295mm以上,体重350g以上;雌鱼体长400mm以上,体重625g以上。3.3性产物用于催产的雌性亲鱼卵子之间粘连松弛,卵径。50^-0.69mm,半透明,卵子中间看不见核,卵子内有8-10个较大油球,油球径0.12^-0.20mm;雄性亲鱼在轻挤腹部时,有乳白色精液流出,遇咸水即散。3.4检疫无鱼虱(Caligus),无出血性腐败病和水霉病。4鱼种质f要求4.1外观4.1.1体型正常,鳍条、鳞被完整。4.1.2体表光滑,色泽正常,游动活泼。4.2可量指标各种规格(全长)的鱼种重量应不低于表1数值。国家技术监督局1997一06-16批准1998一01一01实施Gs/'r16871一1997表1梭鱼鱼种全长、体重关系发0.00.10.20.30.40.50.60.70.80.920.0950.1090.1250.1420.1610.1820.2030.2270.252,0.28030.3090.3400.3720.4070.4440.4830.5250.5680.6140.66240.7130.7660.8220.8800.9141.0051.0711.1401.2121.28751.3651.4461.5301.6181.7081.8021.8991.9992.1032.21062.3212.4362.5542.6762.8012.9303.0643.2013.3423.48773.6363.7893.9474.1084.2744.4454.6194.7994.9825.17085.3635.5615.7635.9706.1826.3996.6206.8477.0787.31597.5577.8048.0568.3148.5778.9459.1199.3989.6839.9731010.2710.5710.8811.1911.5111.8412.1712.5112.8513.20...

1、当您付费下载文档后,您只拥有了使用权限,并不意味着购买了版权,文档只能用于自身使用,不得用于其他商业用途(如 [转卖]进行直接盈利或[编辑后售卖]进行间接盈利)。
2、本站所有内容均由合作方或网友上传,本站不对文档的完整性、权威性及其观点立场正确性做任何保证或承诺!文档内容仅供研究参考,付费前请自行鉴别。
3、如文档内容存在违规,或者侵犯商业秘密、侵犯著作权等,请点击“违规举报”。

碎片内容

蜗牛文库的最新文档

二年级数学下册其中检测卷二年级数学下册其中检测卷附答案#期中测试卷.pdf
10.00金币
0下载
二年级数学下册期末质检卷(苏教版)二年级数学下册期末质检卷(苏教版)#期末复习 #期末测试卷 #二年级数学 #二年级数学下册#关注我持续更新小学知识.pdf
10.00金币
0下载
二年级数学下册期末混合运算专项练习二年级数学下册期末混合运算专项练习#二年级#二年级数学下册#关注我持续更新小学知识 #知识分享 #家长收藏孩子受益.pdf
10.00金币
1下载
二年级数学下册年月日三类周期问题解题方法二年级数学下册年月日三类周期问题解题方法#二年级#二年级数学下册#知识分享 #关注我持续更新小学知识 #家长收藏孩子受益.pdf
10.00金币
0下载
二年级数学下册解决问题专项训练二年级数学下册解决问题专项训练#专项训练#解决问题#二年级#二年级数学下册#知识分享.pdf
10.00金币
1下载
二年级数学下册还原问题二年级数学下册还原问题#二年级#二年级数学#关注我持续更新小学知识 #知识分享 #家长收藏孩子受益.pdf
10.00金币
1下载
二年级数学下册第六单元考试卷家长打印出来给孩子测试测试争取拿到高分!#小学二年级试卷分享 #二年级第六单考试数学 #第六单考试#二年级数学下册.pdf
10.00金币
0下载
二年级数学下册必背顺口溜口诀汇总二年级数学下册必背顺口溜口诀汇总#二年级#二年级数学下册 #知识分享 #家长收藏孩子受益 #关注我持续更新小学知识.pdf
10.00金币
0下载
二年级数学下册《重点难点思维题》两大问题解决技巧和方法巧算星期几解决周期问题还原问题强化思维训练老师精心整理家长可以打印出来给孩子练习#家长收藏孩子受益 #学霸秘籍 #思维训练 #二年级 #知识点总结.pdf
10.00金币
0下载
二年级数学下册 必背公式大全寒假提前背一背开学更轻松#二年级 #二年级数学 #二年级数学下册 #寒假充电计划 #公式.pdf
10.00金币
0下载
蜗牛文库+ 关注
实名认证
内容提供者

提供各种专业文档内容

确认删除?
QQ
  • QQ点击这里给我发消息
微信客服
  • 微信客服
回到顶部