电脑桌面
添加蜗牛文库到电脑桌面
安装后可以在桌面快捷访问

GBT 16765-1997 颗粒饲料通用技术条件.pdfVIP免费

GBT 16765-1997 颗粒饲料通用技术条件.pdf_第1页
GBT 16765-1997 颗粒饲料通用技术条件.pdf_第2页
GBT 16765-1997 颗粒饲料通用技术条件.pdf_第3页
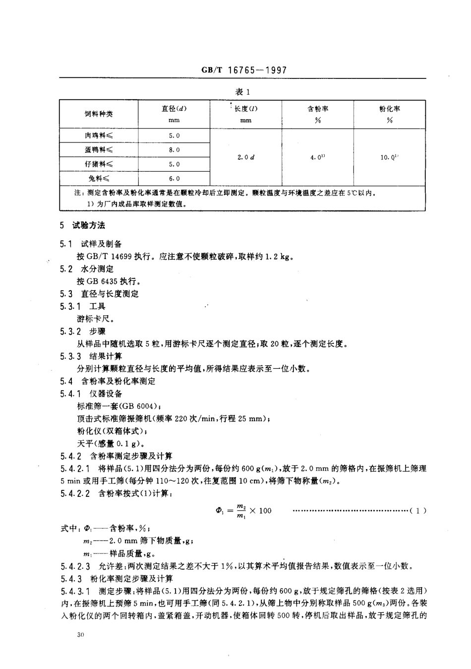
Gs/T16765一1997前言颗粒饲料通用技术条件是评价畜禽颗粒饲料加工质量的依据,它不仅可以反映颗粒的物理质量,还可评价制粒系统工作的优劣。本标准中粉化率测定方法采用了美国农业工程学会标准ASAES269.4((饼块饲料、颗粒饲料和碎粒饲料的定义及其比重、耐久性和含水量的测定方法》中S.2的规定。本标准由中华人民共和国国内贸易部提出。本标准由全国饲料工业标准化技术委员会归口。本标准起草单位:无锡轻工大学、北京市饲料研究所。本标准主要起草人:盛亚白、程宏典、谢正军、盛红。中华人民共和国国家标准GB/T16765一1997颗粒饲料通用技术条件Generalspecificationforfeedpellets1范围本标准规定了肉鸡、蛋鸭、仔猪、兔顺粒饲料加工质量的主要指标。本标准适用于加工、销售的肉鸡、蛋鸭、仔猪、兔颗粒饲料。2引用标准下列标准所包含的条文,通过在本标准中引用而构成为本标准的条文。本标准出版时,所示版本均为有效。所有标准都会被修订,使用本标准的各方应探讨使用下列标准最新版本的可能性。GB/T6004-85试验筛用金属丝编织方孔网GB6435-86饲料水分的测定方法GB10647-89饲料工业通用术语GB10648--93饲料标签GB13078-91饲料卫生标准GB/T14699.1-93饲料采样方法3定义本标准采用下列定义。3.1含粉率颗粒饲料中所含粉料(2.0mm筛下物)质量占其总质量的百分比。3.2粉化率见GB10647,4技术要求4.1感官性状颗粒色泽均匀,无发霉变质及异嗅。4.2水分按相应的配合饲料标准执行。4.3加工指标(见表1)4.4卫生指标按GB13078规定执行。国家技术监奋局1997一03一31批准1997一10一01实施GB/T16765一1997表1饲料种类直径(d)nlni’长度(1)mm含粉率%粉化率%肉鸡料镇5.02.0d4.0"10.Q"蛋鸭料簇8.0仔猪料(5.0兔料(6.0注测定含粉率及粉化率通常是在顺粒冷却后立即测定。颗粒温度与环境温度之差应在5℃以内.1)为厂内成品库取样测定数值。5试验方法5.1试样及制备按GB/T14699执行。应注意不使颗粒破碎,取样约1.2kg,5.2水分测定按GB6435执行。5.3直径与长度测定5.3.1工具游标卡尺。5.3.2步骤从样品中随机选取5粒,用游标卡尺逐个测定直径;取20粒,逐个测定长度。5.3.3结果计算分别计算颗粒直径与长度的平均值,所得结果应表示至一位小数。5.4含粉率及粉化率测定5.4.1仪器设备标准筛一套(GB6004);顶击式标准筛振筛机(频率220次/min,行程25mm);粉化仪(双箱体式);天平(感量0.1g),5.4.2含粉率测定步骤及计算5.4.2.1将样品(5.1)用四分法分为两份,每份约600g(m),放于2.0mm的筛...

1、当您付费下载文档后,您只拥有了使用权限,并不意味着购买了版权,文档只能用于自身使用,不得用于其他商业用途(如 [转卖]进行直接盈利或[编辑后售卖]进行间接盈利)。
2、本站所有内容均由合作方或网友上传,本站不对文档的完整性、权威性及其观点立场正确性做任何保证或承诺!文档内容仅供研究参考,付费前请自行鉴别。
3、如文档内容存在违规,或者侵犯商业秘密、侵犯著作权等,请点击“违规举报”。

碎片内容

蜗牛文库的最新文档

二年级数学下册其中检测卷二年级数学下册其中检测卷附答案#期中测试卷.pdf
10.00金币
0下载
二年级数学下册期末质检卷(苏教版)二年级数学下册期末质检卷(苏教版)#期末复习 #期末测试卷 #二年级数学 #二年级数学下册#关注我持续更新小学知识.pdf
10.00金币
0下载
二年级数学下册期末混合运算专项练习二年级数学下册期末混合运算专项练习#二年级#二年级数学下册#关注我持续更新小学知识 #知识分享 #家长收藏孩子受益.pdf
10.00金币
1下载
二年级数学下册年月日三类周期问题解题方法二年级数学下册年月日三类周期问题解题方法#二年级#二年级数学下册#知识分享 #关注我持续更新小学知识 #家长收藏孩子受益.pdf
10.00金币
0下载
二年级数学下册解决问题专项训练二年级数学下册解决问题专项训练#专项训练#解决问题#二年级#二年级数学下册#知识分享.pdf
10.00金币
1下载
二年级数学下册还原问题二年级数学下册还原问题#二年级#二年级数学#关注我持续更新小学知识 #知识分享 #家长收藏孩子受益.pdf
10.00金币
1下载
二年级数学下册第六单元考试卷家长打印出来给孩子测试测试争取拿到高分!#小学二年级试卷分享 #二年级第六单考试数学 #第六单考试#二年级数学下册.pdf
10.00金币
0下载
二年级数学下册必背顺口溜口诀汇总二年级数学下册必背顺口溜口诀汇总#二年级#二年级数学下册 #知识分享 #家长收藏孩子受益 #关注我持续更新小学知识.pdf
10.00金币
0下载
二年级数学下册《重点难点思维题》两大问题解决技巧和方法巧算星期几解决周期问题还原问题强化思维训练老师精心整理家长可以打印出来给孩子练习#家长收藏孩子受益 #学霸秘籍 #思维训练 #二年级 #知识点总结.pdf
10.00金币
0下载
二年级数学下册 必背公式大全寒假提前背一背开学更轻松#二年级 #二年级数学 #二年级数学下册 #寒假充电计划 #公式.pdf
10.00金币
0下载
蜗牛文库+ 关注
实名认证
内容提供者

提供各种专业文档内容

确认删除?
QQ
  • QQ点击这里给我发消息
微信客服
  • 微信客服
回到顶部