电脑桌面
添加蜗牛文库到电脑桌面
安装后可以在桌面快捷访问

GB 14554-1993 恶臭污染物排放标准.pdfVIP免费

GB 14554-1993 恶臭污染物排放标准.pdf_第1页
GB 14554-1993 恶臭污染物排放标准.pdf_第2页
GB 14554-1993 恶臭污染物排放标准.pdf_第3页
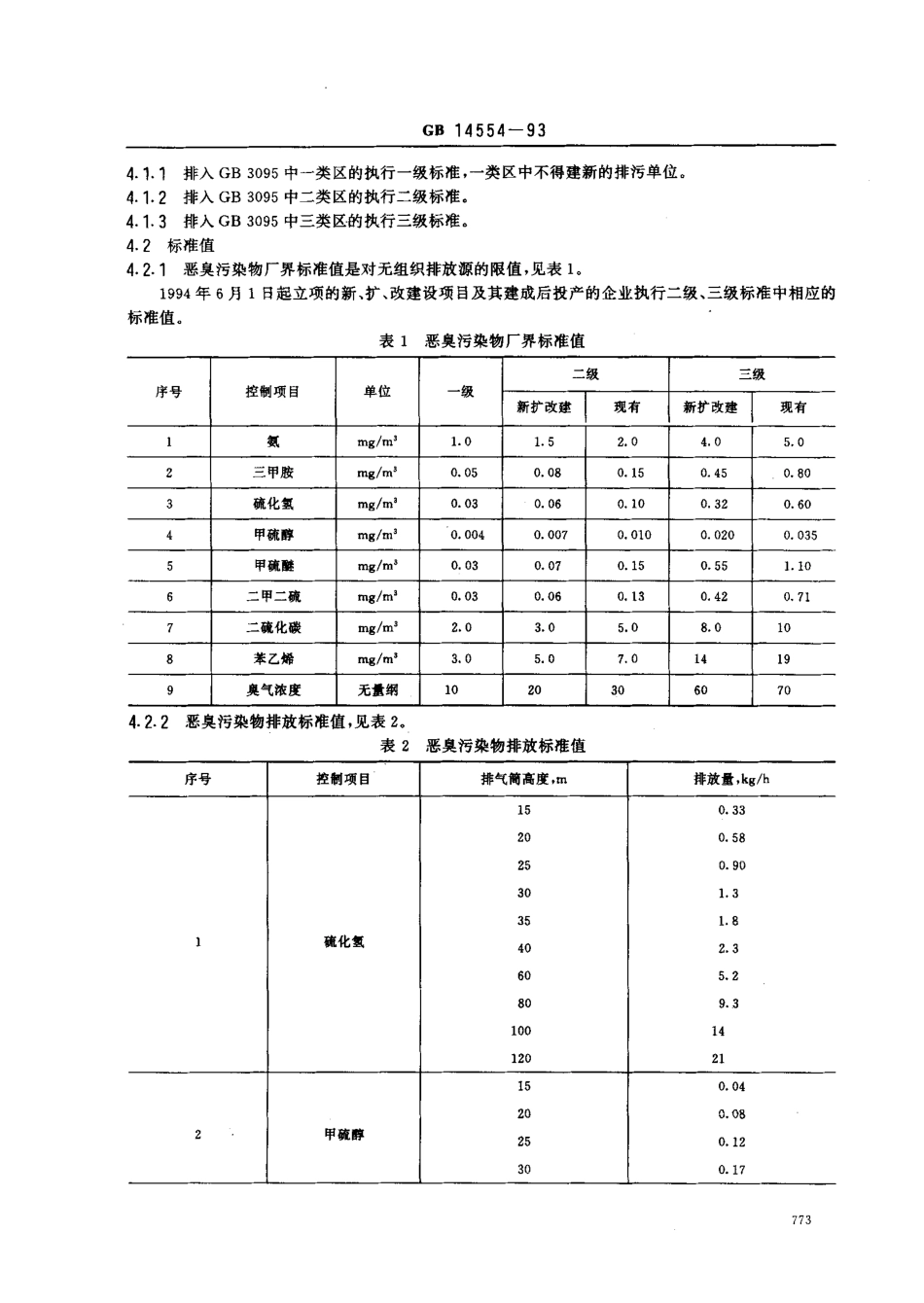
中华人民共和国国家标准14554一93GB储恶臭污染物排放标准GBJ4-730Emissionstandardsforodorpollutants为贯彻《中华人民共和国大气污染防治法》,控制恶臭污染物对大气的污染,保护和改善环境,制定本标准。1主肠内容与适用范围1.,主题内容本标准分年限规定了八种恶臭污染物的一次最大排放限值复合恶臭物质的臭气浓度限值及无组织排放源的厂界浓度限值。1.2适用范围本标准适用于全国所有向大气排放恶臭气体单位及垃圾堆放场的排放管理以及建设项目的环境影响评价、设计、竣工验收及其建成后的排放管理。2引用标准GB3095大气环境质量标准GB12348工业企业厂界噪声标准GB/T14675空气质量恶臭的测定三点比较式臭袋法GB/T14676空气质量三甲胺的测定气相色谱法GB/T14677空气质量甲苯、二甲笨、苯乙姗的测定气相色谱法GB/T14678空气质量硫化氢、甲硫醇、甲硫醚、二甲二硫的测定气相色谱法GB/T14679空气质量氨的侧定次抓酸钠一水杨酸分光光度法GB/T1468。空气质量二硫化碳的浏定二乙胺分光光度法3名词术语3.1恶臭污染物odorpollutants指一切刺激嗅觉器官引起人们不愉快及损害生活环境的气体物质。3.2臭气浓度odorconcentration指恶臭气体(包括异味)用无臭空气进行稀释,稀释到刚好无臭时,所需的稀释倍数。3.3无组织排放派指没有排气筒或排气筒高度低于15m的排放源。4技术内容4.1标准分级本标准恶臭污染物厂界标准值分三级。注:1)本标准代替GBJ4-73中硫化鱼、二硫化碳指标部分.国家环境保护局,993一07一19批准1994一01一15实施GB14554一934.1.1排人GB3095中一类区的执行一级标准,一类区中不得建新的排污单位。4.1.2排入GB3095中二类区的执行二级标准。4.1.3排入GB3095中三类区的执行三级标准。4.2标准值4.2.1恶臭污染物厂界标准值是对无组织排放源的限值,见表1,1994年6月1日起立项的新、扩、改建设项目及其建成后投产的企业执行二级、三级标准中相应的标准值。表1恶臭污染物厂界标准值序号控制项目单位一级二级三级新扩改建现有新扩改建现有1氨mg/m'1.01.52.04.05.02三甲胺mg/m'0.050.080.150.450.803硫化氢mg/m'0.030.060.100.320.604甲硫醉mg/m'0.0040.0070.0100.0200.0355甲硫醚mg/ms0.030.070.150.551.106二甲二硫mg/m'0.030.060.130.420.717二硫化碳mg/m'2.03.05.08.0108苯乙烯mg/m'3.05.07.014199奥气浓度无盆纲10203060704.2.2恶臭污染物排放标准值,见表2。表z恶臭污染物排放标准值序号控制项目排气筒高度,m排放量,kg/h1硫化氢1520253035406080...

1、当您付费下载文档后,您只拥有了使用权限,并不意味着购买了版权,文档只能用于自身使用,不得用于其他商业用途(如 [转卖]进行直接盈利或[编辑后售卖]进行间接盈利)。
2、本站所有内容均由合作方或网友上传,本站不对文档的完整性、权威性及其观点立场正确性做任何保证或承诺!文档内容仅供研究参考,付费前请自行鉴别。
3、如文档内容存在违规,或者侵犯商业秘密、侵犯著作权等,请点击“违规举报”。

碎片内容

蜗牛文库的最新文档

二年级数学下册其中检测卷二年级数学下册其中检测卷附答案#期中测试卷.pdf
10.00金币
0下载
二年级数学下册期末质检卷(苏教版)二年级数学下册期末质检卷(苏教版)#期末复习 #期末测试卷 #二年级数学 #二年级数学下册#关注我持续更新小学知识.pdf
10.00金币
0下载
二年级数学下册期末混合运算专项练习二年级数学下册期末混合运算专项练习#二年级#二年级数学下册#关注我持续更新小学知识 #知识分享 #家长收藏孩子受益.pdf
10.00金币
1下载
二年级数学下册年月日三类周期问题解题方法二年级数学下册年月日三类周期问题解题方法#二年级#二年级数学下册#知识分享 #关注我持续更新小学知识 #家长收藏孩子受益.pdf
10.00金币
0下载
二年级数学下册解决问题专项训练二年级数学下册解决问题专项训练#专项训练#解决问题#二年级#二年级数学下册#知识分享.pdf
10.00金币
1下载
二年级数学下册还原问题二年级数学下册还原问题#二年级#二年级数学#关注我持续更新小学知识 #知识分享 #家长收藏孩子受益.pdf
10.00金币
1下载
二年级数学下册第六单元考试卷家长打印出来给孩子测试测试争取拿到高分!#小学二年级试卷分享 #二年级第六单考试数学 #第六单考试#二年级数学下册.pdf
10.00金币
0下载
二年级数学下册必背顺口溜口诀汇总二年级数学下册必背顺口溜口诀汇总#二年级#二年级数学下册 #知识分享 #家长收藏孩子受益 #关注我持续更新小学知识.pdf
10.00金币
0下载
二年级数学下册《重点难点思维题》两大问题解决技巧和方法巧算星期几解决周期问题还原问题强化思维训练老师精心整理家长可以打印出来给孩子练习#家长收藏孩子受益 #学霸秘籍 #思维训练 #二年级 #知识点总结.pdf
10.00金币
0下载
二年级数学下册 必背公式大全寒假提前背一背开学更轻松#二年级 #二年级数学 #二年级数学下册 #寒假充电计划 #公式.pdf
10.00金币
0下载
蜗牛文库+ 关注
实名认证
内容提供者

提供各种专业文档内容

确认删除?
QQ
  • QQ点击这里给我发消息
微信客服
  • 微信客服
回到顶部