电脑桌面
添加蜗牛文库到电脑桌面
安装后可以在桌面快捷访问

GB 2725.1-1994 肉灌肠卫生标准.pdfVIP免费

GB 2725.1-1994 肉灌肠卫生标准.pdf_第1页
GB 2725.1-1994 肉灌肠卫生标准.pdf_第2页
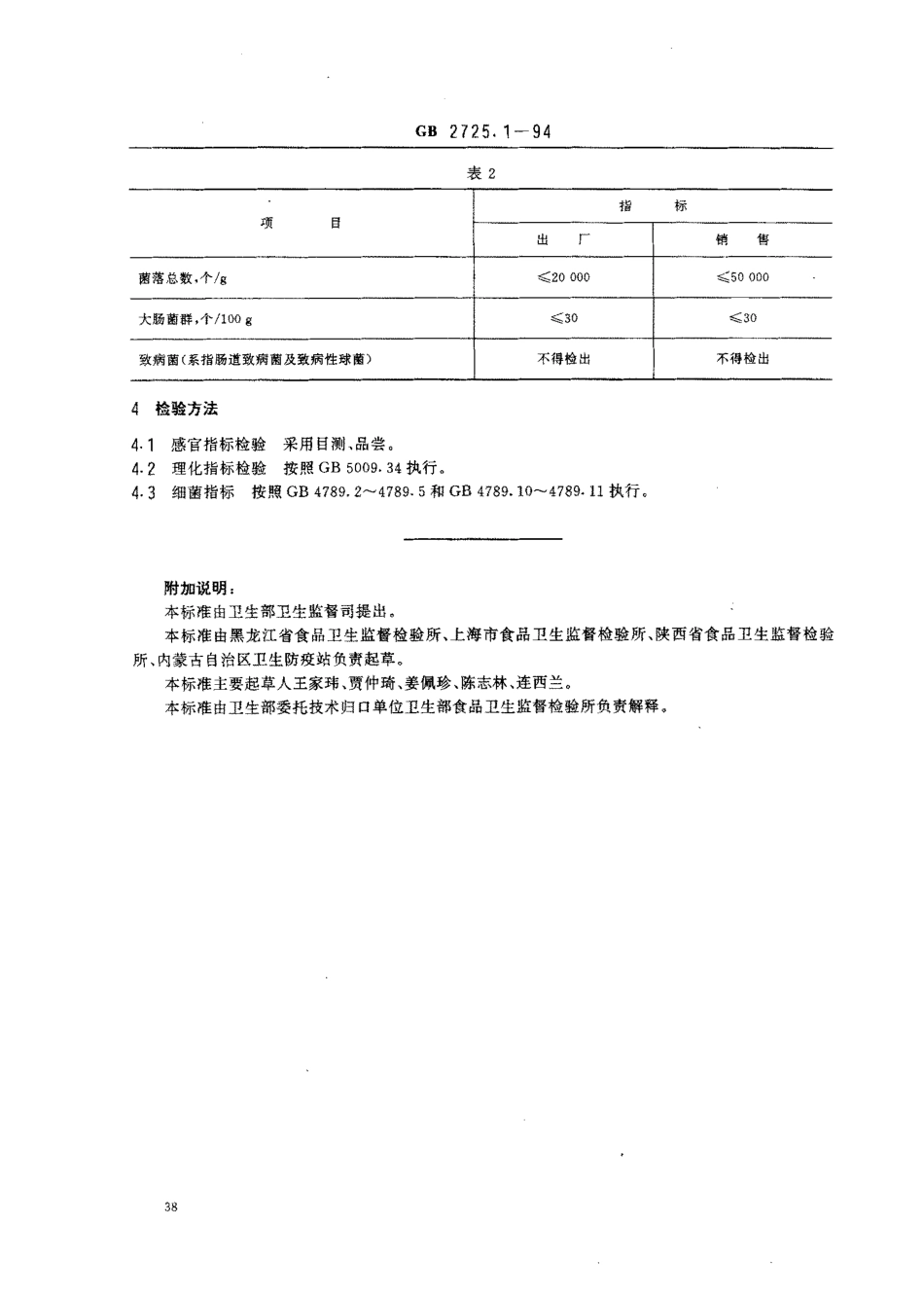
中华人民共和国国家标准2725.1一94GB2725--81姗储肉灌肠卫生标准Hygienicstandardforthesausages1主题内容与适用范围本标准规定了肉灌肠的卫生要求和检验方法。本标准适用于以鲜(冻)畜肉经加工、腌制、切碎、加入辅料灌入肠衣内后经煮熟而成的红肠、肉肠等制品。2引用标准GB276。食品添加剂使用卫生标准GB4789.2食品卫生微生物学检验菌落总数测定GB4789.3食品卫生微生物学检验大肠菌群测定GB4789.4食品卫生微生物学检验沙门氏菌检验GB4789.5食品卫生微生物学检验志贺氏菌检验GB4789.10食品卫生微生物学检验葡萄球菌检验GB4789.11食品卫生微生物学检验溶血性链球菌检验GB5009.34食品中亚硝酸盐的测定方法3卫生要求3.1感官指标肠衣(肠皮)干燥宪整,并与内容物密切结合,坚实而有弹力,无粘液及霉斑。切面坚实而湿润,肉呈均匀的蔷薇红色,脂肪为白色。无腐臭,无酸败味3-2理化指标理化指标见表In表1亚硝酸盐(以NaNO,个}),mg/kg镇30食品添加剂按GB2760规定3.3细菌指标细菌指标见表2中华人民共和国卫生部1994一03一18批准1994一09一01实施GB2725.1一94菌落总数,个/9蕊20000越50000大肠菌群,个/工00g芯30S30致病菌(系指肠道致病菌及致病性球菌)不得检出不得检出4检验方法4.1感官指标检验采用目测、品尝。4.2理化指标检验按照GB5009.34执行.4.3细菌指标按照GB4789.2^4789-5和GB4789.10-x4789.11执行。附加说明:本标准由卫生部卫生监督司提出。本标准由黑龙江省食品卫生监督检验所、上海市食品卫生监督检验所、陕西省食品卫生监督检验所、内蒙古自治区卫生防疫站负责起草。本标准主要起草人王家玮、贾仲琦、姜佩珍、陈志林、连西兰。本标准由卫生部委托技术归口单位卫生部食品卫生监督检验所负责解释。

1、当您付费下载文档后,您只拥有了使用权限,并不意味着购买了版权,文档只能用于自身使用,不得用于其他商业用途(如 [转卖]进行直接盈利或[编辑后售卖]进行间接盈利)。
2、本站所有内容均由合作方或网友上传,本站不对文档的完整性、权威性及其观点立场正确性做任何保证或承诺!文档内容仅供研究参考,付费前请自行鉴别。
3、如文档内容存在违规,或者侵犯商业秘密、侵犯著作权等,请点击“违规举报”。

碎片内容

蜗牛文库的最新文档

二年级数学下册其中检测卷二年级数学下册其中检测卷附答案#期中测试卷.pdf
10.00金币
0下载
二年级数学下册期末质检卷(苏教版)二年级数学下册期末质检卷(苏教版)#期末复习 #期末测试卷 #二年级数学 #二年级数学下册#关注我持续更新小学知识.pdf
10.00金币
0下载
二年级数学下册期末混合运算专项练习二年级数学下册期末混合运算专项练习#二年级#二年级数学下册#关注我持续更新小学知识 #知识分享 #家长收藏孩子受益.pdf
10.00金币
1下载
二年级数学下册年月日三类周期问题解题方法二年级数学下册年月日三类周期问题解题方法#二年级#二年级数学下册#知识分享 #关注我持续更新小学知识 #家长收藏孩子受益.pdf
10.00金币
0下载
二年级数学下册解决问题专项训练二年级数学下册解决问题专项训练#专项训练#解决问题#二年级#二年级数学下册#知识分享.pdf
10.00金币
1下载
二年级数学下册还原问题二年级数学下册还原问题#二年级#二年级数学#关注我持续更新小学知识 #知识分享 #家长收藏孩子受益.pdf
10.00金币
1下载
二年级数学下册第六单元考试卷家长打印出来给孩子测试测试争取拿到高分!#小学二年级试卷分享 #二年级第六单考试数学 #第六单考试#二年级数学下册.pdf
10.00金币
0下载
二年级数学下册必背顺口溜口诀汇总二年级数学下册必背顺口溜口诀汇总#二年级#二年级数学下册 #知识分享 #家长收藏孩子受益 #关注我持续更新小学知识.pdf
10.00金币
0下载
二年级数学下册《重点难点思维题》两大问题解决技巧和方法巧算星期几解决周期问题还原问题强化思维训练老师精心整理家长可以打印出来给孩子练习#家长收藏孩子受益 #学霸秘籍 #思维训练 #二年级 #知识点总结.pdf
10.00金币
0下载
二年级数学下册 必背公式大全寒假提前背一背开学更轻松#二年级 #二年级数学 #二年级数学下册 #寒假充电计划 #公式.pdf
10.00金币
0下载
蜗牛文库+ 关注
实名认证
内容提供者

提供各种专业文档内容

确认删除?
QQ
  • QQ点击这里给我发消息
微信客服
  • 微信客服
回到顶部