电脑桌面
添加蜗牛文库到电脑桌面
安装后可以在桌面快捷访问

GB 10770-1997 婴幼儿断奶期补充食品.pdfVIP免费

GB 10770-1997 婴幼儿断奶期补充食品.pdf_第1页
GB 10770-1997 婴幼儿断奶期补充食品.pdf_第2页
GB 10770-1997 婴幼儿断奶期补充食品.pdf_第3页
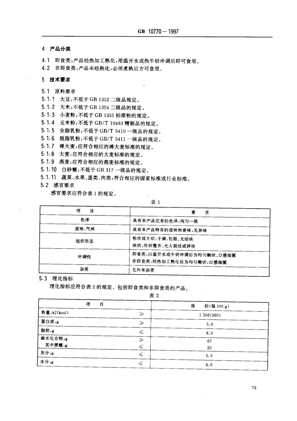
GB10770一1997前言本标准非等效采用联合国粮农组织/世界卫生组织(FAO/WHO)食品法规委员会(CAC)CodexStan74-1981《以粮谷为主的婴幼儿食品》,是对GB10770-1989((婴幼儿食品断奶期补充食品》的修订本标准与原标准GB10770-1989相比,在内容上进行了一些增改,其要点如下:1.“理化指标”中钠含量由原来(200mg/100g改为-<300mg/100g.2.“卫生指标’‘中取消了汞、滴滴涕、六六六三项指标。3.将附录A`‘原料要求”纳入标准正文4.取消了附录B"碘的测定法”,将其归入GB/丁5413.1-5413.32-1997Q婴幼儿配方食品和乳粉通用检验方法》5.取消了附录C"脉酶定量测定法”,并将附录D以条款的形式进行了改写本标准从生效之日起,同时代替GB10770-1989本标准由中国轻工总会和中华人民共和国卫生部联合提出。本标准由全国食品发酵标准化中心和卫生部食品卫生监督检验所技术归口。本标准负贵起草单位:中国预防医学科学院营养与食品卫生研究所,中国食品发酵工业研究所。本标准参加起草单位;北京味全食品有限公司、雀巢(中国)投资有限公司、美赞臣(广州)有限公司、亨氏联合有限公司。本标准主要起草人:刘冬生、易维学。注:本标准根据国家质量技术监督局1999年8月6日以质技监标函仁19991108号文批准的GB10770-1997Q婴幼儿断奶期补充食品》第1号修改单进行了修改中华人民共和国国家标准婴幼儿断奶期补充食品GB10770一1997代替GB10770-1989Supplementaryweaningfoodsforinfantsandyoungchildren1范围本标准规定了婴幼儿断奶期补充食品的技术要求,试验方法,检验规则和产品标签、包装、运输和贮存要求。本标准适用于以谷物(大米、大麦、裸大麦、小麦粉、燕麦或玉米)或大豆、奶粉为主要原料,以白砂糖、蔬莱、水果、蛋类、肉类等选择性配料,加人钙、磷、铁等矿物质及维生素等食品营养强化剂,经加工制成的供断奶期婴幼儿食用的补充食品。2引用标准下列标准所包含的条文,通过在本标准中引用而构成为本标准的条文。本标准出版时,所示版本均为有效。所有标准都会被修订,使用本标准的各方应探讨使用下列标准最新版本的可能性。GB317-1998白砂糖GB1352-1986大豆GB1354-1986大米GB1355-1986小麦粉GB2760-1996食品添加剂使用卫生标准GB4789.18-1994食品卫生微生物学检验乳与乳制品检验GB/T5009.11-1996食品中总砷的测定方法GB/T5009.12-1996食品中铅的测定方法GB/T5009.24-1996食品中黄曲霉毒素M:和B,的测定方法GB/T5410-1985全脂乳粉GB/T5411-1985脱脂乳粉GB/T5413.1^-5413....

1、当您付费下载文档后,您只拥有了使用权限,并不意味着购买了版权,文档只能用于自身使用,不得用于其他商业用途(如 [转卖]进行直接盈利或[编辑后售卖]进行间接盈利)。
2、本站所有内容均由合作方或网友上传,本站不对文档的完整性、权威性及其观点立场正确性做任何保证或承诺!文档内容仅供研究参考,付费前请自行鉴别。
3、如文档内容存在违规,或者侵犯商业秘密、侵犯著作权等,请点击“违规举报”。

碎片内容

蜗牛文库的最新文档

二年级数学下册其中检测卷二年级数学下册其中检测卷附答案#期中测试卷.pdf
10.00金币
0下载
二年级数学下册期末质检卷(苏教版)二年级数学下册期末质检卷(苏教版)#期末复习 #期末测试卷 #二年级数学 #二年级数学下册#关注我持续更新小学知识.pdf
10.00金币
0下载
二年级数学下册期末混合运算专项练习二年级数学下册期末混合运算专项练习#二年级#二年级数学下册#关注我持续更新小学知识 #知识分享 #家长收藏孩子受益.pdf
10.00金币
1下载
二年级数学下册年月日三类周期问题解题方法二年级数学下册年月日三类周期问题解题方法#二年级#二年级数学下册#知识分享 #关注我持续更新小学知识 #家长收藏孩子受益.pdf
10.00金币
0下载
二年级数学下册解决问题专项训练二年级数学下册解决问题专项训练#专项训练#解决问题#二年级#二年级数学下册#知识分享.pdf
10.00金币
1下载
二年级数学下册还原问题二年级数学下册还原问题#二年级#二年级数学#关注我持续更新小学知识 #知识分享 #家长收藏孩子受益.pdf
10.00金币
1下载
二年级数学下册第六单元考试卷家长打印出来给孩子测试测试争取拿到高分!#小学二年级试卷分享 #二年级第六单考试数学 #第六单考试#二年级数学下册.pdf
10.00金币
0下载
二年级数学下册必背顺口溜口诀汇总二年级数学下册必背顺口溜口诀汇总#二年级#二年级数学下册 #知识分享 #家长收藏孩子受益 #关注我持续更新小学知识.pdf
10.00金币
0下载
二年级数学下册《重点难点思维题》两大问题解决技巧和方法巧算星期几解决周期问题还原问题强化思维训练老师精心整理家长可以打印出来给孩子练习#家长收藏孩子受益 #学霸秘籍 #思维训练 #二年级 #知识点总结.pdf
10.00金币
0下载
二年级数学下册 必背公式大全寒假提前背一背开学更轻松#二年级 #二年级数学 #二年级数学下册 #寒假充电计划 #公式.pdf
10.00金币
0下载
蜗牛文库+ 关注
实名认证
内容提供者

提供各种专业文档内容

确认删除?
QQ
  • QQ点击这里给我发消息
微信客服
  • 微信客服
回到顶部