电脑桌面
添加蜗牛文库到电脑桌面
安装后可以在桌面快捷访问

GB 7657-1987 食品添加剂 D葡萄糖酸δ内酯.pdfVIP免费

GB 7657-1987 食品添加剂 D葡萄糖酸δ内酯.pdf_第1页
GB 7657-1987 食品添加剂 D葡萄糖酸δ内酯.pdf_第2页
GB 7657-1987 食品添加剂 D葡萄糖酸δ内酯.pdf_第3页
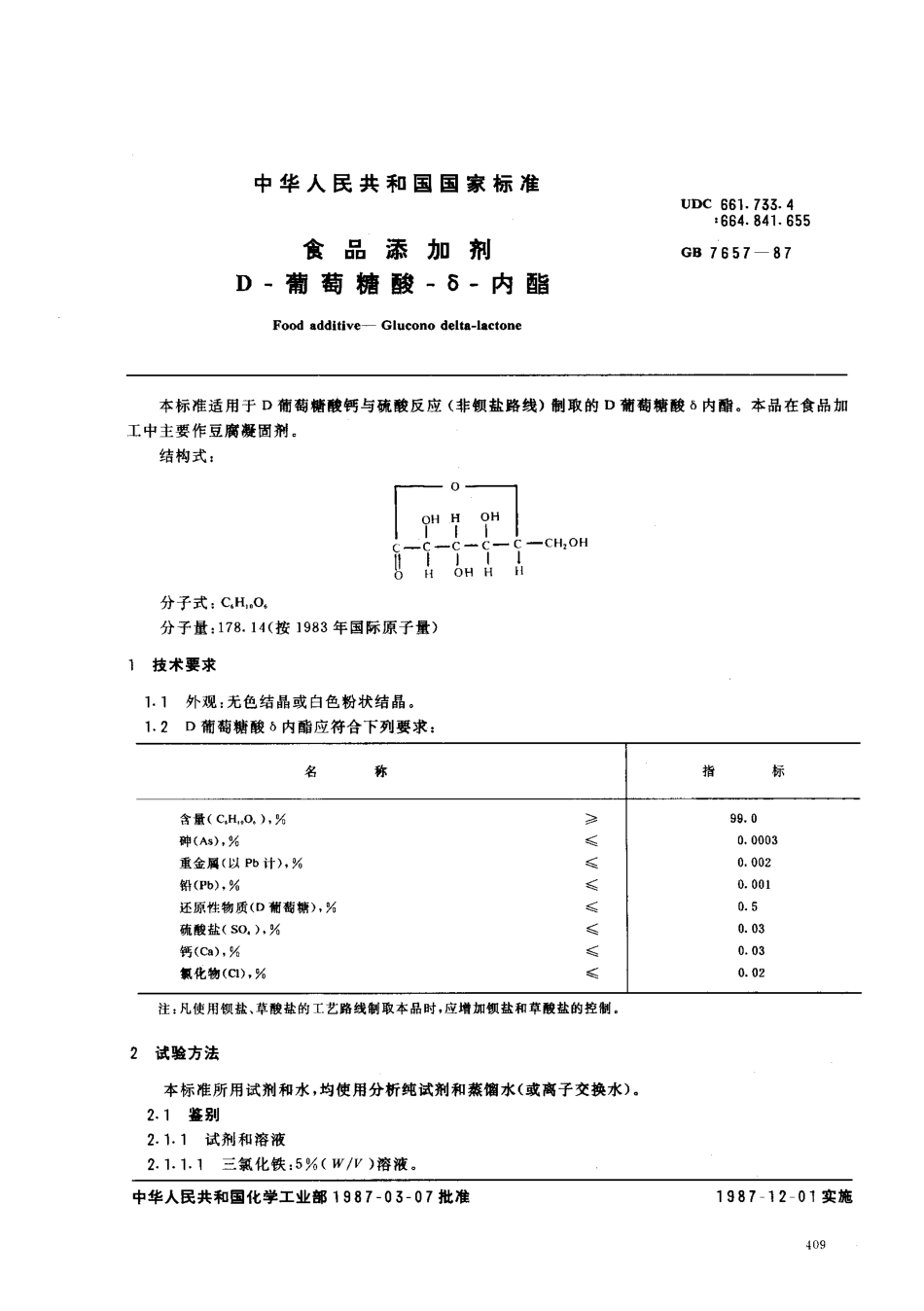
中华人民共和国国家标准UDC661-733.4,664.841-655食品添加剂Ge7657一87D-葡萄糖酸一S一内醋Foodadditive-Gluconodelta-lactone本标准适用于D葡萄塘酸钙与硫酸反应(非钡盐路线)制取的D葡萄糖酸8内醋。本品在食品加工中主要作豆腐凝固荆。结构式:OHHOH{一{一}一}一{一伪tiO日hll分子式:C,H,oOa分子量:178.14按1983年国际原子量)1技术要求1.1外观:无色结晶或白色粉状结晶。1.2D葡萄糖酸6内酷应符合下列要求:名称指标含量(C,HO,),%)砷(As),%提重金属(以Pb计),%簇铅(Pb),0/u(还原性物质(D葡萄糖),%蕊硫酸盐(So,),%簇钙(Ca),%簇饭化物(CD,%(99.00.00030.0020.001050.030.030.02注:凡使用钡盐、草酸盐的工艺路线制取本品时,应增加钡盐和草酸盐的控制.2试验方法本标准所用试剂和水,均使用分析纯试剂和燕馏水(或离子交换水).2.12.1.1鉴别试剂和溶液2.1.1.1三氯化铁:5%(w/V)溶液。中华人民共和国化学工业部1987一03一07批准1987一12一01实施GB7657一872.1:.:.1.2苯麟(HGB3360-60):新蒸馏的.,2方法2.1.上加热2.22.2.2.2.备。2.1称取。1g试样溶于5ml水中,加I滴5环三氛化铁溶液(2.1.1.1)应呈深黄色。2.2称取0.5g试样置于试管中,加5ml水温热溶解,加1ml新燕馏的笨麟(2.1.1.2)于水浴30min后,冷却。用玻璃棒摩擦试管内壁,逐渐形成葡有据酸笨醉眺的结晶.D偏萄箱酸6内幽含t的测定1试剂和溶液1.1X氧化钠(GB629-77);1N标准溶液按GB601-77(化学试剂标准溶液制备方法》制2.2.1.2.2.1.2.2.2称取盐酸(GB622-77);1N标准溶液。按GB601-77规定制备。酚酞指示液:1%乙醉液,按GB603-77《化学试剂、制剂及制品制备方法》制备.测定方法自‘,曰5g试样(称准至0.0002g)置于300ml锥形瓶中,加钠标准溶液2.2.3D,在室温放置15min,加2^-3滴酚酞指示液,用1N葡萄糖酸‘内酷的百分含量(X)按下式计算:100ml水溶解,加50.00ml1N氢氧化盐酸标准液滴定至溶液无色。二(V上"c,-V,"c立兰0.1781X100式中:V,—氢氧化钠标准液之用量,ml;c,—氢氧化钠标准液之当量浓度,N;V,—盐酸标准液之用量,ml;c,盐酸标准液之当量浓度,N;。—样品质量,g;0.1781—每毫克当量D葡萄糖酸6内酷之克数。允许测定结果之差不大干0.2%,以平行测定值的算术平均值为结果.2.3砷的测定2.3.1仪器装置:按中华人民共和国药典1985年版“砷盐检查法”仪器装置。2.3.2试剂和溶液2.3.2.1盐酸(GB622--77);2.3.2.2碘化钾(GB1272-77),15YO(W/V)溶液,2.3.2.3氛化亚锡(GB1272-77):40肠溶液,按GB603-77规定制备;2.3.2.4...

1、当您付费下载文档后,您只拥有了使用权限,并不意味着购买了版权,文档只能用于自身使用,不得用于其他商业用途(如 [转卖]进行直接盈利或[编辑后售卖]进行间接盈利)。
2、本站所有内容均由合作方或网友上传,本站不对文档的完整性、权威性及其观点立场正确性做任何保证或承诺!文档内容仅供研究参考,付费前请自行鉴别。
3、如文档内容存在违规,或者侵犯商业秘密、侵犯著作权等,请点击“违规举报”。

碎片内容

蜗牛文库的最新文档

二年级数学下册其中检测卷二年级数学下册其中检测卷附答案#期中测试卷.pdf
10.00金币
0下载
二年级数学下册期末质检卷(苏教版)二年级数学下册期末质检卷(苏教版)#期末复习 #期末测试卷 #二年级数学 #二年级数学下册#关注我持续更新小学知识.pdf
10.00金币
0下载
二年级数学下册期末混合运算专项练习二年级数学下册期末混合运算专项练习#二年级#二年级数学下册#关注我持续更新小学知识 #知识分享 #家长收藏孩子受益.pdf
10.00金币
1下载
二年级数学下册年月日三类周期问题解题方法二年级数学下册年月日三类周期问题解题方法#二年级#二年级数学下册#知识分享 #关注我持续更新小学知识 #家长收藏孩子受益.pdf
10.00金币
0下载
二年级数学下册解决问题专项训练二年级数学下册解决问题专项训练#专项训练#解决问题#二年级#二年级数学下册#知识分享.pdf
10.00金币
1下载
二年级数学下册还原问题二年级数学下册还原问题#二年级#二年级数学#关注我持续更新小学知识 #知识分享 #家长收藏孩子受益.pdf
10.00金币
1下载
二年级数学下册第六单元考试卷家长打印出来给孩子测试测试争取拿到高分!#小学二年级试卷分享 #二年级第六单考试数学 #第六单考试#二年级数学下册.pdf
10.00金币
0下载
二年级数学下册必背顺口溜口诀汇总二年级数学下册必背顺口溜口诀汇总#二年级#二年级数学下册 #知识分享 #家长收藏孩子受益 #关注我持续更新小学知识.pdf
10.00金币
0下载
二年级数学下册《重点难点思维题》两大问题解决技巧和方法巧算星期几解决周期问题还原问题强化思维训练老师精心整理家长可以打印出来给孩子练习#家长收藏孩子受益 #学霸秘籍 #思维训练 #二年级 #知识点总结.pdf
10.00金币
0下载
二年级数学下册 必背公式大全寒假提前背一背开学更轻松#二年级 #二年级数学 #二年级数学下册 #寒假充电计划 #公式.pdf
10.00金币
0下载
蜗牛文库+ 关注
实名认证
内容提供者

提供各种专业文档内容

确认删除?
QQ
  • QQ点击这里给我发消息
微信客服
  • 微信客服
回到顶部