电脑桌面
添加蜗牛文库到电脑桌面
安装后可以在桌面快捷访问

GBT 3102.1-1993 空间和时间的量和单位.pdfVIP免费

GBT 3102.1-1993 空间和时间的量和单位.pdf_第1页
GBT 3102.1-1993 空间和时间的量和单位.pdf_第2页
GBT 3102.1-1993 空间和时间的量和单位.pdf_第3页
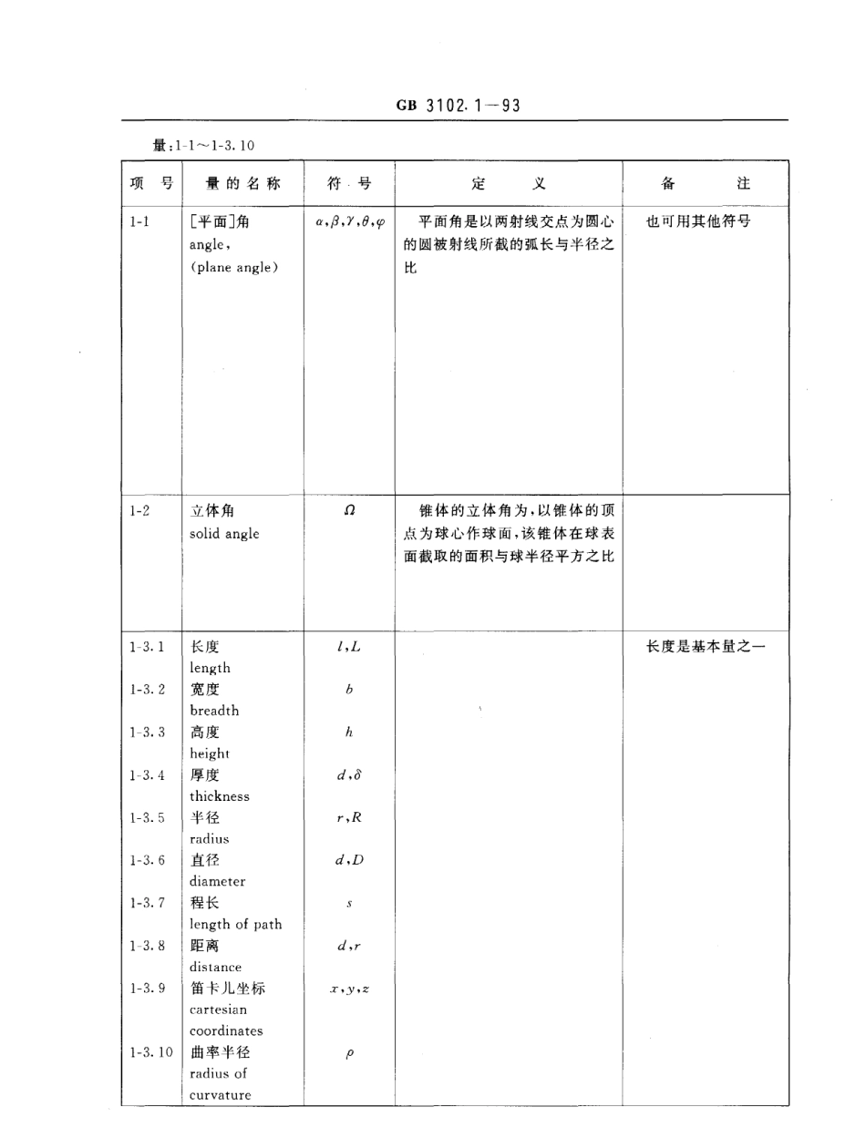
中华人民共和国国家标准GB3102.1一93空间和时间的量和单位代替GB3102.1一86Quantitiesandunits-Spaceandtime-----一一~一--一一一-一引言本标准等效采用国际标准ISO31-1:1992((量和单位第一部分:空间和时间》。本标准是目前已经制定的有关量和单位的一系列国家标准之一,这一系列国家标准是:GB3100国际单位制及其应用;GB3101有关量、单位和符号的一般原则;GB3102.1空间和时间的量和单位;GB3102.2周期及其有关现象的量和单位;GB3102.3力学的量和单位;GB3102.4热学的量和单位;GB3102.5电学和磁学的量和单位;GB3102.6光及有关电磁辐射的量和单位;GB3102.7声学的量和单位;GB3102.8物理化学和分子物理学的量和单位;GB3102.9原子物理学和核物理学的量和单位;GB3102.10核反应和电离辐射的量和单位;GB3102.11物理科学和技术中使用的数学符号;GB3102.12特征数;GB3102.13固体物理学的量和单位。上述国家标准贯彻了《中华人民共和国计量法》、《中华人民共和国标准化法》、国务院于1984年2月27日公布的《关于在我国统一实行法定计量单位的命令》和《中华人民共和国法定计量单位》。本标准的主要内容以表格的形式列出。表格中有关量的各栏列于左面各页,而将其单位列于对应的右面各页并对齐。两条实线间的全部单位都是左面各页相应实线间的量的一单位。量的表格列出了本标准领域中最重要的量及其符号,并在大多数情况下给出了量的定义,但这些定义只用于识别,并非都是完全的。某些量的矢量特性,特别是当定义需要时,已予指明,但并不企图使其完整或一致。在大多数情况下,每个量只给出一个名称和一个符号。当一个量给出两个或两个以I:的名称或符号,而未加以区别时,则它们处于同等的地位。当有两种斜体字母(例如:0,0,50,0,9,g)存在时,只给出其中之一但这并不意味另一个不同等适用。一般这种异体字不应给予不同的意义。在括号中的符号为“备用符号”,供在特定情况下主符号以不同意义使用时使用。量的相应单位连同其国际符号和定义一起列出。单位按下述方式编排:一般只给出SI单位。应使用SI单位及其用SI词头构成的十进倍数和分数单位。十进倍数和分数单一一一一一甲一-一一国家技术监督局,993一12一27批准1994一07-01实施60GB3102.1一93位未明确地给出。可与Si的单位并用的和属于国家法定计量单位的非Si的单位列于SI单位之下,并用虚线与相应的Si单位隔开。专门领域中使用的非国家法定计量单位列于“换算因数和备注”栏。一...

1、当您付费下载文档后,您只拥有了使用权限,并不意味着购买了版权,文档只能用于自身使用,不得用于其他商业用途(如 [转卖]进行直接盈利或[编辑后售卖]进行间接盈利)。
2、本站所有内容均由合作方或网友上传,本站不对文档的完整性、权威性及其观点立场正确性做任何保证或承诺!文档内容仅供研究参考,付费前请自行鉴别。
3、如文档内容存在违规,或者侵犯商业秘密、侵犯著作权等,请点击“违规举报”。

碎片内容

蜗牛文库的最新文档

二年级数学下册其中检测卷二年级数学下册其中检测卷附答案#期中测试卷.pdf
10.00金币
0下载
二年级数学下册期末质检卷(苏教版)二年级数学下册期末质检卷(苏教版)#期末复习 #期末测试卷 #二年级数学 #二年级数学下册#关注我持续更新小学知识.pdf
10.00金币
0下载
二年级数学下册期末混合运算专项练习二年级数学下册期末混合运算专项练习#二年级#二年级数学下册#关注我持续更新小学知识 #知识分享 #家长收藏孩子受益.pdf
10.00金币
1下载
二年级数学下册年月日三类周期问题解题方法二年级数学下册年月日三类周期问题解题方法#二年级#二年级数学下册#知识分享 #关注我持续更新小学知识 #家长收藏孩子受益.pdf
10.00金币
0下载
二年级数学下册解决问题专项训练二年级数学下册解决问题专项训练#专项训练#解决问题#二年级#二年级数学下册#知识分享.pdf
10.00金币
1下载
二年级数学下册还原问题二年级数学下册还原问题#二年级#二年级数学#关注我持续更新小学知识 #知识分享 #家长收藏孩子受益.pdf
10.00金币
1下载
二年级数学下册第六单元考试卷家长打印出来给孩子测试测试争取拿到高分!#小学二年级试卷分享 #二年级第六单考试数学 #第六单考试#二年级数学下册.pdf
10.00金币
0下载
二年级数学下册必背顺口溜口诀汇总二年级数学下册必背顺口溜口诀汇总#二年级#二年级数学下册 #知识分享 #家长收藏孩子受益 #关注我持续更新小学知识.pdf
10.00金币
0下载
二年级数学下册《重点难点思维题》两大问题解决技巧和方法巧算星期几解决周期问题还原问题强化思维训练老师精心整理家长可以打印出来给孩子练习#家长收藏孩子受益 #学霸秘籍 #思维训练 #二年级 #知识点总结.pdf
10.00金币
0下载
二年级数学下册 必背公式大全寒假提前背一背开学更轻松#二年级 #二年级数学 #二年级数学下册 #寒假充电计划 #公式.pdf
10.00金币
0下载
蜗牛文库+ 关注
实名认证
内容提供者

提供各种专业文档内容

确认删除?
QQ
  • QQ点击这里给我发消息
微信客服
  • 微信客服
回到顶部