电脑桌面
添加蜗牛文库到电脑桌面
安装后可以在桌面快捷访问

GBT 191-2008 包装储运图示标志.pdfVIP免费

GBT 191-2008 包装储运图示标志.pdf_第1页
GBT 191-2008 包装储运图示标志.pdf_第2页
GBT 191-2008 包装储运图示标志.pdf_第3页
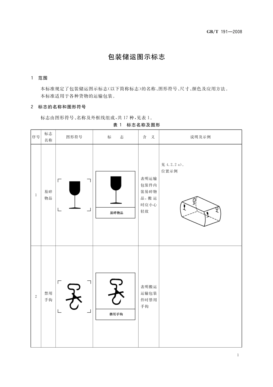
犐犆犛55.020犃80中华人民共和国国家标准犌犅/犜191—2008代替GB/T191—2000包装储运图示标志犘犪犮犽犪犵犻狀犵—犘犻犮狋狅狉犻犪犾犿犪狉犽犻狀犵犳狅狉犺犪狀犱犾犻狀犵狅犳犵狅狅犱狊(ISO780:1997,MOD)20080401发布20081001实施中华人民共和国国家质量监督检验检疫总局中国国家标准化管理委员会发布前言本标准修改采用国际标准ISO780:1997《包装储运图示标志》,主要差异如下:———在国际标准三种规格的基础上,增加了50mm的规格尺寸;———在4.1标志的使用中增加了“印制标志时,外框线及标志名称都要印上,出口货物可省略中文标志名称和外框线;喷涂时,外框线及标志名称可以省略”;———在表1中增加了每个标志的完整图形。本标准代替GB/T191—2000《包装储运图示标志》。本标准与GB/T191—2000相比主要变化如下:———取消了标志在包装件上的粘贴位置;———在表1中增加了标志图形一栏。本标准由全国包装标准化技术委员会提出并归口。本标准起草单位:铁道部标准计量研究所、北京出入境检验检疫协会。本标准主要起草人:张锦、赵靖宇、徐思桥、苏学锋。本标准所代替标准的历次版本发布情况为:———GB/T191—1963、GB/T191—1973、GB/T191—1985、GB/T191—1990、GB/T191—2000;———GB5892—1985。Ⅰ犌犅/犜191—2008包装储运图示标志1范围本标准规定了包装储运图示标志(以下简称标志)的名称、图形符号、尺寸、颜色及应用方法。本标准适用于各种货物的运输包装。2标志的名称和图形符号标志由图形符号、名称及外框线组成,共17种,见表1。表1标志名称及图形序号标志名称图形符号标志含义说明及示例1易碎物品表明运输包装件内装易碎物品,搬运时应小心轻放见4.2.2a)。位置示例2禁用手钩表明搬运运输包装件时禁用手钩1犌犅/犜191—2008表1(续)序号标志名称图形符号标志含义说明及示例3向上表明该运输包装件在运输时应竖直向上见4.2.2b)。位置示例a)b)c)4怕晒表明该运输包装件不能直接照晒5怕辐射表明该物品一旦受辐射会变质或损坏2犌犅/犜191—2008表1(续)序号标志名称图形符号标志含义说明及示例6怕雨表明该运输包装件怕雨淋7重心表明该包装件的重心位置,便于起吊见4...

1、当您付费下载文档后,您只拥有了使用权限,并不意味着购买了版权,文档只能用于自身使用,不得用于其他商业用途(如 [转卖]进行直接盈利或[编辑后售卖]进行间接盈利)。
2、本站所有内容均由合作方或网友上传,本站不对文档的完整性、权威性及其观点立场正确性做任何保证或承诺!文档内容仅供研究参考,付费前请自行鉴别。
3、如文档内容存在违规,或者侵犯商业秘密、侵犯著作权等,请点击“违规举报”。

碎片内容

蜗牛文库的最新文档

二年级数学下册其中检测卷二年级数学下册其中检测卷附答案#期中测试卷.pdf
10.00金币
0下载
二年级数学下册期末质检卷(苏教版)二年级数学下册期末质检卷(苏教版)#期末复习 #期末测试卷 #二年级数学 #二年级数学下册#关注我持续更新小学知识.pdf
10.00金币
0下载
二年级数学下册期末混合运算专项练习二年级数学下册期末混合运算专项练习#二年级#二年级数学下册#关注我持续更新小学知识 #知识分享 #家长收藏孩子受益.pdf
10.00金币
1下载
二年级数学下册年月日三类周期问题解题方法二年级数学下册年月日三类周期问题解题方法#二年级#二年级数学下册#知识分享 #关注我持续更新小学知识 #家长收藏孩子受益.pdf
10.00金币
0下载
二年级数学下册解决问题专项训练二年级数学下册解决问题专项训练#专项训练#解决问题#二年级#二年级数学下册#知识分享.pdf
10.00金币
1下载
二年级数学下册还原问题二年级数学下册还原问题#二年级#二年级数学#关注我持续更新小学知识 #知识分享 #家长收藏孩子受益.pdf
10.00金币
1下载
二年级数学下册第六单元考试卷家长打印出来给孩子测试测试争取拿到高分!#小学二年级试卷分享 #二年级第六单考试数学 #第六单考试#二年级数学下册.pdf
10.00金币
0下载
二年级数学下册必背顺口溜口诀汇总二年级数学下册必背顺口溜口诀汇总#二年级#二年级数学下册 #知识分享 #家长收藏孩子受益 #关注我持续更新小学知识.pdf
10.00金币
0下载
二年级数学下册《重点难点思维题》两大问题解决技巧和方法巧算星期几解决周期问题还原问题强化思维训练老师精心整理家长可以打印出来给孩子练习#家长收藏孩子受益 #学霸秘籍 #思维训练 #二年级 #知识点总结.pdf
10.00金币
0下载
二年级数学下册 必背公式大全寒假提前背一背开学更轻松#二年级 #二年级数学 #二年级数学下册 #寒假充电计划 #公式.pdf
10.00金币
0下载
蜗牛文库+ 关注
实名认证
内容提供者

提供各种专业文档内容

确认删除?
QQ
  • QQ点击这里给我发消息
微信客服
  • 微信客服
回到顶部