电脑桌面
添加蜗牛文库到电脑桌面
安装后可以在桌面快捷访问

GBT 15517.4-1995 生晒参分等质量标准.pdfVIP免费

GBT 15517.4-1995 生晒参分等质量标准.pdf_第1页
GBT 15517.4-1995 生晒参分等质量标准.pdf_第2页
GBT 15517.4-1995 生晒参分等质量标准.pdf_第3页
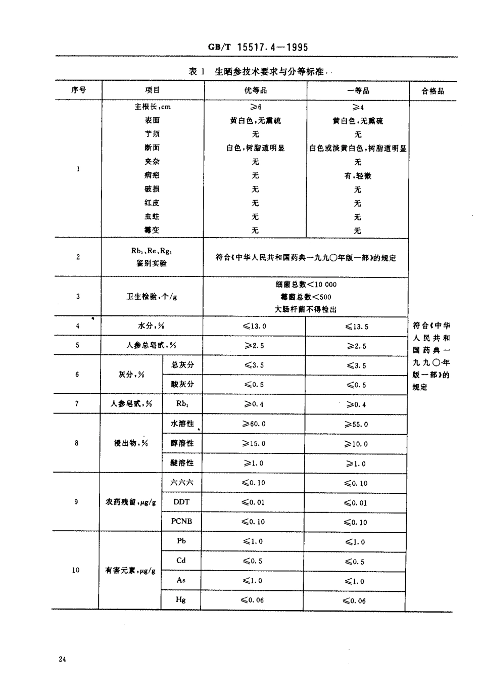
UpCC23633.88:006.73中华人民共和国国家标准GB/T15517.1一15517.6一1995人参加工产品分等质量标准Thegradequalitystandardsofproductsofprocessedginseng1995一03一27发布1995一09一01实施国家技术监督局发布中华人民共和国国家标准GB/T15517.4一1995生晒参分等质量标准Thegradequalitystandardsofdriedrawginseng1主肠内容与适用范围本标准规定了生晒参的分等质量标准、技术要求、试验方法和包装等要求。本标准适用于生晒参的加工、收购、调拨和销售。2引用标准GB/T15517.1模压红参分等质量标准GB/T15517.3全须生晒参分等质量标准中华人民共和国药典一九九O年版一部国家医药管理局、中华人民共和国卫生部、国药联材字(84)第72号文“附件”七十六种药材商品规格标准3术语生晒参:以鲜人参为原料刷洗下须后,于40^-500C烘干,即得。其他同GB/T15517.3术语。4产品分等生晒参在本标准中分为优等品、一等品和合格品三种。优等品与一等品的技术要求除应符合《中华人民共和国药典一九九O年版一部》规定外,还应达到表1的要求。合格品应符合《中华人民共和国药典一九九O年版一部》的规定。技术要求见表国家技术监.周1995一03一27批准1995一09一01实施GB/T15517.4一1995表1生晒参技术要求与分等标准序号项目优等品一等品合格品1主根长,cm表面芋须断面夹杂病疤破损红皮虫蛀娜变>6黄白色,无熏硫无白色.树脂道明显无无无无无无>4黄白色,无熏硫无白色或淡黄白色,树脂道明显无有,轻徽无无无无符合《中华人民共和国药典一九九0·年.版一部》的规定2RbRe,Rg,鉴别实验符合《中华人民共和国药典一九九0年版一部》的规定3卫生位脸.个/9细菌总数<10000称菌总败<500大肠杆菌不得检出水分,%(!3。0续13.55人参总皂贰,%>2.5>2.56灰分,%总灰分(3。5(3.5酸灰分簇0.5《0.57人必皂贰,%Rb,>O.4>O.48浸出物,%水溶性芬60.0>55.0醉溶性>15.0妻10.0醚溶性>1.0>1.09农药残留,Wg/g六六六镇0.10(O.10DDT簇0.01镇0.01PCNB(O.10(O.1010有害元家.尸9/‘Pb《1.0(1.0Cd镇0.5成0.5As《1.0镇1.0Hg簇0.06‘0.06GB/T15517.4一19956试验方法6.1外观质量检查取样品按表1中1外观质量标准项下逐项检查。6.2样品内在质量检查所需样品(以下称供试品,卫生检验除外)均按如下方法处理:称取有代表性生晒参200g.粉碎,全部通过二号药筛,充分混合后,置干燥器内保存使用.6.3人参皂贰RbRe,Rg,的鉴别实验按《中华人民共和国药典一九九O年版一部》4页,人参鉴别项下(3)的方法进行。6.4生晒参中水分的...

1、当您付费下载文档后,您只拥有了使用权限,并不意味着购买了版权,文档只能用于自身使用,不得用于其他商业用途(如 [转卖]进行直接盈利或[编辑后售卖]进行间接盈利)。
2、本站所有内容均由合作方或网友上传,本站不对文档的完整性、权威性及其观点立场正确性做任何保证或承诺!文档内容仅供研究参考,付费前请自行鉴别。
3、如文档内容存在违规,或者侵犯商业秘密、侵犯著作权等,请点击“违规举报”。

碎片内容

蜗牛文库的最新文档

二年级数学下册其中检测卷二年级数学下册其中检测卷附答案#期中测试卷.pdf
10.00金币
0下载
二年级数学下册期末质检卷(苏教版)二年级数学下册期末质检卷(苏教版)#期末复习 #期末测试卷 #二年级数学 #二年级数学下册#关注我持续更新小学知识.pdf
10.00金币
0下载
二年级数学下册期末混合运算专项练习二年级数学下册期末混合运算专项练习#二年级#二年级数学下册#关注我持续更新小学知识 #知识分享 #家长收藏孩子受益.pdf
10.00金币
1下载
二年级数学下册年月日三类周期问题解题方法二年级数学下册年月日三类周期问题解题方法#二年级#二年级数学下册#知识分享 #关注我持续更新小学知识 #家长收藏孩子受益.pdf
10.00金币
0下载
二年级数学下册解决问题专项训练二年级数学下册解决问题专项训练#专项训练#解决问题#二年级#二年级数学下册#知识分享.pdf
10.00金币
1下载
二年级数学下册还原问题二年级数学下册还原问题#二年级#二年级数学#关注我持续更新小学知识 #知识分享 #家长收藏孩子受益.pdf
10.00金币
1下载
二年级数学下册第六单元考试卷家长打印出来给孩子测试测试争取拿到高分!#小学二年级试卷分享 #二年级第六单考试数学 #第六单考试#二年级数学下册.pdf
10.00金币
0下载
二年级数学下册必背顺口溜口诀汇总二年级数学下册必背顺口溜口诀汇总#二年级#二年级数学下册 #知识分享 #家长收藏孩子受益 #关注我持续更新小学知识.pdf
10.00金币
0下载
二年级数学下册《重点难点思维题》两大问题解决技巧和方法巧算星期几解决周期问题还原问题强化思维训练老师精心整理家长可以打印出来给孩子练习#家长收藏孩子受益 #学霸秘籍 #思维训练 #二年级 #知识点总结.pdf
10.00金币
0下载
二年级数学下册 必背公式大全寒假提前背一背开学更轻松#二年级 #二年级数学 #二年级数学下册 #寒假充电计划 #公式.pdf
10.00金币
0下载
蜗牛文库+ 关注
实名认证
内容提供者

提供各种专业文档内容

确认删除?
QQ
  • QQ点击这里给我发消息
微信客服
  • 微信客服
回到顶部