电脑桌面
添加蜗牛文库到电脑桌面
安装后可以在桌面快捷访问

GBT 1270-1996 化学试剂 六水合氯化钴(氯化钴).pdfVIP免费

GBT 1270-1996 化学试剂 六水合氯化钴(氯化钴).pdf_第1页
GBT 1270-1996 化学试剂 六水合氯化钴(氯化钴).pdf_第2页
GBT 1270-1996 化学试剂 六水合氯化钴(氯化钴).pdf_第3页
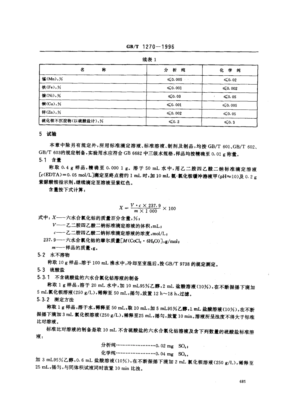
GB/T1270-1996前言本标准给出分析纯、化学纯两个级别,其中分析纯等效采用ISO6353-3:1987《化学分析试剂—第3部分:规格—第二批》中R55“六水合抓化钻”。差异如下:1标准编写根据我国国情,本标准增列了性状、检验规则和包装及标志三章。2规格2.1项目根据我国国情,本标准比国际标准多列硝酸盐、锰、铁三项。2.2指标分析纯的镍和硫化按不沉淀物两项严于国际标准,其他各项与国际标准相同.3试验本标准含量、硫酸盐、硫化按不沉淀物的测定方法与国际标准墓本相同,但存在测定条件上的差异,‘实验表明,结果无显著差异。其他项目均引用我国已制定的一套化学试剂通用试验方法标准中相应的标准。这套标准基本上是采用ISO6353-1:1982《化学分析试荆—第1部分:通角试验方法》制定的。本标准修订并取代了GB1270-85《化学试剂抓化钻》,与前版本相比,取消丫优级纯的级别,为采用国际标准,在规格及试验方法上作了相应的变动。本标准从生效之日起,同时代替GB1270-85,本标准由中华人民共和国化学工业部提出。本标准由北京化学试剂总厂归口。本标准起草单位:上海试剂二厂。本标准主要起草人,孙筱林、孙鸣凤。本标准于1960年首次发布.于1977年、1985年两次修订。中华人民共和国国家标准化学试剂六水合抓化钻(氮化钻)GB/T1270一1996Chemicalre叩cutCobalt(】)chloridehexahydrate代替GB1270-85分子式:Coo,·61120相对分子质量,237.931范圈本标准规定了化学试剂六水合抓化钻的技术要求、试验方法、检验规则和包装及标志.2引用标准下列标准所包含的条文,通过在本标准中引用而构成为本标准的条文。本标准出版时,所示版本均为有效。所有标准都会被修订,使用本标准的各方应探讨使用下列标准最新版本的可能性。GB/T601-88化学试剂滴定分析(容it分析)用标准溶液的制备GB/T602-88化学试剂杂质侧定用标准溶液的制备.GB/T603-88化学试荆试验方法中所用制剂及制品的制备GB/T619-88化学试剂采样及验收规则GB6682-92分析实验室用水规格和试验方法(eqvISO3696,1987)GB/T9723-88化学试剂火焰原子吸收光谱法通则GB/T9738-88化学试剂水不溶物侧定通用方法(eqvISO6353-1,1982)GB15346-94化学试剂包装及标志3性状本试剂为红色或红紫色结晶,溶于水及乙酸。4规格抓化钻的规格应符合表1的规定.表1名称分析纯化学纯含f(COClz·6H,O).0/,)99.0)98.0水不溶物,%<0.01

1、当您付费下载文档后,您只拥有了使用权限,并不意味着购买了版权,文档只能用于自身使用,不得用于其他商业用途(如 [转卖]进行直接盈利或[编辑后售卖]进行间接盈利)。
2、本站所有内容均由合作方或网友上传,本站不对文档的完整性、权威性及其观点立场正确性做任何保证或承诺!文档内容仅供研究参考,付费前请自行鉴别。
3、如文档内容存在违规,或者侵犯商业秘密、侵犯著作权等,请点击“违规举报”。

碎片内容

蜗牛文库的最新文档

二年级数学下册其中检测卷二年级数学下册其中检测卷附答案#期中测试卷.pdf
10.00金币
0下载
二年级数学下册期末质检卷(苏教版)二年级数学下册期末质检卷(苏教版)#期末复习 #期末测试卷 #二年级数学 #二年级数学下册#关注我持续更新小学知识.pdf
10.00金币
0下载
二年级数学下册期末混合运算专项练习二年级数学下册期末混合运算专项练习#二年级#二年级数学下册#关注我持续更新小学知识 #知识分享 #家长收藏孩子受益.pdf
10.00金币
1下载
二年级数学下册年月日三类周期问题解题方法二年级数学下册年月日三类周期问题解题方法#二年级#二年级数学下册#知识分享 #关注我持续更新小学知识 #家长收藏孩子受益.pdf
10.00金币
0下载
二年级数学下册解决问题专项训练二年级数学下册解决问题专项训练#专项训练#解决问题#二年级#二年级数学下册#知识分享.pdf
10.00金币
1下载
二年级数学下册还原问题二年级数学下册还原问题#二年级#二年级数学#关注我持续更新小学知识 #知识分享 #家长收藏孩子受益.pdf
10.00金币
1下载
二年级数学下册第六单元考试卷家长打印出来给孩子测试测试争取拿到高分!#小学二年级试卷分享 #二年级第六单考试数学 #第六单考试#二年级数学下册.pdf
10.00金币
0下载
二年级数学下册必背顺口溜口诀汇总二年级数学下册必背顺口溜口诀汇总#二年级#二年级数学下册 #知识分享 #家长收藏孩子受益 #关注我持续更新小学知识.pdf
10.00金币
0下载
二年级数学下册《重点难点思维题》两大问题解决技巧和方法巧算星期几解决周期问题还原问题强化思维训练老师精心整理家长可以打印出来给孩子练习#家长收藏孩子受益 #学霸秘籍 #思维训练 #二年级 #知识点总结.pdf
10.00金币
0下载
二年级数学下册 必背公式大全寒假提前背一背开学更轻松#二年级 #二年级数学 #二年级数学下册 #寒假充电计划 #公式.pdf
10.00金币
0下载
蜗牛文库+ 关注
实名认证
内容提供者

提供各种专业文档内容

确认删除?
QQ
  • QQ点击这里给我发消息
微信客服
  • 微信客服