电脑桌面
添加蜗牛文库到电脑桌面
安装后可以在桌面快捷访问

GB 17514-1998 水处理剂 聚丙烯酰胺.pdfVIP免费

GB 17514-1998 水处理剂 聚丙烯酰胺.pdf_第1页
GB 17514-1998 水处理剂 聚丙烯酰胺.pdf_第2页
GB 17514-1998 水处理剂 聚丙烯酰胺.pdf_第3页
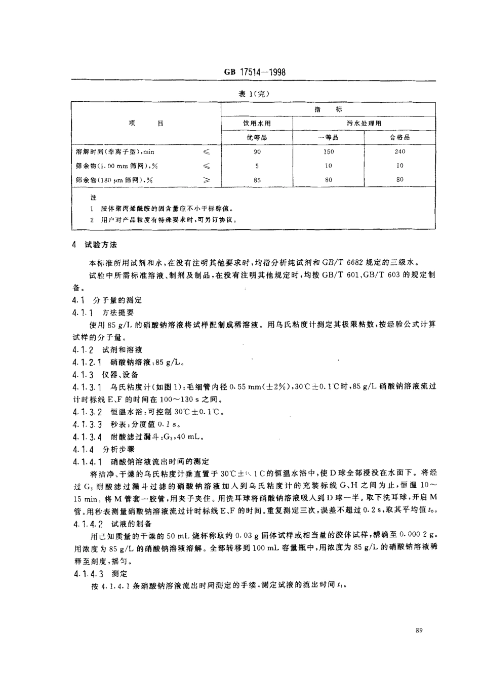
GB17514-1998前言聚丙烯酞胺是分离和沉降水中悬浮性粒子的絮凝剂。本标准的制定和实施,对于推广聚丙烯酞胺在饮用水和污水处理中的应用有着重要的意义本标准在制定中,主要考虑了使用需要,参考了有关生产厂的质量数据并进行了大量的验证试验本标准由中华人民共和国化学工业部提出。本标准由全国化学标准化技术委员会水处理剂分会归口。本标准起草单位:中国市政工程西北设计研究院、甘肃白银公司选矿药剂厂、上海创新酞胺厂、山东省淄博石油化工厂本标准主要起草人:裘本昌、刘淑华、杨大撰、唐明宝、乔昌明。中华人民共和国国家标准水处理剂聚丙烯酞胺GB17514-1998Watertreatmentchemicals---Polyacrylamide飞范围本标准规定了水处理剂聚丙烯酞胺的技术要求、试验方法、检验规则以及标志、包装、运输、贮存等。本标准适用于非离子型和阴离子型的固体及胶体聚丙烯酞胺该产品主要用作饮用水、污水处理的絮凝剂2引用标准下列标准所包含的条文,通过在本标准中引用而构成为本标准的条文。本标准出版时,所示版本均为有效。所有标准都会被修订,使用本标准的各方应探讨使用下列标准最新版本的可能性GB191-1990包装储运图示标志(;B/1.6。卜一玲朋化学试剂滴定分析(容量分析)用标准溶液的制备GB/T603-1988化学试剂试验方法中所用制剂及制品的制备(neqISO6353-1:1982)GB,T1250-1989极限数值的表示方法和判定方法GB,"I'4946-1985气相色谱法术语(;B;`T6003-1985试验筛GRIT6678-1986化工产品采样总则GB!T6682-1992分析实验室用水规格和试验方法(eqvISO3696:1987)3要求3.1外观:固体聚丙烯酸胺为白色或微黄色颗粒或粉末;胶体聚丙烯酞胺为无色或微黄色透明胶体。3.2分子量:根据用户要求提供,与标称值的相对偏差不大于10103.3水解度:与标称值的绝对差值不大于2%o或根据用户要求提供非离子型产品,水解度不大于5%。3.4水处理剂聚丙烯酞胺还应符合表1要求。表1指标项目饮用水用优等品90.00.0污水处理用一等品IA含量(固体)"写丙烯酸按单体含量(干基),%溶解时间红阴离子型),n,ir.90.00.10合格品87.00.20t20妻镇簇国家质,技术监督局1998-10-19批准1999-叫一01实施GB17514-1998表lc完)指标项目饮用水用污水处理用优等品一等品合格品川10即15010劝90585镇镇妻溶解时间〔非离子型)min筛余物

1、当您付费下载文档后,您只拥有了使用权限,并不意味着购买了版权,文档只能用于自身使用,不得用于其他商业用途(如 [转卖]进行直接盈利或[编辑后售卖]进行间接盈利)。
2、本站所有内容均由合作方或网友上传,本站不对文档的完整性、权威性及其观点立场正确性做任何保证或承诺!文档内容仅供研究参考,付费前请自行鉴别。
3、如文档内容存在违规,或者侵犯商业秘密、侵犯著作权等,请点击“违规举报”。

碎片内容

蜗牛文库的最新文档

二年级数学下册其中检测卷二年级数学下册其中检测卷附答案#期中测试卷.pdf
10.00金币
0下载
二年级数学下册期末质检卷(苏教版)二年级数学下册期末质检卷(苏教版)#期末复习 #期末测试卷 #二年级数学 #二年级数学下册#关注我持续更新小学知识.pdf
10.00金币
0下载
二年级数学下册期末混合运算专项练习二年级数学下册期末混合运算专项练习#二年级#二年级数学下册#关注我持续更新小学知识 #知识分享 #家长收藏孩子受益.pdf
10.00金币
1下载
二年级数学下册年月日三类周期问题解题方法二年级数学下册年月日三类周期问题解题方法#二年级#二年级数学下册#知识分享 #关注我持续更新小学知识 #家长收藏孩子受益.pdf
10.00金币
0下载
二年级数学下册解决问题专项训练二年级数学下册解决问题专项训练#专项训练#解决问题#二年级#二年级数学下册#知识分享.pdf
10.00金币
1下载
二年级数学下册还原问题二年级数学下册还原问题#二年级#二年级数学#关注我持续更新小学知识 #知识分享 #家长收藏孩子受益.pdf
10.00金币
1下载
二年级数学下册第六单元考试卷家长打印出来给孩子测试测试争取拿到高分!#小学二年级试卷分享 #二年级第六单考试数学 #第六单考试#二年级数学下册.pdf
10.00金币
0下载
二年级数学下册必背顺口溜口诀汇总二年级数学下册必背顺口溜口诀汇总#二年级#二年级数学下册 #知识分享 #家长收藏孩子受益 #关注我持续更新小学知识.pdf
10.00金币
0下载
二年级数学下册《重点难点思维题》两大问题解决技巧和方法巧算星期几解决周期问题还原问题强化思维训练老师精心整理家长可以打印出来给孩子练习#家长收藏孩子受益 #学霸秘籍 #思维训练 #二年级 #知识点总结.pdf
10.00金币
0下载
二年级数学下册 必背公式大全寒假提前背一背开学更轻松#二年级 #二年级数学 #二年级数学下册 #寒假充电计划 #公式.pdf
10.00金币
0下载
蜗牛文库+ 关注
实名认证
内容提供者

提供各种专业文档内容

确认删除?
QQ
  • QQ点击这里给我发消息
微信客服
  • 微信客服