电脑桌面
添加蜗牛文库到电脑桌面
安装后可以在桌面快捷访问

GB 18421-2001 海洋生物质量.pdfVIP免费

GB 18421-2001 海洋生物质量.pdf_第1页
GB 18421-2001 海洋生物质量.pdf_第2页
GB 18421-2001 海洋生物质量.pdf_第3页
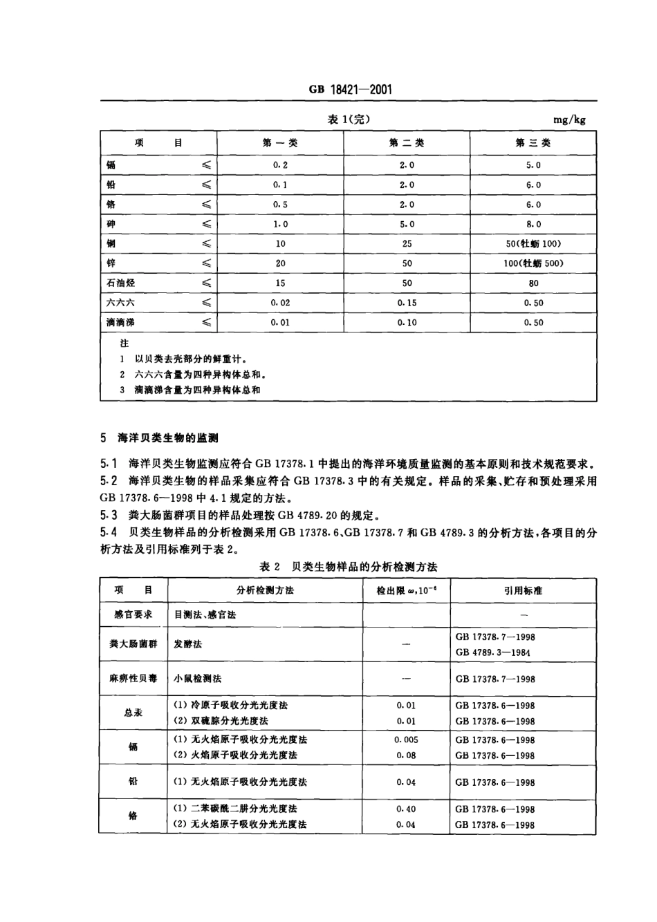
GB18421-2001前言本标准的全部技术内容为强制性。为贯彻执行《中华人民共和国环境保护法》和《中华人民共和国海洋环境保护法》,特制定本标准。本标准以海洋贝类为监测生物,制定反映海洋环境质量的相关标准,与GB3097-1997海水水质标准配套执行,用于评价海洋环境质量。本标准由国家海洋局提出并负责解释。本标准归口单位:国家海洋标准计量中心。本标准起草单位:国家海洋局第三海洋研究所。本标准主要起草人:王初升、黄自强、王明俊、郑金树、许章程、何进金。中华人民共和国国家标准GB18421-2001海洋生物质量Marinebiologicalquality1范围本标准以海洋贝类(双壳类)为环境监测生物,规定海域各类使用功能的海洋生物质量要求。本标准适用于中华人民共和国管辖的海域。本标准适用于天然生长和人工养殖的海洋贝类。2引用标准下列标准所包含的条文,通过在本标准中引用而构成为本标准的条文。本标准出版时,所示版本均为有效。所有标准都会被修订,使用本标准的各方应探讨使用下列标准最新版本的可能性。GB4789.3-1994食品卫生微生物学检验大肠菌群测定GB4789.20-1994食品卫生微生物学检验水产食品检验GB17378.1-1998海洋监测规范第1部分总则GB17378.3-1998海洋监测规范第3部分样品采集、贮存与运输GB17378.6-1998海洋监测规范第6部分生物体分析GB17378.7-1998海洋监测规范第7部分近海污染生态调查和生物监测3海洋生物质且的分类海洋生物质量按照海域的使用功能和环境保护的目标划分为三类:第一类:适用于海洋渔业水域、海水养殖区、海洋自然保护区、与人类食用直接有关的工业用水区。第二类:适用于一般工业用水区、滨海风景旅游区。第三类:适用于港口水域和海洋开发作业区。4海洋贝类生物质,标准值海洋贝类生物质量分类标准值列于表to表1海洋贝类生物质量标准值(鲜重)mg/kg声V-AIm=;AJl510-t*f1901ES,AATI#MUMVRO,300050000.80.050.10书中华人民共和国国家质,监督检验检疫总局200卜08-28批准2002-03-01实施GB18421-2001表1(完)mg/kg扛j5海洋贝类生物的监测5.1海洋贝类生物监测应符合GB17378.1中提出的海洋环境质量监测的基本原则和技术规范要求。5.2海洋贝类生物的样品采集应符合GB17378.3中的有关规定.样品的采集、贮存和预处理采用GB17378.6-1998中4.1规定的方法。5.3粪大肠菌群项目的样品处理按GB4789.20的规定。5.4贝类生物样品的分析检测采用GB17378.6,GB17378.7和GB4789.3的分析方法,各项目的分析方法及引用标准列于表20表2贝类生物样品的分析检测方法宜二一GB18421-2001表2(完)}

1、当您付费下载文档后,您只拥有了使用权限,并不意味着购买了版权,文档只能用于自身使用,不得用于其他商业用途(如 [转卖]进行直接盈利或[编辑后售卖]进行间接盈利)。
2、本站所有内容均由合作方或网友上传,本站不对文档的完整性、权威性及其观点立场正确性做任何保证或承诺!文档内容仅供研究参考,付费前请自行鉴别。
3、如文档内容存在违规,或者侵犯商业秘密、侵犯著作权等,请点击“违规举报”。

碎片内容

蜗牛文库的最新文档

二年级数学下册其中检测卷二年级数学下册其中检测卷附答案#期中测试卷.pdf
10.00金币
0下载
二年级数学下册期末质检卷(苏教版)二年级数学下册期末质检卷(苏教版)#期末复习 #期末测试卷 #二年级数学 #二年级数学下册#关注我持续更新小学知识.pdf
10.00金币
0下载
二年级数学下册期末混合运算专项练习二年级数学下册期末混合运算专项练习#二年级#二年级数学下册#关注我持续更新小学知识 #知识分享 #家长收藏孩子受益.pdf
10.00金币
1下载
二年级数学下册年月日三类周期问题解题方法二年级数学下册年月日三类周期问题解题方法#二年级#二年级数学下册#知识分享 #关注我持续更新小学知识 #家长收藏孩子受益.pdf
10.00金币
0下载
二年级数学下册解决问题专项训练二年级数学下册解决问题专项训练#专项训练#解决问题#二年级#二年级数学下册#知识分享.pdf
10.00金币
1下载
二年级数学下册还原问题二年级数学下册还原问题#二年级#二年级数学#关注我持续更新小学知识 #知识分享 #家长收藏孩子受益.pdf
10.00金币
1下载
二年级数学下册第六单元考试卷家长打印出来给孩子测试测试争取拿到高分!#小学二年级试卷分享 #二年级第六单考试数学 #第六单考试#二年级数学下册.pdf
10.00金币
0下载
二年级数学下册必背顺口溜口诀汇总二年级数学下册必背顺口溜口诀汇总#二年级#二年级数学下册 #知识分享 #家长收藏孩子受益 #关注我持续更新小学知识.pdf
10.00金币
0下载
二年级数学下册《重点难点思维题》两大问题解决技巧和方法巧算星期几解决周期问题还原问题强化思维训练老师精心整理家长可以打印出来给孩子练习#家长收藏孩子受益 #学霸秘籍 #思维训练 #二年级 #知识点总结.pdf
10.00金币
0下载
二年级数学下册 必背公式大全寒假提前背一背开学更轻松#二年级 #二年级数学 #二年级数学下册 #寒假充电计划 #公式.pdf
10.00金币
0下载
蜗牛文库+ 关注
实名认证
内容提供者

提供各种专业文档内容

确认删除?
QQ
  • QQ点击这里给我发消息
微信客服
  • 微信客服
回到顶部