电脑桌面
添加蜗牛文库到电脑桌面
安装后可以在桌面快捷访问

GB 15618-1995 土壤环境质量标准.pdfVIP免费

GB 15618-1995 土壤环境质量标准.pdf_第1页
GB 15618-1995 土壤环境质量标准.pdf_第2页
GB 15618-1995 土壤环境质量标准.pdf_第3页
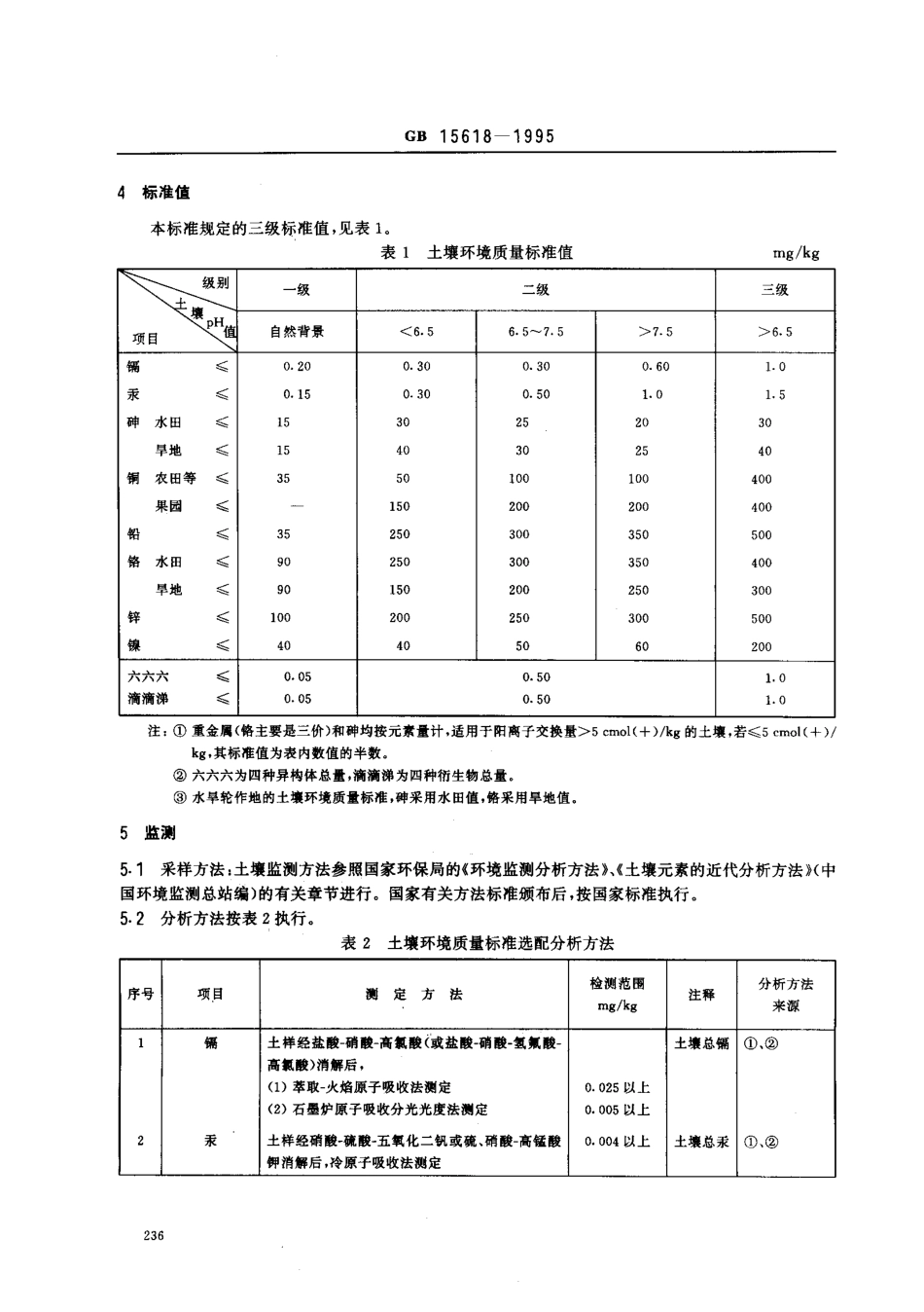
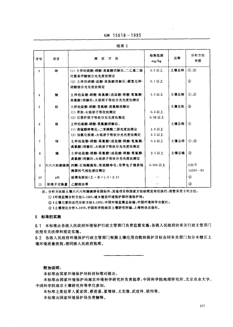
中华人民共和国国家标准GB15618一1995土壤环境质t标准Environmentalqualitystandardforsoils为贯彻《中华人民共和国环境保护法》,防止土壤污染,保护生态环境,保障农林生产,维护人体健康,制定本标准。主肠内容与适用范围11主题内容本标准按土壤应用功能、保护目标和土壤主要性质,规定了土壤中污染物的最高允许浓度指标值及相应的监测方法。1.2适用范围本标准适用于农田、蔬菜地、茶园、果园、牧场、林地、自然保护区等地的土壤。2术语2,土壤:指地球陆地表面能够生长绿色植物的疏松层。2.2土壤阳离子交换量:指带负电荷的土壤胶体,借静电引力而对溶液中的阳离子所吸附的数量,以每千克干土所含全部代换性阳离子的厘摩尔(按一价离子计)数表示。土坡环境质t分类和标准分级3.1土壤环境质量分类根据土壤应用功能和保护目标,划分为三类:1类主要适用于国家规定的自然保护区(原有背景重金属含量高的除外)、集中式生活饮用水源地、茶园、牧场和其他保护地区的土壤,土壤质量基本上保持自然背景水平。皿类主要适用于一般农田、蔬菜地、茶园、果园、牧场等土壤,土壤质量基本上对植物和环境不造成危害和污染。.类主要适用于林地土壤及污染物容量较大的高背景值土壤和矿产附近等地的农田土壤(蔬菜地除外)。土壤质量基本上对植物和环境不造成危害和污染。3.2标准分级一级标准为保护区域自然生态,维持自然背景的土壤环境质量的限制值。二级标准为保障农业生产,维护人体健康的土壤限制值。三级标准为保障农林业生产和植物正常生长的土壤临界值。各类土壤环境质量执行标准的级别规定如下:1类土壤环境质量执行一级标准;n类土壤环境质量执行二级标准:I类土壤环境质量执行三级标准。国家环境保护局1995一07一13批准1996一03一01实施Gs15618一19954标准值本标准规定的三级标准值,见表1,表1土壤环境质量标准值mg/kgKA*pHa一级二级三级自然背景<6.56.5-7.5>7.5>6.5锡镇汞(砷水田(旱地镇铜农田等镇果园簇铅镇铬水田(旱地镇锌镇镍(0.200.15151535359090100400.300.30304050150250250150200400.300.502530100200300300200250500.601.02025100200350350250300601.01.53040400400500400300500200六六六簇滴滴涕(:.:::.::::注:①重金属(铬主要是三价)和砷均按元素量计,适用干阳离子交换量>5cmol(+)/kg的土壤,若簇5cmol(+)/kg,其标准值为表内数值的半数。②六六六为四种异构体总量,滴滴涕为四种衍生物总量。③水旱轮作地的土城环境质量标准,砷采用水田值,铬采用...

1、当您付费下载文档后,您只拥有了使用权限,并不意味着购买了版权,文档只能用于自身使用,不得用于其他商业用途(如 [转卖]进行直接盈利或[编辑后售卖]进行间接盈利)。
2、本站所有内容均由合作方或网友上传,本站不对文档的完整性、权威性及其观点立场正确性做任何保证或承诺!文档内容仅供研究参考,付费前请自行鉴别。
3、如文档内容存在违规,或者侵犯商业秘密、侵犯著作权等,请点击“违规举报”。

碎片内容

蜗牛文库的最新文档

二年级数学下册其中检测卷二年级数学下册其中检测卷附答案#期中测试卷.pdf
10.00金币
0下载
二年级数学下册期末质检卷(苏教版)二年级数学下册期末质检卷(苏教版)#期末复习 #期末测试卷 #二年级数学 #二年级数学下册#关注我持续更新小学知识.pdf
10.00金币
0下载
二年级数学下册期末混合运算专项练习二年级数学下册期末混合运算专项练习#二年级#二年级数学下册#关注我持续更新小学知识 #知识分享 #家长收藏孩子受益.pdf
10.00金币
1下载
二年级数学下册年月日三类周期问题解题方法二年级数学下册年月日三类周期问题解题方法#二年级#二年级数学下册#知识分享 #关注我持续更新小学知识 #家长收藏孩子受益.pdf
10.00金币
0下载
二年级数学下册解决问题专项训练二年级数学下册解决问题专项训练#专项训练#解决问题#二年级#二年级数学下册#知识分享.pdf
10.00金币
1下载
二年级数学下册还原问题二年级数学下册还原问题#二年级#二年级数学#关注我持续更新小学知识 #知识分享 #家长收藏孩子受益.pdf
10.00金币
1下载
二年级数学下册第六单元考试卷家长打印出来给孩子测试测试争取拿到高分!#小学二年级试卷分享 #二年级第六单考试数学 #第六单考试#二年级数学下册.pdf
10.00金币
0下载
二年级数学下册必背顺口溜口诀汇总二年级数学下册必背顺口溜口诀汇总#二年级#二年级数学下册 #知识分享 #家长收藏孩子受益 #关注我持续更新小学知识.pdf
10.00金币
0下载
二年级数学下册《重点难点思维题》两大问题解决技巧和方法巧算星期几解决周期问题还原问题强化思维训练老师精心整理家长可以打印出来给孩子练习#家长收藏孩子受益 #学霸秘籍 #思维训练 #二年级 #知识点总结.pdf
10.00金币
0下载
二年级数学下册 必背公式大全寒假提前背一背开学更轻松#二年级 #二年级数学 #二年级数学下册 #寒假充电计划 #公式.pdf
10.00金币
0下载
蜗牛文库+ 关注
实名认证
内容提供者

提供各种专业文档内容

确认删除?
QQ
  • QQ点击这里给我发消息
微信客服
  • 微信客服
回到顶部