电脑桌面
添加蜗牛文库到电脑桌面
安装后可以在桌面快捷访问

QBT 2306-1997 耐高温α-淀粉酶制剂.pdfVIP免费

QBT 2306-1997 耐高温α-淀粉酶制剂.pdf_第1页
QBT 2306-1997 耐高温α-淀粉酶制剂.pdf_第2页
QBT 2306-1997 耐高温α-淀粉酶制剂.pdf_第3页
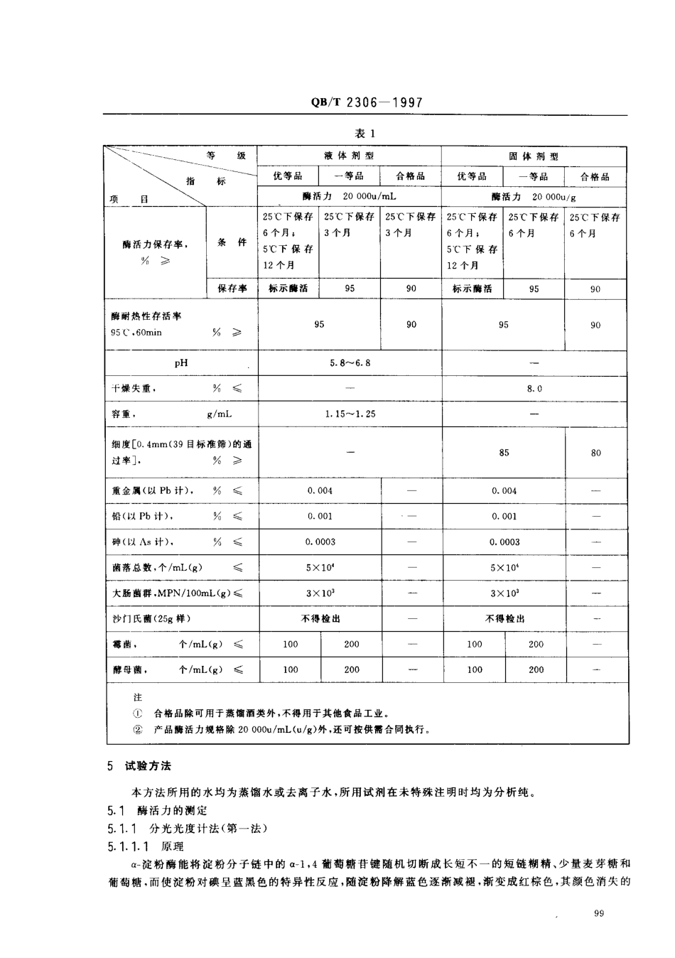
QB/T2306一1997前言耐高温a-淀粉醉制剂是一种具有较高耐热性的内切酶,其制剂有别于普通at-淀粉酶制剂。现已广泛应用于食品和其他工业。本标准将产品分为两种剂型,三个质量等级。其中优等品和一等品用于食品工业,所以,卫生指标非等效采用1972年联合国粮农组织和世界卫生组织(FAO/WHO)于日内瓦制定的《食品工业用酶卫生要求》。由于合格品用于其它工业,所以未设立卫生指标。理化指标是参考国外各大醉公司的先进企业标准,并结合我国生产实际制定的。醉活力的侧定第一法为分光光度法,其吸光度与醉浓度对照表列人附录A中。附录A是“标准的附录”。侧定酶活力时,底物的质t对分析结果影响很大。故本标准规定分析醉活力要统一使用浙江菱湖食品化工联合公司生产的、标有‘专供醉制荆侧定’用的“可溶性淀粉”试荆作底物。如暂时购不到,而使用其他厂生产的“可溶性淀粉,时,附必须做对照试验。本标准由中国轻工总会食品造纸部提出。本标准由全国食品发醉标准化中心技术归口。本标准起草单位:无锡星达生物工程有限公司、上海市工业徽生物研究所、中国食品发醉工业研究所、天津轻工业学院、烟台星达生物工程有限公司。本标准主要起草人:霍兴云、吴炳炎、胡学智、田栖静、王福荣、单守水,中华人民共和国轻工行业标准耐高温“一淀粉酶制剂QB/T2306一19971范围本标准规定了耐高温。一淀粉酶制剂的术语与定义、技术要求、试验方法、检验规则和标志、包装、运输、贮存要求。本标准适用于以地衣芽抱杆菌(或其他变异菌株)经深层发酵培养、提纯制取的耐高温a-淀粉酶制剂2引用标准下列标准所包含的条文,通过在本标准中引用而构成为本标准的条文。本标准出版时,所示版本均为有效。所有标准都会被修订,使用本标准的各方应探讨使用下列标准最新版本的可能性。GB601-1988化学试剂滴定分析(容量分析)用标准溶液的制备GB4789-1994食品卫生微生物学检验GB/T5009.11-1996食品卫生理化检验食品中总砷的测定方法GB/T5009.12-1996食品卫生理化检验食品中铅的侧定方法GB8451-1987食品添加荆中重金属限A试验法QB/T1803--1993S业酶制剂通用试验方法QB/T1804--'1993工业酶制剂通用检验规则和标志、包装、运输、贮存3术语与定义3.1耐A温a-淀粉酶由精选的地衣芽抱杆菌经发醉提纯制取的、具有较高耐热性的a-淀粉酶制荆。3.2酶活力单位在70c,Px6.。条件下,lmin液化lmg可溶性淀粉成为枷精所需要的酶量,即为1个酶活力单位,以u/ml,(u/g)表示4技术要求4门外观要求液体剂型:褐色...

1、当您付费下载文档后,您只拥有了使用权限,并不意味着购买了版权,文档只能用于自身使用,不得用于其他商业用途(如 [转卖]进行直接盈利或[编辑后售卖]进行间接盈利)。
2、本站所有内容均由合作方或网友上传,本站不对文档的完整性、权威性及其观点立场正确性做任何保证或承诺!文档内容仅供研究参考,付费前请自行鉴别。
3、如文档内容存在违规,或者侵犯商业秘密、侵犯著作权等,请点击“违规举报”。

碎片内容

蜗牛文库的最新文档

二年级数学下册其中检测卷二年级数学下册其中检测卷附答案#期中测试卷.pdf
10.00金币
0下载
二年级数学下册期末质检卷(苏教版)二年级数学下册期末质检卷(苏教版)#期末复习 #期末测试卷 #二年级数学 #二年级数学下册#关注我持续更新小学知识.pdf
10.00金币
0下载
二年级数学下册期末混合运算专项练习二年级数学下册期末混合运算专项练习#二年级#二年级数学下册#关注我持续更新小学知识 #知识分享 #家长收藏孩子受益.pdf
10.00金币
1下载
二年级数学下册年月日三类周期问题解题方法二年级数学下册年月日三类周期问题解题方法#二年级#二年级数学下册#知识分享 #关注我持续更新小学知识 #家长收藏孩子受益.pdf
10.00金币
0下载
二年级数学下册解决问题专项训练二年级数学下册解决问题专项训练#专项训练#解决问题#二年级#二年级数学下册#知识分享.pdf
10.00金币
1下载
二年级数学下册还原问题二年级数学下册还原问题#二年级#二年级数学#关注我持续更新小学知识 #知识分享 #家长收藏孩子受益.pdf
10.00金币
1下载
二年级数学下册第六单元考试卷家长打印出来给孩子测试测试争取拿到高分!#小学二年级试卷分享 #二年级第六单考试数学 #第六单考试#二年级数学下册.pdf
10.00金币
0下载
二年级数学下册必背顺口溜口诀汇总二年级数学下册必背顺口溜口诀汇总#二年级#二年级数学下册 #知识分享 #家长收藏孩子受益 #关注我持续更新小学知识.pdf
10.00金币
0下载
二年级数学下册《重点难点思维题》两大问题解决技巧和方法巧算星期几解决周期问题还原问题强化思维训练老师精心整理家长可以打印出来给孩子练习#家长收藏孩子受益 #学霸秘籍 #思维训练 #二年级 #知识点总结.pdf
10.00金币
0下载
二年级数学下册 必背公式大全寒假提前背一背开学更轻松#二年级 #二年级数学 #二年级数学下册 #寒假充电计划 #公式.pdf
10.00金币
0下载
蜗牛文库+ 关注
实名认证
内容提供者

提供各种专业文档内容

确认删除?
QQ
  • QQ点击这里给我发消息
微信客服
  • 微信客服
回到顶部