电脑桌面
添加蜗牛文库到电脑桌面
安装后可以在桌面快捷访问

QBT 2088-1995 食品工业用助滤剂 硅藻土.pdfVIP免费

QBT 2088-1995 食品工业用助滤剂 硅藻土.pdf_第1页
QBT 2088-1995 食品工业用助滤剂 硅藻土.pdf_第2页
QBT 2088-1995 食品工业用助滤剂 硅藻土.pdf_第3页
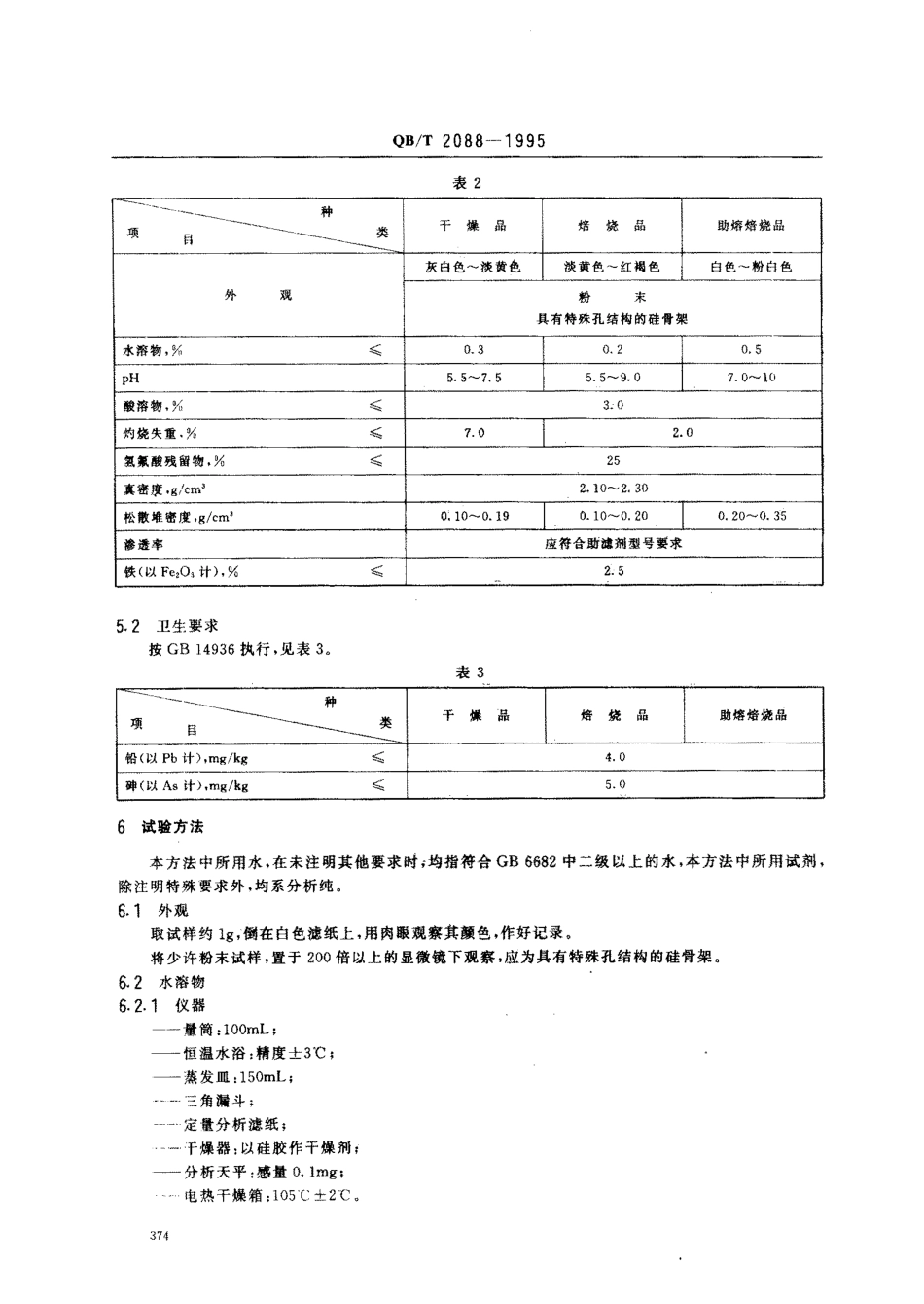
QB/T2088一1995前言本标准的主耍技术指标和试验方法均非等效采用了美国食品化学法典FCC-I(1981年)和日本食品添加物公定书第六版(1993年)中的硅藻土部分。铅和砷的指标及其试验方法按GB1493“硅燕土卫生标准》执行。“铁”和“筛分粒度”两项试验方法,考虑到用户的孺要,特列人附录A和附录B中,作为标准的附录和提示的附录。本标准由中国轻工总会食品造纸部提出。本标准由全国食品发醉标准化中心技术归口。本标准由吉林省临江市硅旅土总公司、吉林大学、吉林省临江市华丽硅荞土助滤剂有限公司、吉林省长白县硅燕土总公司、甘肃省轻工业科学研究所、吉林省梅河口市银河助撼荆股份有限公司、辽宁省抚顺市双星精细化工厂负责起草。本标准主要起草人:千载虎、膝段杰、姚以俭、王中孚、具俊杰、邹立国、王玉华。中华人民共和国轻工行业标准QB/T2088一1995食品工业用助滤剂硅藻土1范围本标准规定了食品工业用助滤剂硅藻土的分类与型号、技术要求、试验方法、检验规则和标志、包装、运输、贮存要求。本标准适用于以硅藻土为主要原料,经加工精制而成的食品工业用助滤剂2引用标准下列标准包含的条文,通过在本标准中引用而构成为本标准的条文。本标准出版时,所示版本均为有效。所有标准都会被修订,使用本标准的各方应探讨使用下列标准最新版本的可能性。GB191-1990包装储运图示标志G116682-1986实验室用水规格GB14936-1994硅藻土卫生标准3定义本标准采用下列定义。松散堆密度:指在特定条件下,单位体积内松散助滤剂的质量4分类与型号4.1分类4.1.1干操品把原料精选后,经自然干操、粉碎、风选分级制得的产品为干燥品。4.1.2焙烧品把原料精选后,经800--1200℃焙烧、粉碎、风选分级制得的产品为焙烧品。4门.3助熔焙烧品把原料精选后加人少量的助熔剂,经800-1200*C焙烧、粉碎、风选分级制得的产品为助熔焙烧品。4.2型号以上三类又按其渗透率分为各种型号助滤剂,见表1,表1darcy型号100"5000600070001000012000渗透率0.05-0.250.26-0.600.61-1.01.1-3.03.1-6.06.1-10.05技术要求5.1理化要求,见表20中国轻工总会1995一03一27批准1996一01一01实施QB/T2088一1995表2一---一_一____种项。一一~~_类f冲~~~朴~,干燥品焙烧品助熔培烧品外观灰白色一淡黄色淡黄色一红褐色白色一粉白色l粉末具有特殊孔结构的硅骨架水溶物,%簇}。:{0.5一pH一5.“一,·。1酸溶物,%簇3.0灼烧失重,%G一氢氛酸残留物,%成25真密度.g/em'2.70-2.30松散堆密度,g/cm'0.10-0.190.10^-0.2...

1、当您付费下载文档后,您只拥有了使用权限,并不意味着购买了版权,文档只能用于自身使用,不得用于其他商业用途(如 [转卖]进行直接盈利或[编辑后售卖]进行间接盈利)。
2、本站所有内容均由合作方或网友上传,本站不对文档的完整性、权威性及其观点立场正确性做任何保证或承诺!文档内容仅供研究参考,付费前请自行鉴别。
3、如文档内容存在违规,或者侵犯商业秘密、侵犯著作权等,请点击“违规举报”。

碎片内容

蜗牛文库的最新文档

二年级数学下册其中检测卷二年级数学下册其中检测卷附答案#期中测试卷.pdf
10.00金币
0下载
二年级数学下册期末质检卷(苏教版)二年级数学下册期末质检卷(苏教版)#期末复习 #期末测试卷 #二年级数学 #二年级数学下册#关注我持续更新小学知识.pdf
10.00金币
0下载
二年级数学下册期末混合运算专项练习二年级数学下册期末混合运算专项练习#二年级#二年级数学下册#关注我持续更新小学知识 #知识分享 #家长收藏孩子受益.pdf
10.00金币
1下载
二年级数学下册年月日三类周期问题解题方法二年级数学下册年月日三类周期问题解题方法#二年级#二年级数学下册#知识分享 #关注我持续更新小学知识 #家长收藏孩子受益.pdf
10.00金币
0下载
二年级数学下册解决问题专项训练二年级数学下册解决问题专项训练#专项训练#解决问题#二年级#二年级数学下册#知识分享.pdf
10.00金币
1下载
二年级数学下册还原问题二年级数学下册还原问题#二年级#二年级数学#关注我持续更新小学知识 #知识分享 #家长收藏孩子受益.pdf
10.00金币
1下载
二年级数学下册第六单元考试卷家长打印出来给孩子测试测试争取拿到高分!#小学二年级试卷分享 #二年级第六单考试数学 #第六单考试#二年级数学下册.pdf
10.00金币
0下载
二年级数学下册必背顺口溜口诀汇总二年级数学下册必背顺口溜口诀汇总#二年级#二年级数学下册 #知识分享 #家长收藏孩子受益 #关注我持续更新小学知识.pdf
10.00金币
0下载
二年级数学下册《重点难点思维题》两大问题解决技巧和方法巧算星期几解决周期问题还原问题强化思维训练老师精心整理家长可以打印出来给孩子练习#家长收藏孩子受益 #学霸秘籍 #思维训练 #二年级 #知识点总结.pdf
10.00金币
0下载
二年级数学下册 必背公式大全寒假提前背一背开学更轻松#二年级 #二年级数学 #二年级数学下册 #寒假充电计划 #公式.pdf
10.00金币
0下载
蜗牛文库+ 关注
实名认证
内容提供者

提供各种专业文档内容

确认删除?
QQ
  • QQ点击这里给我发消息
微信客服
  • 微信客服
回到顶部