电脑桌面
添加蜗牛文库到电脑桌面
安装后可以在桌面快捷访问

QBT 1702.1-1993 12td番茄酱成套设备.pdfVIP免费

QBT 1702.1-1993 12td番茄酱成套设备.pdf_第1页
QBT 1702.1-1993 12td番茄酱成套设备.pdf_第2页
QBT 1702.1-1993 12td番茄酱成套设备.pdf_第3页
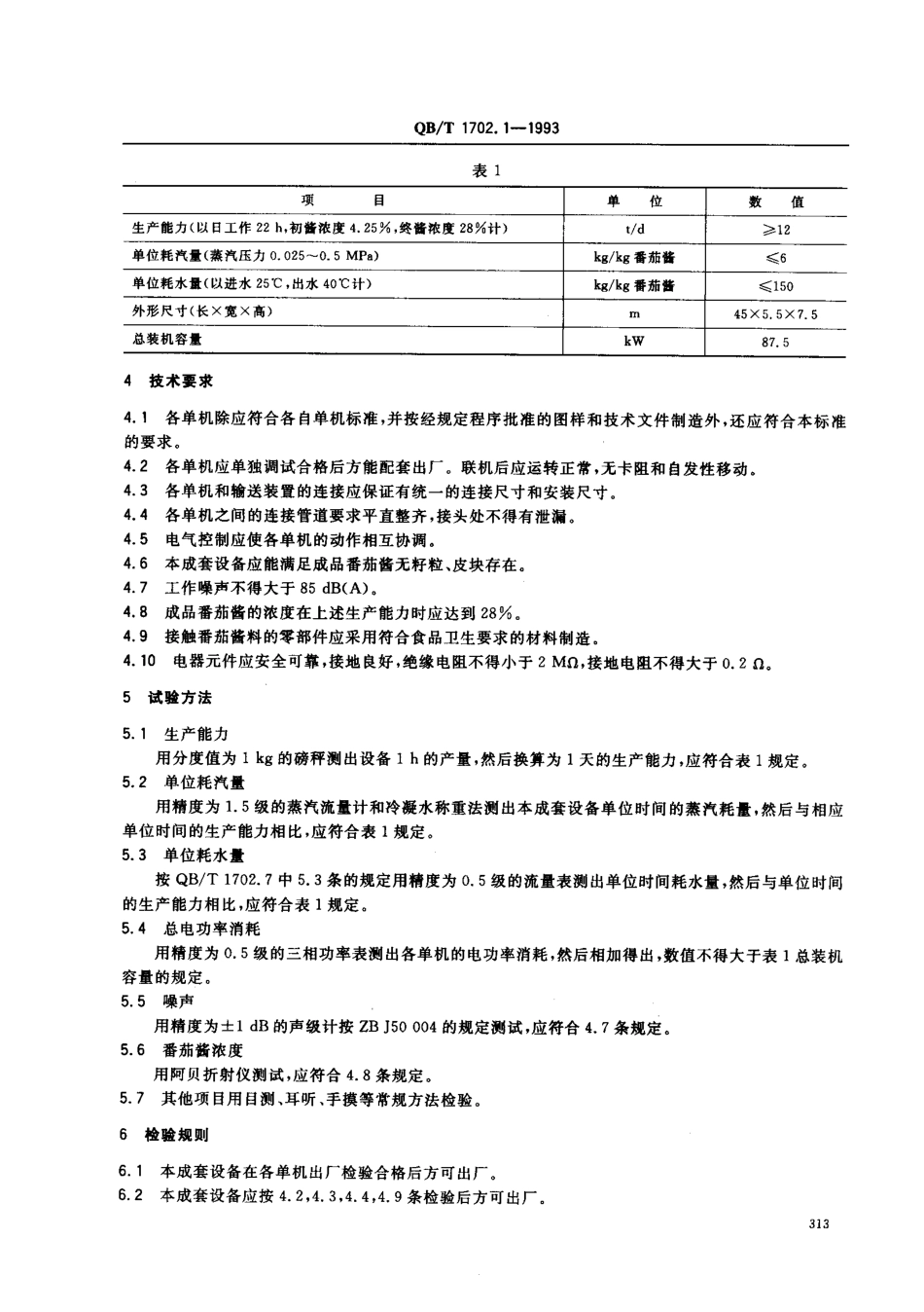
中华人民共和国轻工行业标准Q9/T1702.1-199312tad番茄告成套设备1主肠内容与适用范圈本标准规定了GT11B1型12t/d番茄普成套设备的产品分类、技术要求、试验方法、检验规则、标志、包装、运输、贮存。本标准适用于GT11B1型12t/d番茄昔成套设备。2引用标准GB/T191包装储运图示标志JB/T2759机电产品包装通用技术条件QB/T1702.7双效真空浓缩锅ZBJ50004金属切削机床噪声声压级的测定3产品分类3.1产品型式本成套设备是将番茄经清洗、破碎去籽、预热、打浆、浓缩、杀菌等工序加工成番茄酱的设备的生产线。3.2主要组成单机a.GT9D53型括板升运机b.GT5A1型浮洗机c.GT6A12型去籽机d.GT6J18型预热器e.GT6F5型三道打浆机f.GT6K8型双效真空浓缩锅g.GT6L6型杀菌器3.3产品型号GT11B1设备设计顺序号设备品种代号(番茄酱成套设备)设备类别(成套设备)设备专业代号(嫩头机械)注:产品型号由轻工业部杭州轻工机械设计研究所统一归口颁发.3.4基本参数基本参数见表to中华人民共和国轻工业部1993-03-28批准3121993-10-01实施QB/T1702.1-1993表1项目单位数值生产能力(以日工作22h,初昔浓度4.25%,终苦浓度28%计)t/d>12单位耗汽量(蒸汽压力0.0250.5MPs)kg/kg番茄告(6单位耗水量(以进水25'C,出水40℃计)kg/kg番茄普<150外形尺寸(长X宽X高)n】45X5.5X7.5总装机容量kW87.54技术要求4,各单机除应符合各自单机标准,并按经规定程序批准的图样和技术文件制造外,还应符合本标准的要求。4.2各单机应单独调试合格后方能配套出厂。联机后应运转正常,无卡阻和自发性移动。4.3各单机和输送装置的连接应保证有统一的连接尺寸和安装尺寸。4.4各单机之间的连接管道要求平直整齐,接头处不得有泄漏。4.5电气控制应使各单机的动作相互协调。4.6本成套设备应能满足成品番茄酱无籽粒、皮块存在。4.7工作噪声不得大于85dB(A),4.8成品番茄酱的浓度在上述生产能力时应达到28%,4.9接触番茄酱料的零部件应采用符合食品卫生要求的材料制造。4.10电器元件应安全可靠,接地良好.绝缘电阻不得小于2MO,接地电阻不得大于0.20.5试验方法5.1生产能力用分度值为1kg的磅秤测出设备1h的产量,然后换算为1天的生产能力,应符合表1规定。5.2单位耗汽量用精度为1.5级的燕汽流量计和冷凝水称重法测出本成套设备单位时间的燕汽耗盘,然后与相应单位时间的生产能力相比,应符合表1规定。5.3单位耗水1t按QB/T1702.7中5.3条的规定用精度为。.5级的流量表测出单位时间耗水量,然后与单位时间的生产能力相比,应符合表1...

1、当您付费下载文档后,您只拥有了使用权限,并不意味着购买了版权,文档只能用于自身使用,不得用于其他商业用途(如 [转卖]进行直接盈利或[编辑后售卖]进行间接盈利)。
2、本站所有内容均由合作方或网友上传,本站不对文档的完整性、权威性及其观点立场正确性做任何保证或承诺!文档内容仅供研究参考,付费前请自行鉴别。
3、如文档内容存在违规,或者侵犯商业秘密、侵犯著作权等,请点击“违规举报”。

碎片内容

蜗牛文库的最新文档

二年级数学下册其中检测卷二年级数学下册其中检测卷附答案#期中测试卷.pdf
10.00金币
0下载
二年级数学下册期末质检卷(苏教版)二年级数学下册期末质检卷(苏教版)#期末复习 #期末测试卷 #二年级数学 #二年级数学下册#关注我持续更新小学知识.pdf
10.00金币
0下载
二年级数学下册期末混合运算专项练习二年级数学下册期末混合运算专项练习#二年级#二年级数学下册#关注我持续更新小学知识 #知识分享 #家长收藏孩子受益.pdf
10.00金币
1下载
二年级数学下册年月日三类周期问题解题方法二年级数学下册年月日三类周期问题解题方法#二年级#二年级数学下册#知识分享 #关注我持续更新小学知识 #家长收藏孩子受益.pdf
10.00金币
0下载
二年级数学下册解决问题专项训练二年级数学下册解决问题专项训练#专项训练#解决问题#二年级#二年级数学下册#知识分享.pdf
10.00金币
1下载
二年级数学下册还原问题二年级数学下册还原问题#二年级#二年级数学#关注我持续更新小学知识 #知识分享 #家长收藏孩子受益.pdf
10.00金币
1下载
二年级数学下册第六单元考试卷家长打印出来给孩子测试测试争取拿到高分!#小学二年级试卷分享 #二年级第六单考试数学 #第六单考试#二年级数学下册.pdf
10.00金币
0下载
二年级数学下册必背顺口溜口诀汇总二年级数学下册必背顺口溜口诀汇总#二年级#二年级数学下册 #知识分享 #家长收藏孩子受益 #关注我持续更新小学知识.pdf
10.00金币
0下载
二年级数学下册《重点难点思维题》两大问题解决技巧和方法巧算星期几解决周期问题还原问题强化思维训练老师精心整理家长可以打印出来给孩子练习#家长收藏孩子受益 #学霸秘籍 #思维训练 #二年级 #知识点总结.pdf
10.00金币
0下载
二年级数学下册 必背公式大全寒假提前背一背开学更轻松#二年级 #二年级数学 #二年级数学下册 #寒假充电计划 #公式.pdf
10.00金币
0下载
蜗牛文库+ 关注
实名认证
内容提供者

提供各种专业文档内容

确认删除?
QQ
  • QQ点击这里给我发消息
微信客服
  • 微信客服
回到顶部