电脑桌面
添加蜗牛文库到电脑桌面
安装后可以在桌面快捷访问

QBT 1704-1993 铝箔衬纸.pdfVIP免费

QBT 1704-1993 铝箔衬纸.pdf_第1页
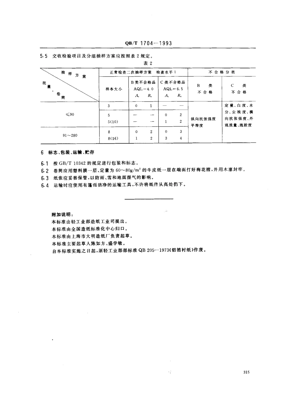
QBT 1704-1993 铝箔衬纸.pdf_第2页
QBT 1704-1993 铝箔衬纸.pdf_第3页
中华人民共和国轻工行业标准QB/T1704一1993铝箔衬纸1主题内容与适用范围本标准规定了铝箱衬纸的产品分类、技术要求、试验方法、检验规则和标志、包装、运输、贮存本标准适用于裱糊铝箔内衬基纸。2引用标准GB/T45。纸和纸板试样的采取GB/T451.1纸和纸板尺寸及偏斜度的测定法GB/T451.2纸和纸板定量的测定法GB/T453纸和纸板抗张强度的测定法(恒速加荷法)GB/T456纸和纸板平滑度的测定法(别克法)GB/T46。纸和纸板施胶度的测定法(墨水划线法)GB/T462纸和纸板水分的测定法GB/T1541纸和纸板尘埃度的测定法GB/T2828逐批检查计数抽样程序及抽样表(适用于连续批的检查)GB/T8940.1纸和纸板白度的测定法45/0定向反射法GB/T10342纸张的包装和标志。GB/T10739纸浆、纸和纸板试样处理和试验的标准大气;.{产品分类铝箔衬纸分为B等和C等两种。供裱糊防潮包装用铝惰内衬。按加工设备对原纸分为两种型号I型—单面光铝箔衬纸,主要适用于车速大于等于100m/min加工机;I型—双面光铝箔衬纸,主要适用于车速大于等于100m/min加工机。4.1技术要求和试验方法铝箱衬纸的技术指标必须符合表1规定。中华人民共和国轻工业部1993-04-15批准1993一12一01实施313QB/T1704一1993规定指标名称单位表11B等试验方法c等IB等}c等定量g/m21士1.032士1.650士2.5GB/T451.2不小于0.9001.321.75GB/T45310150巡0600.9001.321.751嘿赢抗张强度纵向21g/m'32g/m'50g/m'横向施胶度光面平滑度不小于不小于不小于不小于不多于0.25(3线)白度10080.050I/m'GB/TGB/TGB/T0.3--1.5mm尘埃度GB/T>1.5mm不许有{不许有}不许有不许有交货水分}%注:①横向抗张强度。.6kN/m,不包括21g/m'②如生产其他定量,抗张强度按指数折算。6.0士2.0{6.0士2.0{6.0士2.0}6.0士2.0}GB/T46045689401541462铝箔衬纸铝箔衬纸为卷筒,卷筒宽度365mm,380mm,410mm,476mm,490mm,按合同要求可以生产其他、尺寸和定量的纸张。纸张宽度允许偏差不许超过士3mm,纸卷直径偏差为士50mm纸张纤维组织均匀,不得有严重的云彩花。纸面应平整,不许有褶子、皱纹、残缺、破洞、条痕、斑点、裂口、砂子及硬质块等影响使用的外观纸同批纸张色调一致,不许有明显的差别。纸卷的切边应整齐洁净,端面应平整,不许有裂口、缺边,弓形不许超过lOmm,锯齿形不许超过2色34。56车颜车小病车车3mm4-了每卷纸接头不多于6个,接头处应用胶带或不渗透的胶水粘牢。接头应良好,胶水不影响上下层及两端,并用有色纸条或颜色在卷筒端部标志。4.8纸卷内不应有碎纸屑、...

1、当您付费下载文档后,您只拥有了使用权限,并不意味着购买了版权,文档只能用于自身使用,不得用于其他商业用途(如 [转卖]进行直接盈利或[编辑后售卖]进行间接盈利)。
2、本站所有内容均由合作方或网友上传,本站不对文档的完整性、权威性及其观点立场正确性做任何保证或承诺!文档内容仅供研究参考,付费前请自行鉴别。
3、如文档内容存在违规,或者侵犯商业秘密、侵犯著作权等,请点击“违规举报”。

碎片内容

蜗牛文库的最新文档

二年级数学下册其中检测卷二年级数学下册其中检测卷附答案#期中测试卷.pdf
10.00金币
0下载
二年级数学下册期末质检卷(苏教版)二年级数学下册期末质检卷(苏教版)#期末复习 #期末测试卷 #二年级数学 #二年级数学下册#关注我持续更新小学知识.pdf
10.00金币
0下载
二年级数学下册期末混合运算专项练习二年级数学下册期末混合运算专项练习#二年级#二年级数学下册#关注我持续更新小学知识 #知识分享 #家长收藏孩子受益.pdf
10.00金币
1下载
二年级数学下册年月日三类周期问题解题方法二年级数学下册年月日三类周期问题解题方法#二年级#二年级数学下册#知识分享 #关注我持续更新小学知识 #家长收藏孩子受益.pdf
10.00金币
0下载
二年级数学下册解决问题专项训练二年级数学下册解决问题专项训练#专项训练#解决问题#二年级#二年级数学下册#知识分享.pdf
10.00金币
1下载
二年级数学下册还原问题二年级数学下册还原问题#二年级#二年级数学#关注我持续更新小学知识 #知识分享 #家长收藏孩子受益.pdf
10.00金币
1下载
二年级数学下册第六单元考试卷家长打印出来给孩子测试测试争取拿到高分!#小学二年级试卷分享 #二年级第六单考试数学 #第六单考试#二年级数学下册.pdf
10.00金币
0下载
二年级数学下册必背顺口溜口诀汇总二年级数学下册必背顺口溜口诀汇总#二年级#二年级数学下册 #知识分享 #家长收藏孩子受益 #关注我持续更新小学知识.pdf
10.00金币
0下载
二年级数学下册《重点难点思维题》两大问题解决技巧和方法巧算星期几解决周期问题还原问题强化思维训练老师精心整理家长可以打印出来给孩子练习#家长收藏孩子受益 #学霸秘籍 #思维训练 #二年级 #知识点总结.pdf
10.00金币
0下载
二年级数学下册 必背公式大全寒假提前背一背开学更轻松#二年级 #二年级数学 #二年级数学下册 #寒假充电计划 #公式.pdf
10.00金币
0下载
蜗牛文库+ 关注
实名认证
内容提供者

提供各种专业文档内容

确认删除?
QQ
  • QQ点击这里给我发消息
微信客服
  • 微信客服
回到顶部