电脑桌面
添加蜗牛文库到电脑桌面
安装后可以在桌面快捷访问

QBT 2197-1996 榨菜包装用复合膜、袋.pdfVIP免费

QBT 2197-1996 榨菜包装用复合膜、袋.pdf_第1页
QBT 2197-1996 榨菜包装用复合膜、袋.pdf_第2页
QBT 2197-1996 榨菜包装用复合膜、袋.pdf_第3页
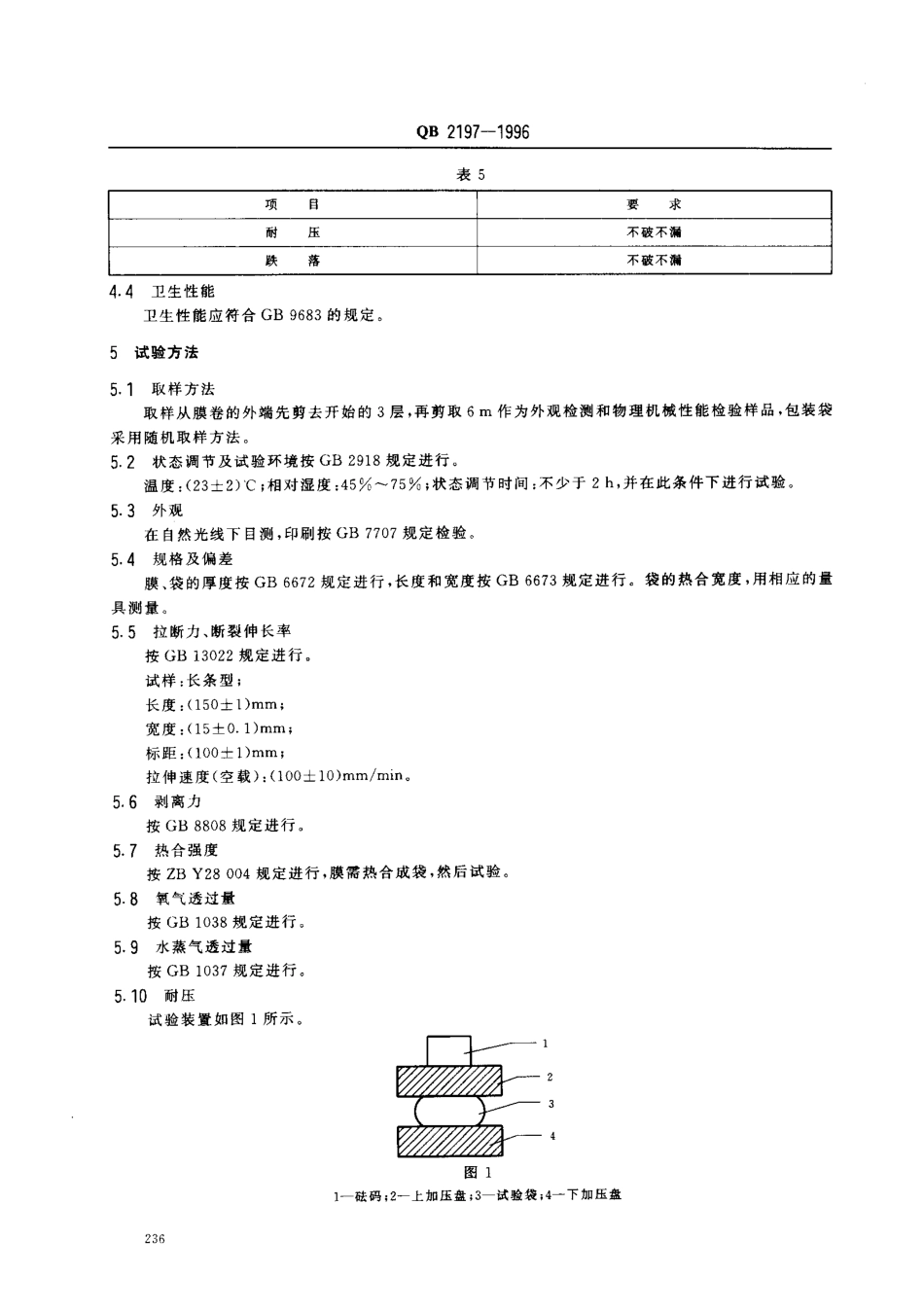
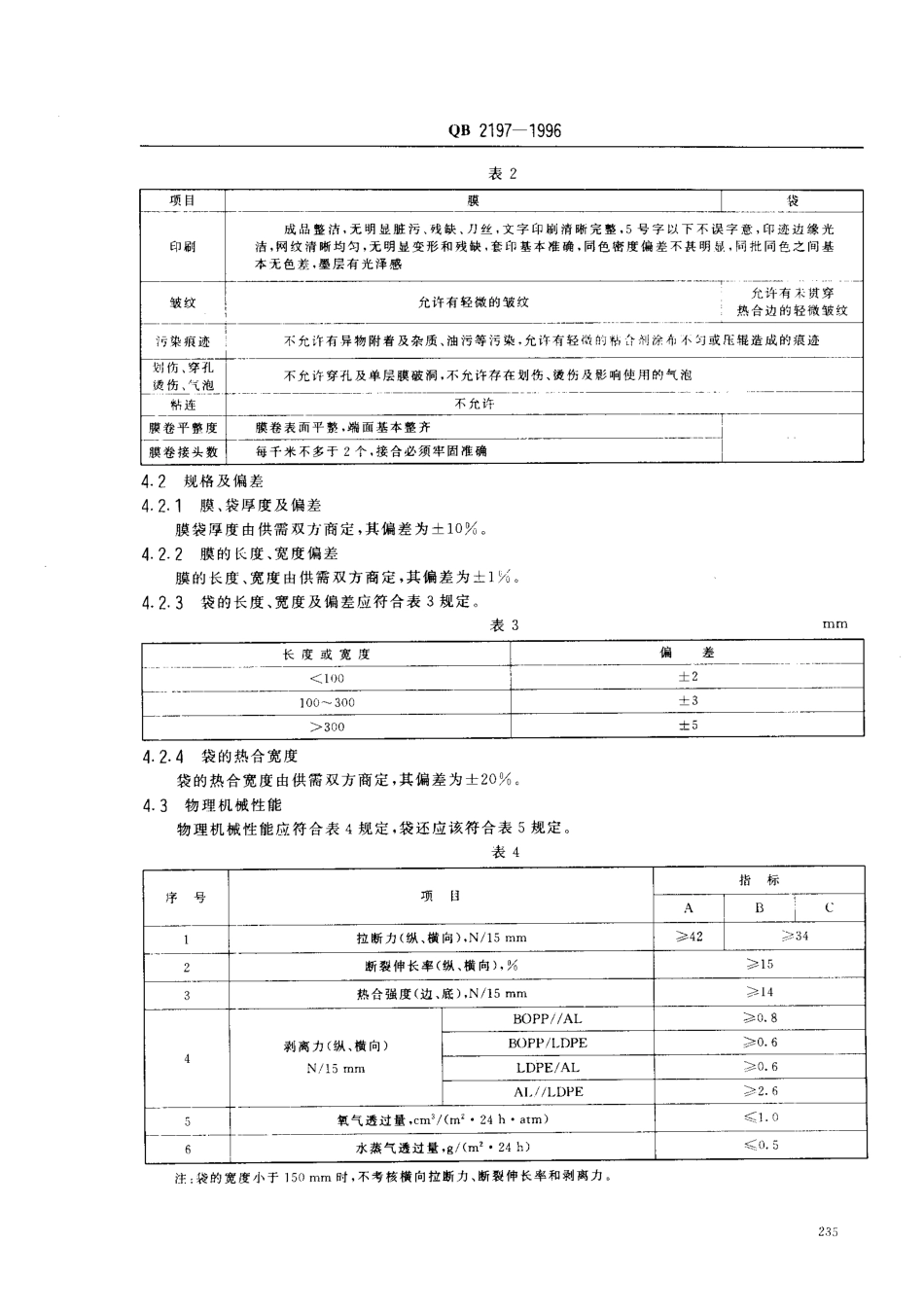
中华人民共和国轻工行业标准OB2197-1996榨菜包装用复合膜、袋1主题内容与适用范围本标准规定r榨菜包装用复合膜、袋的产品分类、技术要求、试验方法、检验规则及标志、包装、运输、贮存本标准适用犷以双向拉伸聚丙烯薄膜(BOPP),铝箔(A工J)、低密度聚乙烯(LDPE)为主要原料,经干法或挤出复合制成的榨菜包装复合膜、袋(以下简称“膜、袋”)。2引用标准GB1037塑料薄膜和片材透水蒸汽性试验方法杯式法GB1038塑料薄膜透气性试验方法GB2828逐批检查计数抽样程序抽样表(适用于连续批的检查)GB2918塑料试样状态调节和试验的标准环境G匕6672塑料薄膜和薄片厚度的测定机械测量法GB6673塑料薄膜和片材长度和宽度的测定GB7707凹版装横印刷品GB8808软质复合塑料材料剥离力试验方法GB9683复合食品包装袋卫生标准GB13022塑料薄膜拉伸性能试验方法ZBY28004塑料薄膜包装袋热合强度测定方法3产品分类3门形状膜为卷筒状,袋为U形袋。12分类按生产工艺不同,膜、袋的材料结构和材料厚度不同,分为三类,见表1e表1类别ABC材料结构BOPP//AL//LDPEBOPP//AL/LDPEBOPP//LDPE/Al-/LDPE材料厚度,p.20//7--9//40-e0z0//7-9/50-8020/0-20/-9/50-80r1本表中“刀,.符号含义为干法复合,“/”符号含义为挤出复合。4技术要求4.1外观外观应符合表2规定。中国轻工总会1996-01-31批准1996一09一01实施QB2197-1996表2项目袋膜一一印刷成品整洁,无明显脏污、残缺、刀丝,文字印刷清晰完整.5号字以下不误字意,印迹边缘光洁,网纹清晰均匀,无明显变形和残缺,套印基本准确,同色密度偏差不甚明显,同批同色之间基本无色差.墨层有光泽感皱纹允许有轻微的皱纹允许有未贯穿热合边的轻微皱纹污染痕迹,—一升-划伤、芽扎一件}ti1t鳄}绎111膜卷接头数!不允许有异物附着及杂质、油污等污染,允许有轻微的1?,介剂涂4不匀或压辊造成的痕迹不允许穿孔及单层膜破洞,不允许存在划伤、烫伤及影响使用的气泡不允许膜卷表而平整,端面基本整齐每千米不多于2个,接合必须牢固准确—----一}4.2规格及偏差4.2.1膜、袋厚度及偏差膜袋厚度由供需双方商定,其偏差为土lo%4.2.2膜的长度、宽度偏差膜的长度、宽度由供需双方商定,其偏差为士1o4.2.3袋的长度、宽度及偏差应符合表3规定表3Tl刁n飞长度或宽度<100偏差一士2___100-300士3>300士54.2.4袋的热合宽度袋的热合宽度由供需双方商定4.3物理机械性能物理机械性能应符合表4规定其偏差为士20%袋还应该符合表5规定。表4序号项目指标A一1拉断力(纵、横向).N/15mm...

1、当您付费下载文档后,您只拥有了使用权限,并不意味着购买了版权,文档只能用于自身使用,不得用于其他商业用途(如 [转卖]进行直接盈利或[编辑后售卖]进行间接盈利)。
2、本站所有内容均由合作方或网友上传,本站不对文档的完整性、权威性及其观点立场正确性做任何保证或承诺!文档内容仅供研究参考,付费前请自行鉴别。
3、如文档内容存在违规,或者侵犯商业秘密、侵犯著作权等,请点击“违规举报”。

碎片内容

蜗牛文库的最新文档

二年级数学下册其中检测卷二年级数学下册其中检测卷附答案#期中测试卷.pdf
10.00金币
0下载
二年级数学下册期末质检卷(苏教版)二年级数学下册期末质检卷(苏教版)#期末复习 #期末测试卷 #二年级数学 #二年级数学下册#关注我持续更新小学知识.pdf
10.00金币
0下载
二年级数学下册期末混合运算专项练习二年级数学下册期末混合运算专项练习#二年级#二年级数学下册#关注我持续更新小学知识 #知识分享 #家长收藏孩子受益.pdf
10.00金币
1下载
二年级数学下册年月日三类周期问题解题方法二年级数学下册年月日三类周期问题解题方法#二年级#二年级数学下册#知识分享 #关注我持续更新小学知识 #家长收藏孩子受益.pdf
10.00金币
0下载
二年级数学下册解决问题专项训练二年级数学下册解决问题专项训练#专项训练#解决问题#二年级#二年级数学下册#知识分享.pdf
10.00金币
1下载
二年级数学下册还原问题二年级数学下册还原问题#二年级#二年级数学#关注我持续更新小学知识 #知识分享 #家长收藏孩子受益.pdf
10.00金币
1下载
二年级数学下册第六单元考试卷家长打印出来给孩子测试测试争取拿到高分!#小学二年级试卷分享 #二年级第六单考试数学 #第六单考试#二年级数学下册.pdf
10.00金币
0下载
二年级数学下册必背顺口溜口诀汇总二年级数学下册必背顺口溜口诀汇总#二年级#二年级数学下册 #知识分享 #家长收藏孩子受益 #关注我持续更新小学知识.pdf
10.00金币
0下载
二年级数学下册《重点难点思维题》两大问题解决技巧和方法巧算星期几解决周期问题还原问题强化思维训练老师精心整理家长可以打印出来给孩子练习#家长收藏孩子受益 #学霸秘籍 #思维训练 #二年级 #知识点总结.pdf
10.00金币
0下载
二年级数学下册 必背公式大全寒假提前背一背开学更轻松#二年级 #二年级数学 #二年级数学下册 #寒假充电计划 #公式.pdf
10.00金币
0下载
蜗牛文库+ 关注
实名认证
内容提供者

提供各种专业文档内容

确认删除?
QQ
  • QQ点击这里给我发消息
微信客服
  • 微信客服
回到顶部