电脑桌面
添加蜗牛文库到电脑桌面
安装后可以在桌面快捷访问

QBT 1827-1993 自动回转式塑杯灌装机.pdfVIP免费

QBT 1827-1993 自动回转式塑杯灌装机.pdf_第1页
QBT 1827-1993 自动回转式塑杯灌装机.pdf_第2页
QBT 1827-1993 自动回转式塑杯灌装机.pdf_第3页
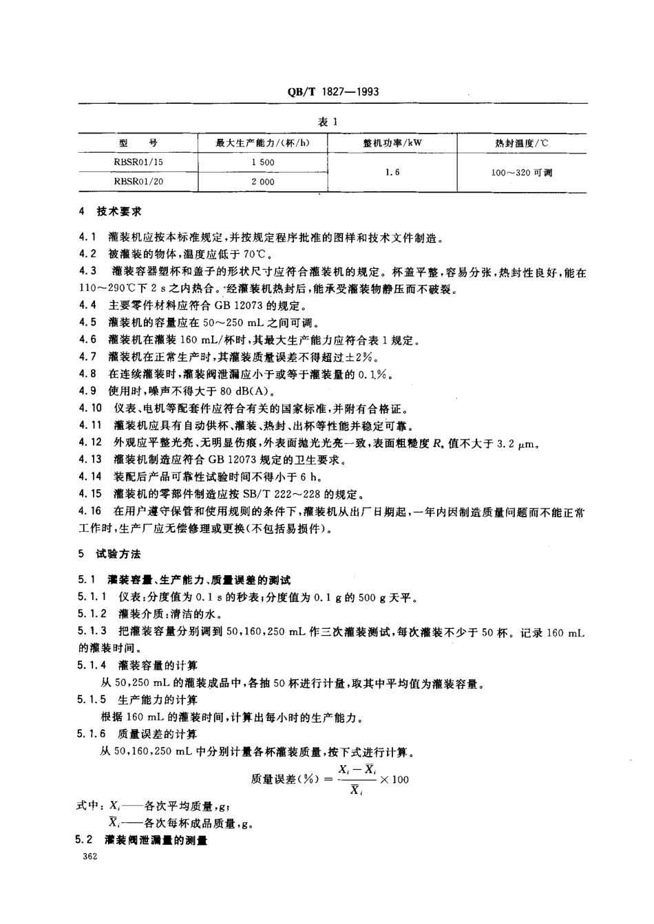
中华人民共和国轻工行业标准自动回转式塑杯灌装机QB/T1827-1993主题内容与适用范围本标准规定了自动回转式塑杯灌装机的产品分类、技术要求、试验方法、检验规则、标志、包装、运输、贮存等内容。本标准适用于灌装酸奶、果汁、鲜乳等具有一定稠度物料用的自动回转式塑杯灌装机(以下简称“灌装机,,)。2引用标准GB/T191包装储运图示标志GB/T6388运输包装收发货标志GB12073乳品设备安全卫生JB/T8产品标牌QB/T842.8轻工机械衡器通用技术条件包装QB/T1823乳品机械型号编制方法SB/T222^-228食品机械通用技术条件ZBJ50004金属切削机床噪声声压级的测定3产品分类3.1产品品种、型式3.1.1按灌装机的最大生产能力来划分,并作为主参数。3.1.2按灌装容器塑杯的形状可分:圆形和方形。3.2型号表示方法型号按QB/T1823的规定,并结合产品特点编制。3.3基本参数如表1所列。中华人民共和国轻工业部1993-07-29批准1994-03-01实施361QB/T1827-1993表1型号最大生产能力/(杯/h)整机功率/kw热封温度/℃RBSROI/15RBSR01/20100-320可调4技术要求4.1灌装机应按本标准规定,并按规定程序批准的图样和技术文件制造。4.2被灌装的物体,温度应低于70-C,4.3灌装容器塑杯和盖子的形状尺寸应符合灌装机的规定。杯盖平整,容易分张,热封性良好,能在110-290℃下2s之内热合。,经灌装机热封后,能承受灌装物静压而不破裂。4.4主要零件材料应符合GB12073的规定。4.5灌装机的容量应在50^250mL之间可调。4.6灌装机在灌装160mL/杯时,其最大生产能力应符合表1规定4.7灌装机在正常生产时,其灌装质量误差不得超过士2%04.8在连续灌装时,灌装阀泄漏应小于或等于灌装量的。.I%.4.9使用时,噪声不得大于80dB(A),4.10仪表、电机等配套件应符合有关的国家标准,并附有合格证。4.11灌装机应具有自动供杯、灌装、热封、出杯等性能并稳定可靠。4.12外观应平整光亮、无明显伤痕,外表面抛光光亮一致,表面粗糙度R。值不大于3.2Wm.4.13灌装机制造应符合GB12073规定的卫生要求。4.14装配后产品可靠性试验时间不得小于6h,4.15灌装机的零部件制造应按SB/T222-228的规定。4.16在用户遵守保管和使用规则的条件下,灌装机从出厂日期起,一年内因制造质量问题而不能正常工作时,生产厂应无偿修理或更换(不包括易损件)。5试验方法5.1滋装容f、生产能力、质f误差的测试5.1.1仪表:分度值为。.is的秒表;分度值为0.1g的500g天平。5.1.2灌装介质:清洁的水。5.1.3把灌装容量分别调到50,160,250mL作三次灌装测试,每...

1、当您付费下载文档后,您只拥有了使用权限,并不意味着购买了版权,文档只能用于自身使用,不得用于其他商业用途(如 [转卖]进行直接盈利或[编辑后售卖]进行间接盈利)。
2、本站所有内容均由合作方或网友上传,本站不对文档的完整性、权威性及其观点立场正确性做任何保证或承诺!文档内容仅供研究参考,付费前请自行鉴别。
3、如文档内容存在违规,或者侵犯商业秘密、侵犯著作权等,请点击“违规举报”。

碎片内容

蜗牛文库的最新文档

二年级数学下册其中检测卷二年级数学下册其中检测卷附答案#期中测试卷.pdf
10.00金币
0下载
二年级数学下册期末质检卷(苏教版)二年级数学下册期末质检卷(苏教版)#期末复习 #期末测试卷 #二年级数学 #二年级数学下册#关注我持续更新小学知识.pdf
10.00金币
0下载
二年级数学下册期末混合运算专项练习二年级数学下册期末混合运算专项练习#二年级#二年级数学下册#关注我持续更新小学知识 #知识分享 #家长收藏孩子受益.pdf
10.00金币
1下载
二年级数学下册年月日三类周期问题解题方法二年级数学下册年月日三类周期问题解题方法#二年级#二年级数学下册#知识分享 #关注我持续更新小学知识 #家长收藏孩子受益.pdf
10.00金币
0下载
二年级数学下册解决问题专项训练二年级数学下册解决问题专项训练#专项训练#解决问题#二年级#二年级数学下册#知识分享.pdf
10.00金币
1下载
二年级数学下册还原问题二年级数学下册还原问题#二年级#二年级数学#关注我持续更新小学知识 #知识分享 #家长收藏孩子受益.pdf
10.00金币
1下载
二年级数学下册第六单元考试卷家长打印出来给孩子测试测试争取拿到高分!#小学二年级试卷分享 #二年级第六单考试数学 #第六单考试#二年级数学下册.pdf
10.00金币
0下载
二年级数学下册必背顺口溜口诀汇总二年级数学下册必背顺口溜口诀汇总#二年级#二年级数学下册 #知识分享 #家长收藏孩子受益 #关注我持续更新小学知识.pdf
10.00金币
0下载
二年级数学下册《重点难点思维题》两大问题解决技巧和方法巧算星期几解决周期问题还原问题强化思维训练老师精心整理家长可以打印出来给孩子练习#家长收藏孩子受益 #学霸秘籍 #思维训练 #二年级 #知识点总结.pdf
10.00金币
0下载
二年级数学下册 必背公式大全寒假提前背一背开学更轻松#二年级 #二年级数学 #二年级数学下册 #寒假充电计划 #公式.pdf
10.00金币
0下载
蜗牛文库+ 关注
实名认证
内容提供者

提供各种专业文档内容

确认删除?
QQ
  • QQ点击这里给我发消息
微信客服
  • 微信客服
回到顶部