电脑桌面
添加蜗牛文库到电脑桌面
安装后可以在桌面快捷访问

QBT 1787-1993 羟基香茅醛.pdfVIP免费

QBT 1787-1993 羟基香茅醛.pdf_第1页
QBT 1787-1993 羟基香茅醛.pdf_第2页
QBT 1787-1993 羟基香茅醛.pdf_第3页
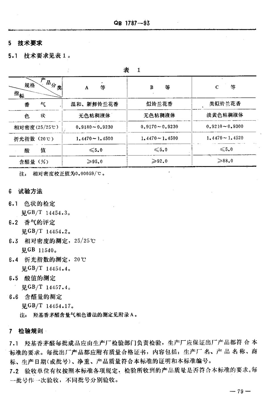
中华人民共和国行业标准QB1769-1801一93香料标准(产品标准)(7)1993-04-29发布1993-12-01实施中华人民共和国轻工业部发布中华人民共和国行业标准OB1787-93经基香茅醛1主题内容与适用范围本标准规定了经基香茅醛的技术要求、试验方法和检验规则等内容。本标准适用于从爪哇型香茅油或柠檬按叶油单离出的香茅醛经水合取代、精馏(或燕馏)而制得的经基香茅醛。2一引用标准GB/T14454.3GB/T14454.2香料色泽检定法香料香气评定法GB1154。单离及合成香料相对密度的测定通护J皿GB/TGB/TGB/T14454.14457.香料折光指数的测定单离及合成香料酸值或含酸量的测定14454.17香料毅值和毅基化合物含量的测定游离经胺法GB11539单离及合成香料填充柱气相色谱分析’通用法3产品分类经基香茅醛产品按含醛量分成三等。3.1A等含醛量i95.0%a3.2B等含醛量)92.0%o3.3C等含醛量异88.0%o4产品化学名称、分子式、结构式、分子量化学名称3,7一二甲基一7-翔基辛醛分子式CIaHzaO.结构式CH,}/\1cH,\}H,C-C-OHIcx,分子量172.27(按1987年国际原子量)中华人民共和国轻..T_业部1993-04-29批准1993-12-01实施0.1787-53技术要求技术要求见表1。.表1森\、产品,、{}一二露兰全逻一立二一牛二丫1一牛Cr一一..f一-LIimfpl一一11jwftt}一lcnjw}f`'7Eb一色一色一~-一奥竺掣奥一阵婴t}a<51}t1}14;塑里竺竺一25/25t)__少slxo二旦竺一30一0.9一70-,u.uzju一,V.9L111^}U.9JVU折光指数(200C)1.4470^-1.45001.4470--1.45001.4470-1.4520酸值<5.0蕊5.0<5.0含醛量(%)}>95.0注:相对密度校正值为0.00059/0C。>92.0>88.06试验方法6.1色状的检定见GB/T14454.3.6.2香气的评定见GB/T14454.2.6.3相对密度的测定,25/251C见GB11540,6.4折光指数的测定,201C见GB/T14454.4.6.5酸值的测定见GB/T14457.406.6含醛量的测定见GB/T14454.17a注:狰基香茅醛含量气相色谱法的测定见附录A.7检验规则7.1经基香茅醛每批成品应由生产厂检验部门负责检验,生产厂应保证出厂产品都符合本标准的要求。每批出厂产品都应附有质量合格证书,内容包括:生产厂名、产品名称、商标、生产日期(或批号)、净重、产品质量符合本标准的证明和本标准编号。7.2验收单位有权按照本标准各项规定,检验所收到的产.u,11质量是否符合本标准的要求。每一批号作一次验收,不同批号分别验收。一79一(Z81787-937.3每批包装单位在100桶(听)以下抽取二桶(听),100桶(听)以上抽取三桶(听)。开启包装后外观检查应无水分和杂质,然后振摇使其充分混匀,再用玻璃取...

1、当您付费下载文档后,您只拥有了使用权限,并不意味着购买了版权,文档只能用于自身使用,不得用于其他商业用途(如 [转卖]进行直接盈利或[编辑后售卖]进行间接盈利)。
2、本站所有内容均由合作方或网友上传,本站不对文档的完整性、权威性及其观点立场正确性做任何保证或承诺!文档内容仅供研究参考,付费前请自行鉴别。
3、如文档内容存在违规,或者侵犯商业秘密、侵犯著作权等,请点击“违规举报”。

碎片内容

蜗牛文库的最新文档

二年级数学下册其中检测卷二年级数学下册其中检测卷附答案#期中测试卷.pdf
10.00金币
0下载
二年级数学下册期末质检卷(苏教版)二年级数学下册期末质检卷(苏教版)#期末复习 #期末测试卷 #二年级数学 #二年级数学下册#关注我持续更新小学知识.pdf
10.00金币
0下载
二年级数学下册期末混合运算专项练习二年级数学下册期末混合运算专项练习#二年级#二年级数学下册#关注我持续更新小学知识 #知识分享 #家长收藏孩子受益.pdf
10.00金币
1下载
二年级数学下册年月日三类周期问题解题方法二年级数学下册年月日三类周期问题解题方法#二年级#二年级数学下册#知识分享 #关注我持续更新小学知识 #家长收藏孩子受益.pdf
10.00金币
0下载
二年级数学下册解决问题专项训练二年级数学下册解决问题专项训练#专项训练#解决问题#二年级#二年级数学下册#知识分享.pdf
10.00金币
1下载
二年级数学下册还原问题二年级数学下册还原问题#二年级#二年级数学#关注我持续更新小学知识 #知识分享 #家长收藏孩子受益.pdf
10.00金币
1下载
二年级数学下册第六单元考试卷家长打印出来给孩子测试测试争取拿到高分!#小学二年级试卷分享 #二年级第六单考试数学 #第六单考试#二年级数学下册.pdf
10.00金币
0下载
二年级数学下册必背顺口溜口诀汇总二年级数学下册必背顺口溜口诀汇总#二年级#二年级数学下册 #知识分享 #家长收藏孩子受益 #关注我持续更新小学知识.pdf
10.00金币
0下载
二年级数学下册《重点难点思维题》两大问题解决技巧和方法巧算星期几解决周期问题还原问题强化思维训练老师精心整理家长可以打印出来给孩子练习#家长收藏孩子受益 #学霸秘籍 #思维训练 #二年级 #知识点总结.pdf
10.00金币
0下载
二年级数学下册 必背公式大全寒假提前背一背开学更轻松#二年级 #二年级数学 #二年级数学下册 #寒假充电计划 #公式.pdf
10.00金币
0下载
蜗牛文库+ 关注
实名认证
内容提供者

提供各种专业文档内容

确认删除?
QQ
  • QQ点击这里给我发消息
微信客服
  • 微信客服
回到顶部