电脑桌面
添加蜗牛文库到电脑桌面
安装后可以在桌面快捷访问

QBT 1648-1992 聚乙烯着色母料.pdfVIP免费

QBT 1648-1992 聚乙烯着色母料.pdf_第1页
QBT 1648-1992 聚乙烯着色母料.pdf_第2页
QBT 1648-1992 聚乙烯着色母料.pdf_第3页
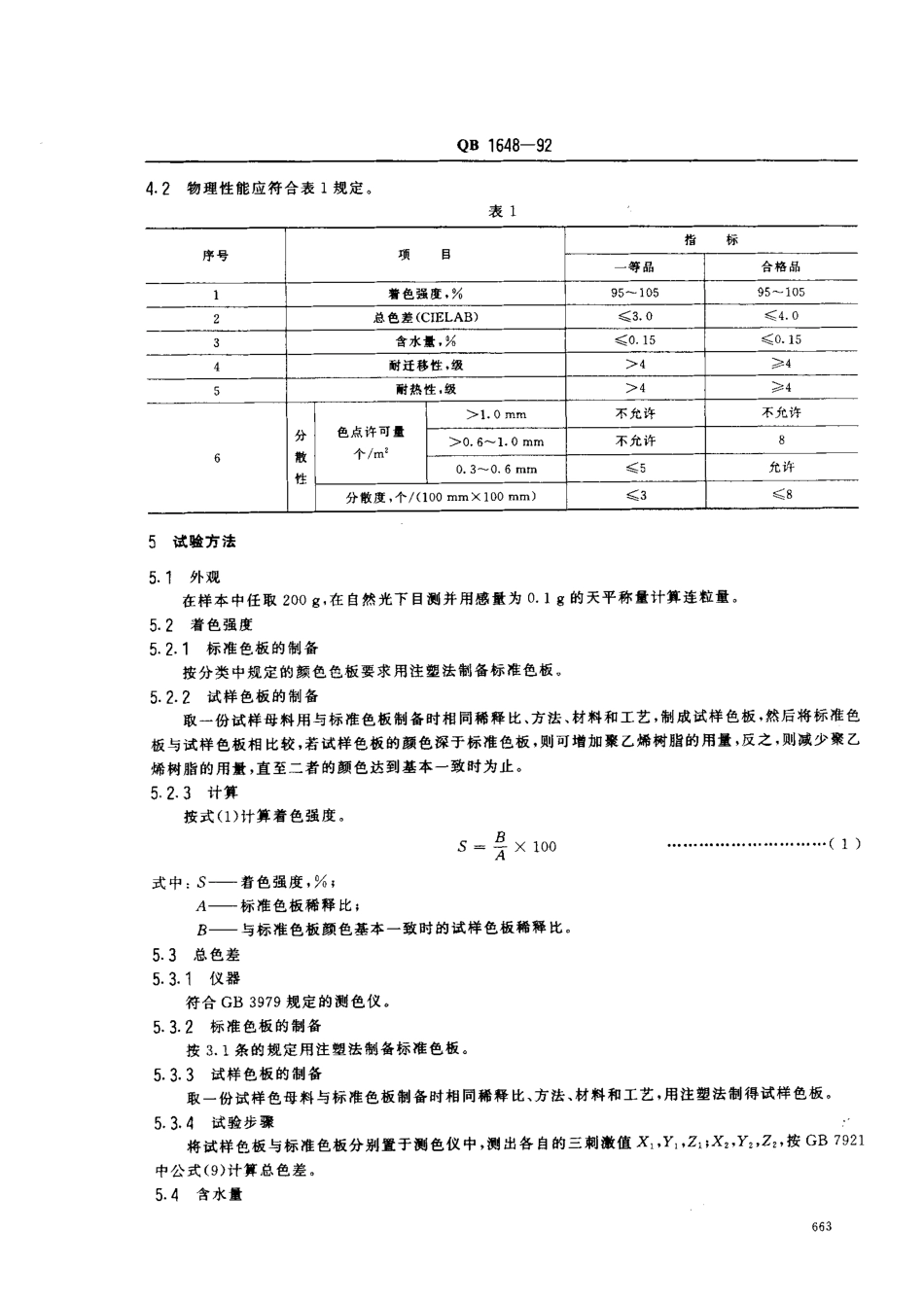
中华人民共和国轻工行业标准QB1648-92聚乙烯着色母料1主皿内容与适用范围本标准规定了聚乙烯着色母料(以下简称色母料)的产品分类、技术要求、试验方法、检验规则和标志、包装、运输、贮存。本标准适用于以聚乙烯树脂和颜料为主要原料,经挤出造粒的色母料。2引用标准GB25。评定变色用灰色样卡GB251评定沾色用灰色样卡GB3979物体色的测量方法GB7921均匀色空间和色差公式3产品分类31产品代号EXXX一XX色母料稀释比各厂自定的色彩代号一颜色系统命名的色相类别代号1(黄色),2(橙色),3(红色)4(紫色),5(蓝色),6(绿色)7(棕色),S(白色),9(灰色)0(黑色)载体代号示例:E416-25聚乙烯紫色16号母料,稀释比为2503.2产品规格色母料颗粒的大小与所用的聚乙烯颖粒的大小相近。4技术要求4.1外观色母料应为大小均匀的粒料,表面光洁,色泽一致,不允许有超过二粒的连粒,二粒连粒料许可量不大于0.2%.中华人民共和国轻工业部1993一01一15批准1993一09一01实施QB1648-924.2物理性能应符合表1规定。表1序号项目指标一等品合格品1着色强度,%95-10595-1052总色差(CIELAB)镇3.0<4.03含水量,%4>45耐热性,级>4>46分散性色点许可量个/mZ>1.0--不允许不允许>0.6-1.0mm不允许80.3-0.6mm<5允许分散度,个/(100mmX100mm)<3<85试验方法5.1外观在样本中任取200g,在自然光下目测并用感量为。.Ig的天平称量计算连粒量。5.2着色强度5.2.1标准色板的制备按分类中规定的颜色色板要求用注塑法制备标准色板5.2.2试样色板的制备取一份试样母料用与标准色板制备时相同稀释比、方法、材料和工艺,制成试样色板,然后将标准色板与试样色板相比较,若试样色板的颜色深于标准色板,则可增加聚乙烯树脂的用量,反之,则减少聚乙烯树脂的用虽,直至二者的颜色达到基本一致时为止。5.2.式中3计算按式(1)计算着色强度。100.......·..·..·....·.·..。⋯(1)又B一A一-S5.35.3.1s着色强度,%;A—标准色板稀释比;B—与标准色板颜色基本一致时的试样色板稀释比。总色差仪器符合GB3979规定的测色仪。5.3.2标准色板的制备按3.1条的规定用注塑法制备标准色板。5.3.3试样色板的制备取一份试样色母料与标准色板制备时相同稀释比、方法、材料和工艺,用注塑法制得试样色板。5.3.4试验步骤_将试样色板与标准色板分别置于测色仪中,测出各自的三刺激值Xi,YZ1;X2,Yz,Zz,按GB7921中公式(9)计算总色差。5.4含水量663QB1648-925.4.1仪器a.称量瓶;b.恒温烘箱;c分析天平感量。,1mg;d.干...

1、当您付费下载文档后,您只拥有了使用权限,并不意味着购买了版权,文档只能用于自身使用,不得用于其他商业用途(如 [转卖]进行直接盈利或[编辑后售卖]进行间接盈利)。
2、本站所有内容均由合作方或网友上传,本站不对文档的完整性、权威性及其观点立场正确性做任何保证或承诺!文档内容仅供研究参考,付费前请自行鉴别。
3、如文档内容存在违规,或者侵犯商业秘密、侵犯著作权等,请点击“违规举报”。

碎片内容

蜗牛文库的最新文档

二年级数学下册其中检测卷二年级数学下册其中检测卷附答案#期中测试卷.pdf
10.00金币
0下载
二年级数学下册期末质检卷(苏教版)二年级数学下册期末质检卷(苏教版)#期末复习 #期末测试卷 #二年级数学 #二年级数学下册#关注我持续更新小学知识.pdf
10.00金币
0下载
二年级数学下册期末混合运算专项练习二年级数学下册期末混合运算专项练习#二年级#二年级数学下册#关注我持续更新小学知识 #知识分享 #家长收藏孩子受益.pdf
10.00金币
1下载
二年级数学下册年月日三类周期问题解题方法二年级数学下册年月日三类周期问题解题方法#二年级#二年级数学下册#知识分享 #关注我持续更新小学知识 #家长收藏孩子受益.pdf
10.00金币
0下载
二年级数学下册解决问题专项训练二年级数学下册解决问题专项训练#专项训练#解决问题#二年级#二年级数学下册#知识分享.pdf
10.00金币
1下载
二年级数学下册还原问题二年级数学下册还原问题#二年级#二年级数学#关注我持续更新小学知识 #知识分享 #家长收藏孩子受益.pdf
10.00金币
1下载
二年级数学下册第六单元考试卷家长打印出来给孩子测试测试争取拿到高分!#小学二年级试卷分享 #二年级第六单考试数学 #第六单考试#二年级数学下册.pdf
10.00金币
0下载
二年级数学下册必背顺口溜口诀汇总二年级数学下册必背顺口溜口诀汇总#二年级#二年级数学下册 #知识分享 #家长收藏孩子受益 #关注我持续更新小学知识.pdf
10.00金币
0下载
二年级数学下册《重点难点思维题》两大问题解决技巧和方法巧算星期几解决周期问题还原问题强化思维训练老师精心整理家长可以打印出来给孩子练习#家长收藏孩子受益 #学霸秘籍 #思维训练 #二年级 #知识点总结.pdf
10.00金币
0下载
二年级数学下册 必背公式大全寒假提前背一背开学更轻松#二年级 #二年级数学 #二年级数学下册 #寒假充电计划 #公式.pdf
10.00金币
0下载
蜗牛文库+ 关注
实名认证
内容提供者

提供各种专业文档内容

确认删除?
QQ
  • QQ点击这里给我发消息
微信客服
  • 微信客服
回到顶部