电脑桌面
添加蜗牛文库到电脑桌面
安装后可以在桌面快捷访问

QBT 1825-1993 双套盘管超高温灭菌机.pdfVIP免费

QBT 1825-1993 双套盘管超高温灭菌机.pdf_第1页
QBT 1825-1993 双套盘管超高温灭菌机.pdf_第2页
QBT 1825-1993 双套盘管超高温灭菌机.pdf_第3页
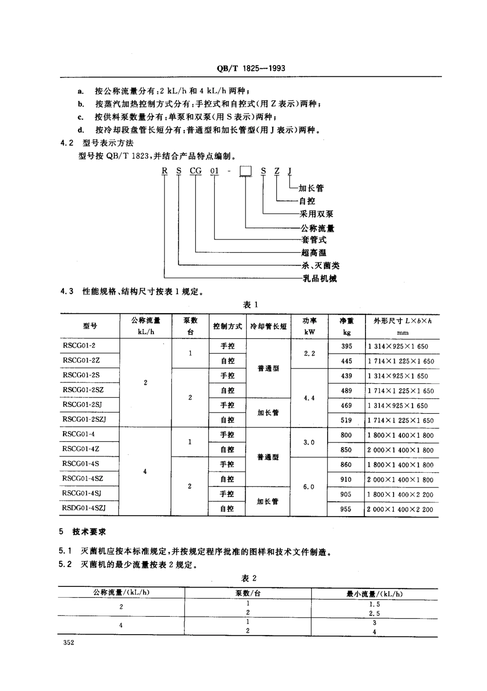
中华人民共和国轻工行业标准双套盘管超高温灭菌机QB/T1825-1993飞主题内容与适用范围本标准规定了双套盘管超高温灭菌机的术语、产品分类、技术要求、试验方法、检验规则、标志、包装、运输、贮存等内容。本标准适用于乳与乳制品及低粘度流体食品灭菌用的双套盘管超高温灭菌机(以下简称“灭菌机,’)。2引用标准GB150钢制压力容器GB/T191包装储运图示标志GB/T3323钢熔化焊对接接头射线照相和质量分级GB/T6388运输包装收发货标志GB12073乳品设备安全卫生JB/T8产品标牌QB/T842.8轻工机械衡器通用技术条件包装QB/T1823乳品机械型号编制方法QB/T1826离心式卫生泵ZBJ50004金属切削机床噪声声压级的测定3术语3.13.23.33.43.5双套盘管:两根不同直径的管子,套人后加工成同心度一致的盘管结构。超高温:牛乳灭菌的一种工艺,温度标准是135^-1500C;时间标准是2^-8,。杀菌:完全杀灭病原菌,并以抑制其他微生物之发育而不损坏牛乳之风味和营养价值。灭菌:经加热处理后牛乳完全不含细菌或活抱子。杀菌效率:是以杀菌前后抱子数比的对数值来表示。SE值用来评价超高温杀菌效果。SE=1g起始抱子数最终抱子数式中:SE—灭菌效率;起始抱子数—个/ML;最终抱子数—个/mL.3.6单泵:整机中只安装一台泵。3.7双泵:整机中需安装两台泵。3.8加长管:增加冷却段盘管的长度。4产品分类4.1产品品种、型式、规格中华人民共和国轻工业部1993-07-29批准1994-03-01实施351QB/T1825-1993a.按公称流量分有:2kL/h和4kL/h两种,b按蒸汽加热控制方式分有:手控式和自控式(用Z表示)两种;c按供料泵数量分有:单泵和双泵(用S表示)两种;d.按冷却段盘管长短分有:普通型和加长管型(用J表示)两种。4.2型号表示方法型号按QB/T1823,并结合产品特点编制。4.3性能规格、结构尺寸按表1规定。表1型号公称流tkL/h泵数台控制方式冷却管长短瞥kW*1kg外形尺寸LXbXhp、r丫1RSCGO1-221手控普通型2.23951314X925X1650RSCGOI-2Z自控4451714又1225只1650RSCGOI-2S2手控4.44391314X925X1650RSCGOI-2SZ自控4891714X1225X1650RSCGOI-2SJ手控加长管4691314X925火1650RSCGOI-2SZJ自控5191714X1225X1650RSCGOI-441手控普通型3.08001800X1400X1800RSCGOI-4Z自控8502000X1400X1800RSCGOI-4S2手控6.08601800火1400又1800RSCGOI-4SZ自控9102000X1400X1800RSCGOI-4SJ手控加长管9051800X1400X2200RSDC01-4SZJ自控9552000K1400X22005技术要求5.1灭菌机应按本标准规定,并按规定程序批准的图样和技术文件制造。5.2灭菌机的最少流量按...

1、当您付费下载文档后,您只拥有了使用权限,并不意味着购买了版权,文档只能用于自身使用,不得用于其他商业用途(如 [转卖]进行直接盈利或[编辑后售卖]进行间接盈利)。
2、本站所有内容均由合作方或网友上传,本站不对文档的完整性、权威性及其观点立场正确性做任何保证或承诺!文档内容仅供研究参考,付费前请自行鉴别。
3、如文档内容存在违规,或者侵犯商业秘密、侵犯著作权等,请点击“违规举报”。

碎片内容

蜗牛文库的最新文档

二年级数学下册其中检测卷二年级数学下册其中检测卷附答案#期中测试卷.pdf
10.00金币
0下载
二年级数学下册期末质检卷(苏教版)二年级数学下册期末质检卷(苏教版)#期末复习 #期末测试卷 #二年级数学 #二年级数学下册#关注我持续更新小学知识.pdf
10.00金币
0下载
二年级数学下册期末混合运算专项练习二年级数学下册期末混合运算专项练习#二年级#二年级数学下册#关注我持续更新小学知识 #知识分享 #家长收藏孩子受益.pdf
10.00金币
1下载
二年级数学下册年月日三类周期问题解题方法二年级数学下册年月日三类周期问题解题方法#二年级#二年级数学下册#知识分享 #关注我持续更新小学知识 #家长收藏孩子受益.pdf
10.00金币
0下载
二年级数学下册解决问题专项训练二年级数学下册解决问题专项训练#专项训练#解决问题#二年级#二年级数学下册#知识分享.pdf
10.00金币
1下载
二年级数学下册还原问题二年级数学下册还原问题#二年级#二年级数学#关注我持续更新小学知识 #知识分享 #家长收藏孩子受益.pdf
10.00金币
1下载
二年级数学下册第六单元考试卷家长打印出来给孩子测试测试争取拿到高分!#小学二年级试卷分享 #二年级第六单考试数学 #第六单考试#二年级数学下册.pdf
10.00金币
0下载
二年级数学下册必背顺口溜口诀汇总二年级数学下册必背顺口溜口诀汇总#二年级#二年级数学下册 #知识分享 #家长收藏孩子受益 #关注我持续更新小学知识.pdf
10.00金币
0下载
二年级数学下册《重点难点思维题》两大问题解决技巧和方法巧算星期几解决周期问题还原问题强化思维训练老师精心整理家长可以打印出来给孩子练习#家长收藏孩子受益 #学霸秘籍 #思维训练 #二年级 #知识点总结.pdf
10.00金币
0下载
二年级数学下册 必背公式大全寒假提前背一背开学更轻松#二年级 #二年级数学 #二年级数学下册 #寒假充电计划 #公式.pdf
10.00金币
0下载
蜗牛文库+ 关注
实名认证
内容提供者

提供各种专业文档内容

确认删除?
QQ
  • QQ点击这里给我发消息
微信客服
  • 微信客服
回到顶部