电脑桌面
添加蜗牛文库到电脑桌面
安装后可以在桌面快捷访问

QBT 1612-1992 红焖大头菜罐头.pdfVIP免费

QBT 1612-1992 红焖大头菜罐头.pdf_第1页
QBT 1612-1992 红焖大头菜罐头.pdf_第2页
QBT 1612-1992 红焖大头菜罐头.pdf_第3页
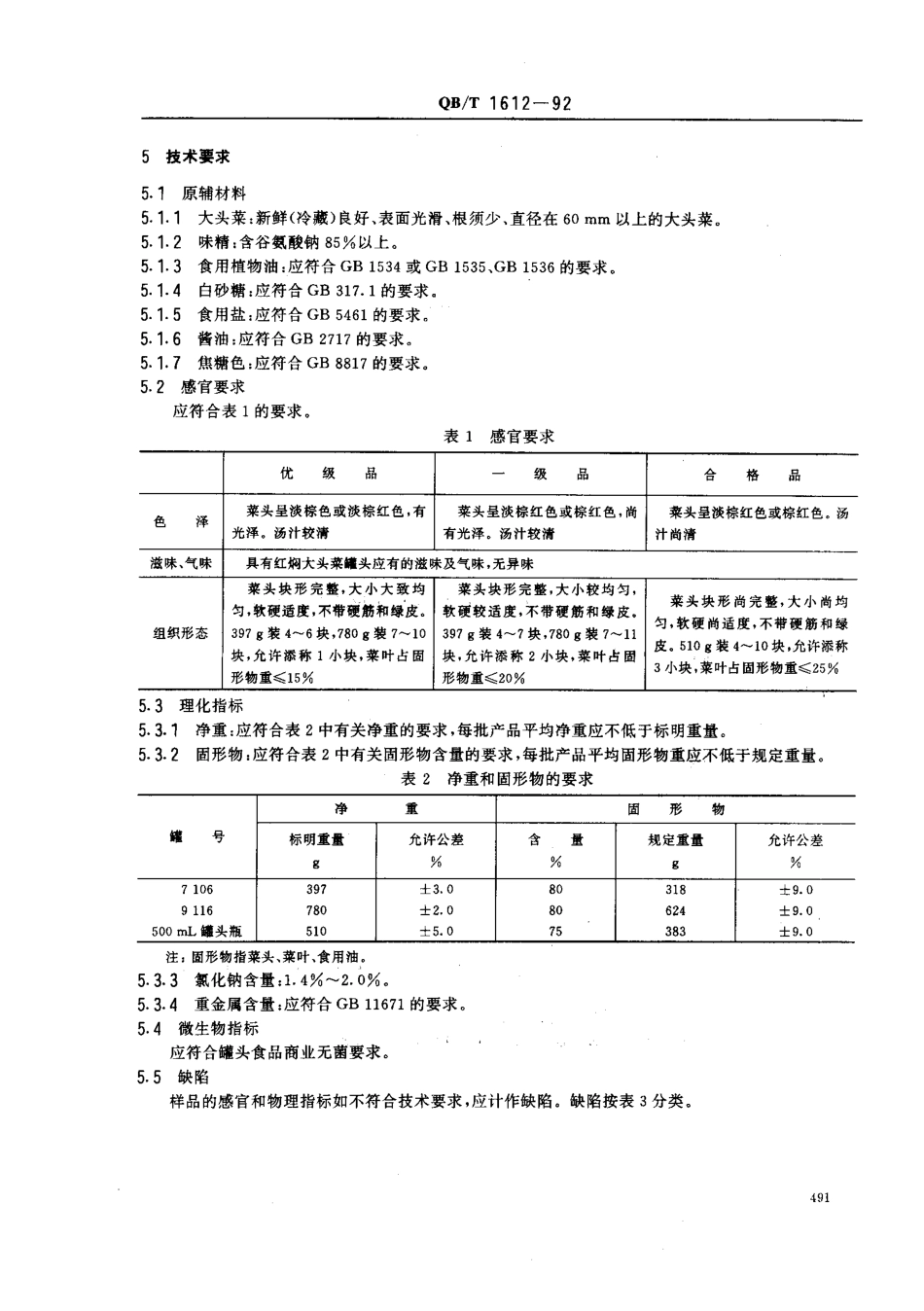
中华人民共和国轻工行业标准红炯大头菜罐头QB/T1612一92Cannedtuberous-rootedmustardbraised1主题内容与适用范围本标准规定了红炯大头莱罐头的产品分类、技术要求、试验方法、检验规则和标志、包装、运输、贮存的基本要求。本标准适用于以新鲜(冷藏)大头菜为原料,经预处理、调味、炯烤、装罐、密封、杀菌制成的红炯大头菜罐头。231用标准GB317.1白砂搪GB1534花生油GB1535大豆油GB1536菜籽油GB2717酱油卫生标准GB4789.26食品卫生微生物学检验罐头食品商业无菌的检验GB5009.11食品中总砷的测定方法GB5009.12食品中铅的测定方法GB5009.13食品中铜的测定方法GB5009.16食品中锡的测定方法GB5461食用盐GB11671果蔬类罐头食品卫生标准GB/T12457食品中抓化钠的测定方法ZBX70004罐头食品的感官检验ZBX70005罐头食品包装、标志、运输和贮存QB1006罐头食品检验规则QB1007雄头食品净重和固形物含量的测定3术语3.1硬筋大头菜中的粗纤维组织。3.2绿皮大头菜表皮带有绿色,经炯烤后仍呈绿色的皮。4产品分类中华人民共和国轻工业部1992一11一10批准1993一07一01实施QB/T1612一925技术要求5.,原辅材料5.1.1大头菜:新鲜(冷藏)良好、表面光滑、根须少、直径在60mm以上的大头菜。5.1.2味精:含谷氨酸钠85%以上。5.1.3食用植物油:应符合GB1534或GB1535,GB1536的要求。5.1.4白砂糖:应符合GB317.1的要求。5.1.5食用盐:应符合GB5461的要求。5.1.6酱油:应符合GB2717的要求。5.1.7焦糖色:应符合GB8817的要求。5.2感官要求应符合表1的要求。表1感官要求优级品一级品合格品色泽菜头呈淡棕色或淡棕红色,有光泽。汤汁较清菜头呈淡棕红色或棕红色,尚有光泽。汤汁较清菜头呈淡棕红色或棕红色。汤汁尚清滋味、气味具有红炯大头菜姚头应有的滋味及气味,无异味组织形态菜头块形完整。大小大致均匀,软硬适度,不带硬筋和绿皮。397g装4^-6块,780g装7^-10块,允许添称1小块,菜叶占固形物重蕊15%菜头块形完整,大小较均匀,软硬较适度,不带硬筋和绿皮.397g装4-7块,780g装7^11块,允许添称2小块,菜叶占固形物重簇20%菜头块形尚完整,大小尚均匀,软硬尚适度,不带硬筋和绿皮.510g装4^-10块,允许添称3小块,菜叶占固形物重6255.3理化指标5.3.,净重:应符合表2中有关净重的要求,每批产品平均净重应不低于标明重量。5.3.2固形物:应符合表2中有关固形物含量的要求,每批产品平均固形物重应不低于规定重量。表2净重和固形物的尊求峪号净重固形物标明重量g允许公差%含量%规定重量9允...

1、当您付费下载文档后,您只拥有了使用权限,并不意味着购买了版权,文档只能用于自身使用,不得用于其他商业用途(如 [转卖]进行直接盈利或[编辑后售卖]进行间接盈利)。
2、本站所有内容均由合作方或网友上传,本站不对文档的完整性、权威性及其观点立场正确性做任何保证或承诺!文档内容仅供研究参考,付费前请自行鉴别。
3、如文档内容存在违规,或者侵犯商业秘密、侵犯著作权等,请点击“违规举报”。

碎片内容

蜗牛文库的最新文档

二年级数学下册其中检测卷二年级数学下册其中检测卷附答案#期中测试卷.pdf
10.00金币
0下载
二年级数学下册期末质检卷(苏教版)二年级数学下册期末质检卷(苏教版)#期末复习 #期末测试卷 #二年级数学 #二年级数学下册#关注我持续更新小学知识.pdf
10.00金币
0下载
二年级数学下册期末混合运算专项练习二年级数学下册期末混合运算专项练习#二年级#二年级数学下册#关注我持续更新小学知识 #知识分享 #家长收藏孩子受益.pdf
10.00金币
1下载
二年级数学下册年月日三类周期问题解题方法二年级数学下册年月日三类周期问题解题方法#二年级#二年级数学下册#知识分享 #关注我持续更新小学知识 #家长收藏孩子受益.pdf
10.00金币
0下载
二年级数学下册解决问题专项训练二年级数学下册解决问题专项训练#专项训练#解决问题#二年级#二年级数学下册#知识分享.pdf
10.00金币
1下载
二年级数学下册还原问题二年级数学下册还原问题#二年级#二年级数学#关注我持续更新小学知识 #知识分享 #家长收藏孩子受益.pdf
10.00金币
1下载
二年级数学下册第六单元考试卷家长打印出来给孩子测试测试争取拿到高分!#小学二年级试卷分享 #二年级第六单考试数学 #第六单考试#二年级数学下册.pdf
10.00金币
0下载
二年级数学下册必背顺口溜口诀汇总二年级数学下册必背顺口溜口诀汇总#二年级#二年级数学下册 #知识分享 #家长收藏孩子受益 #关注我持续更新小学知识.pdf
10.00金币
0下载
二年级数学下册《重点难点思维题》两大问题解决技巧和方法巧算星期几解决周期问题还原问题强化思维训练老师精心整理家长可以打印出来给孩子练习#家长收藏孩子受益 #学霸秘籍 #思维训练 #二年级 #知识点总结.pdf
10.00金币
0下载
二年级数学下册 必背公式大全寒假提前背一背开学更轻松#二年级 #二年级数学 #二年级数学下册 #寒假充电计划 #公式.pdf
10.00金币
0下载
蜗牛文库+ 关注
实名认证
内容提供者

提供各种专业文档内容

确认删除?
QQ
  • QQ点击这里给我发消息
微信客服
  • 微信客服
回到顶部