电脑桌面
添加蜗牛文库到电脑桌面
安装后可以在桌面快捷访问

QBT 1688-1993 糖水染色樱桃罐头.pdfVIP免费

QBT 1688-1993 糖水染色樱桃罐头.pdf_第1页
QBT 1688-1993 糖水染色樱桃罐头.pdf_第2页
QBT 1688-1993 糖水染色樱桃罐头.pdf_第3页
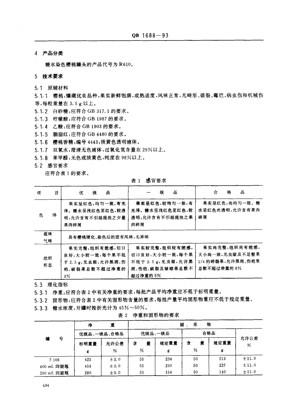
中华人民共和国轻工行业标准糖水染色樱桃罐头QB1688一93Cannedmaraschinocherriesinsyrup1主题内容与适用范围本标准规定了搪水染色樱桃罐头的产品分类、技术要求、试验方法、检验规则和标志、包装、运输、贮存的基本要求。本标准适用于以樱桃为原料,经硬化去核、染色、糖演等加工处理后装嫩,加糖水、密封、杀菌制成的搪水染色樱桃罐头。2引用标准GB317GB1903GB1987GB4480GB4789.GB5009.GB5009.GB5009.GB5009.GB5009.GB10788GB11671QB1006QB1007白砂糖食品添加剂乙酸(醋酸)。食品添加剂柠檬酸食品添加剂胭脂红?6食品卫生微生物学检验11食品中总砷的测定方法12食品中铅的测定方法13食品中铜的测定方法16食品中锡的测定方法35食品中着色剂的测定方法嫩头食品商业无菌的检验罐头食品中可溶性固形物含量的测定果蔬类嫩头食品卫生标准罐头食品检验规则雄头食品净重和固形物含量的测定折光计法ZBX70004罐头食品的感官检验ZBX70005娜头食品包装、标志、运输和贮存食品中二氧化硫的测定方法3术语3.1破裂樱桃因去核或处理不良,引起的成品果破裂长度大于果实周长1/4者。3.2黑斑樱桃在生长过程中,因受叶磨、风扫伤等,致使表皮发黑或染色后仍然发黑的斑点。3.3皱缩樱桃表面有严重皱纹。中华人民共和国轻工业部1993一03一28批准1993一10一01实施QB1688一934产品分类糖水染色樱桃罐头的产品代号为R610,5技术要求5.1原辅材料511樱桃:罐藏优良品种,果实新鲜饱满,成熟适度,风味正常,无畸形、破裂、霉烂、病虫伤和机械伤等,每粒重量在3.5g以上。5.1.2白砂糖:应符合GB317.1的要求。5.1.3柠檬酸:应符合GB1987的要求。5.1.4乙酸:应符合GB1903的要求。5.1.5胭脂红:应符合GB448。的要求。5.1.6樱桃香精:编号4443,淡黄色透明液体。5.1.7双氧水:澄清无色液体,过氧化氢含量在29%以上。5.1.8苯甲醛:无色或淡黄色,纯度在98%以上。5.2感官要求应符合表1的要求。表1感官要求项目优级品一级品合格品色泽果实呈红色,均匀一致,有光泽。糖水呈浅红色至红色,较透明,允许含有不引起混浊之少量果肉碎屑果实呈红色,较均匀一致,有光泽.特水呈浅红色至红色,较透明,允许含有不引起混浊之果肉碎屑果实呈红色,尚均匀一致。糖水呈红色尚透明,允许含有果肉碎屑滋味气味具有樱桃硬化、染色后的固有风味,无异味组织形态果实完整,组织有脆感,切口良好,大小较一致,每个果不低于2.5g,无虫眼,允许黑斑、伤疤、破裂果总数不超过净重的3%果实较完整,组织较有脆感,切口良好...

1、当您付费下载文档后,您只拥有了使用权限,并不意味着购买了版权,文档只能用于自身使用,不得用于其他商业用途(如 [转卖]进行直接盈利或[编辑后售卖]进行间接盈利)。
2、本站所有内容均由合作方或网友上传,本站不对文档的完整性、权威性及其观点立场正确性做任何保证或承诺!文档内容仅供研究参考,付费前请自行鉴别。
3、如文档内容存在违规,或者侵犯商业秘密、侵犯著作权等,请点击“违规举报”。

碎片内容

蜗牛文库的最新文档

二年级数学下册其中检测卷二年级数学下册其中检测卷附答案#期中测试卷.pdf
10.00金币
0下载
二年级数学下册期末质检卷(苏教版)二年级数学下册期末质检卷(苏教版)#期末复习 #期末测试卷 #二年级数学 #二年级数学下册#关注我持续更新小学知识.pdf
10.00金币
0下载
二年级数学下册期末混合运算专项练习二年级数学下册期末混合运算专项练习#二年级#二年级数学下册#关注我持续更新小学知识 #知识分享 #家长收藏孩子受益.pdf
10.00金币
1下载
二年级数学下册年月日三类周期问题解题方法二年级数学下册年月日三类周期问题解题方法#二年级#二年级数学下册#知识分享 #关注我持续更新小学知识 #家长收藏孩子受益.pdf
10.00金币
0下载
二年级数学下册解决问题专项训练二年级数学下册解决问题专项训练#专项训练#解决问题#二年级#二年级数学下册#知识分享.pdf
10.00金币
1下载
二年级数学下册还原问题二年级数学下册还原问题#二年级#二年级数学#关注我持续更新小学知识 #知识分享 #家长收藏孩子受益.pdf
10.00金币
1下载
二年级数学下册第六单元考试卷家长打印出来给孩子测试测试争取拿到高分!#小学二年级试卷分享 #二年级第六单考试数学 #第六单考试#二年级数学下册.pdf
10.00金币
0下载
二年级数学下册必背顺口溜口诀汇总二年级数学下册必背顺口溜口诀汇总#二年级#二年级数学下册 #知识分享 #家长收藏孩子受益 #关注我持续更新小学知识.pdf
10.00金币
0下载
二年级数学下册《重点难点思维题》两大问题解决技巧和方法巧算星期几解决周期问题还原问题强化思维训练老师精心整理家长可以打印出来给孩子练习#家长收藏孩子受益 #学霸秘籍 #思维训练 #二年级 #知识点总结.pdf
10.00金币
0下载
二年级数学下册 必背公式大全寒假提前背一背开学更轻松#二年级 #二年级数学 #二年级数学下册 #寒假充电计划 #公式.pdf
10.00金币
0下载
蜗牛文库+ 关注
实名认证
内容提供者

提供各种专业文档内容

确认删除?
QQ
  • QQ点击这里给我发消息
微信客服
  • 微信客服
回到顶部