电脑桌面
添加蜗牛文库到电脑桌面
安装后可以在桌面快捷访问

QBT 1679-1993 未漂硫酸盐针叶木浆.pdfVIP免费

QBT 1679-1993 未漂硫酸盐针叶木浆.pdf_第1页
QBT 1679-1993 未漂硫酸盐针叶木浆.pdf_第2页
QBT 1679-1993 未漂硫酸盐针叶木浆.pdf_第3页
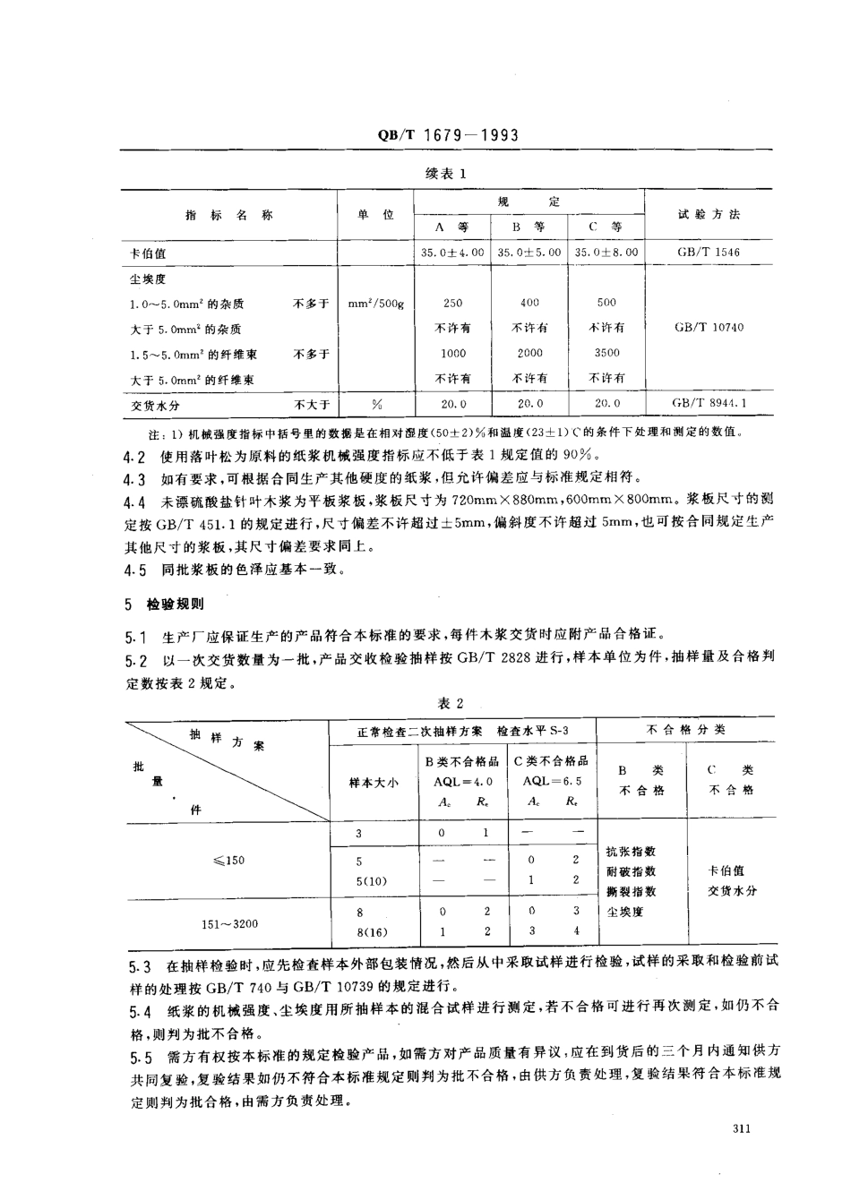
中华人民共和国轻工行业标准QB/T1679一1993未漂硫酸盐针叶木浆1主题内容与适用范围本标准规定了未漂硫酸盐针叶木浆的技术规范本标准适用于供制造牛皮纸、箱纸板、纱管原纸、塑料衬纸、包装纸和纸板等用的未漂硫酸盐针叶木浆。2引用标准GB/T451.工纸和纸板尺寸及偏斜度的侧定法GB/T740纸浆试样的采取GB/T1546纸浆卡伯值的测定法GB/T2828逐批检查计数抽样程序及抽样表(适用于连续批的检查)GB/T7980实验室打浆瓦利(Valley)打浆机法GB/T7981纸浆实验室纸页的制备常规纸页成型器法GB/T7982纸浆实验室纸页物理性能的测定方法GB/T8944.1纸浆成批销售质量的测定法第一部分:浆板浆包GB/T10739纸浆、纸和纸板试样处理和试验的标准大气GB/T10740纸浆尘埃度的测定法3产品分类未漂硫酸盐针叶木浆按质量分为A,B,C三等。4技术要求和试验方法4.1未漂硫酸盐针叶木浆的技术要求和试验方法应符合表1规定。表1指标名称单位规定试验方法A等B等C等机械强度‘,在打浆度为450SR抄片定量为60g/.z时抗张指数不小于耐破指数不小于撕裂指数不小于N../gkPa·m'/gmN.m`/g95.0(104)7.00(7.20)13.0(11.6)80.0(87.2)6.30(6.50)12.0(10.7)68.0(74.1)4.50(4.64)11.0(9.80)GB/T7980GB/T7981GB/T7982中华人民共和国轻工业部1993-03-28批准1993一10一01实施310QB/T1679一1993续表1指标名称单位规定试验方法八等B等c等卡伯值35.0士4.0035.0士5.0035.0士8.00GB/T1546尘埃度1.0-5.0.m'的杂质不多于大于5.0--“的杂质1.5-5.0-m'的纤维束不多于大干5.Omm'的纤维束mm,/SOOg250不许有1000不许有400不许有2000不许有500不许有3500不许有GB/T10710交货水分不大于%20.020.020.0GB/T8944.1注1)机械强度指标中括号里的数据是在相对湿度(50士2)%和温度(23士1)C的条件下处理和测定的数值4.2使用落叶松为原料的纸浆机械强度指标应不低于表1规定值的90%o4.3如有要求,可根据合同生产其他硬度的纸浆,但允许偏差应与标准规定相符。4.4未漂硫酸盐针叶木浆为平板浆板,浆板尺寸为720mmX880mm,600mmX800mm,浆板尺寸的测定按GB/T451.1的规定进行,尺寸偏差不许超过士5mm,偏斜度不许超过5m-,也可按合同规定生产其他尺寸的浆板,其尺寸偏差要求同上。4.5同批浆板的色泽应基本一致5检验规则5门生产厂应保证生产的产品符合本标准的要求,每件木浆交货时应附产品合格证5.2以一次交货数量为一批,产品交收检验抽样按GB/T2828进行,样本单位为件,抽样量及合格判定数按表2规定。表2一一正常检查二次抽样方案检查水平...

1、当您付费下载文档后,您只拥有了使用权限,并不意味着购买了版权,文档只能用于自身使用,不得用于其他商业用途(如 [转卖]进行直接盈利或[编辑后售卖]进行间接盈利)。
2、本站所有内容均由合作方或网友上传,本站不对文档的完整性、权威性及其观点立场正确性做任何保证或承诺!文档内容仅供研究参考,付费前请自行鉴别。
3、如文档内容存在违规,或者侵犯商业秘密、侵犯著作权等,请点击“违规举报”。

碎片内容

蜗牛文库的最新文档

二年级数学下册其中检测卷二年级数学下册其中检测卷附答案#期中测试卷.pdf
10.00金币
0下载
二年级数学下册期末质检卷(苏教版)二年级数学下册期末质检卷(苏教版)#期末复习 #期末测试卷 #二年级数学 #二年级数学下册#关注我持续更新小学知识.pdf
10.00金币
0下载
二年级数学下册期末混合运算专项练习二年级数学下册期末混合运算专项练习#二年级#二年级数学下册#关注我持续更新小学知识 #知识分享 #家长收藏孩子受益.pdf
10.00金币
1下载
二年级数学下册年月日三类周期问题解题方法二年级数学下册年月日三类周期问题解题方法#二年级#二年级数学下册#知识分享 #关注我持续更新小学知识 #家长收藏孩子受益.pdf
10.00金币
0下载
二年级数学下册解决问题专项训练二年级数学下册解决问题专项训练#专项训练#解决问题#二年级#二年级数学下册#知识分享.pdf
10.00金币
1下载
二年级数学下册还原问题二年级数学下册还原问题#二年级#二年级数学#关注我持续更新小学知识 #知识分享 #家长收藏孩子受益.pdf
10.00金币
1下载
二年级数学下册第六单元考试卷家长打印出来给孩子测试测试争取拿到高分!#小学二年级试卷分享 #二年级第六单考试数学 #第六单考试#二年级数学下册.pdf
10.00金币
0下载
二年级数学下册必背顺口溜口诀汇总二年级数学下册必背顺口溜口诀汇总#二年级#二年级数学下册 #知识分享 #家长收藏孩子受益 #关注我持续更新小学知识.pdf
10.00金币
0下载
二年级数学下册《重点难点思维题》两大问题解决技巧和方法巧算星期几解决周期问题还原问题强化思维训练老师精心整理家长可以打印出来给孩子练习#家长收藏孩子受益 #学霸秘籍 #思维训练 #二年级 #知识点总结.pdf
10.00金币
0下载
二年级数学下册 必背公式大全寒假提前背一背开学更轻松#二年级 #二年级数学 #二年级数学下册 #寒假充电计划 #公式.pdf
10.00金币
0下载
蜗牛文库+ 关注
实名认证
内容提供者

提供各种专业文档内容

确认删除?
QQ
  • QQ点击这里给我发消息
微信客服
  • 微信客服
回到顶部