电脑桌面
添加蜗牛文库到电脑桌面
安装后可以在桌面快捷访问

QBT 1367-1991 辣味炸子鸡罐头.pdfVIP免费

QBT 1367-1991 辣味炸子鸡罐头.pdf_第1页
QBT 1367-1991 辣味炸子鸡罐头.pdf_第2页
QBT 1367-1991 辣味炸子鸡罐头.pdf_第3页
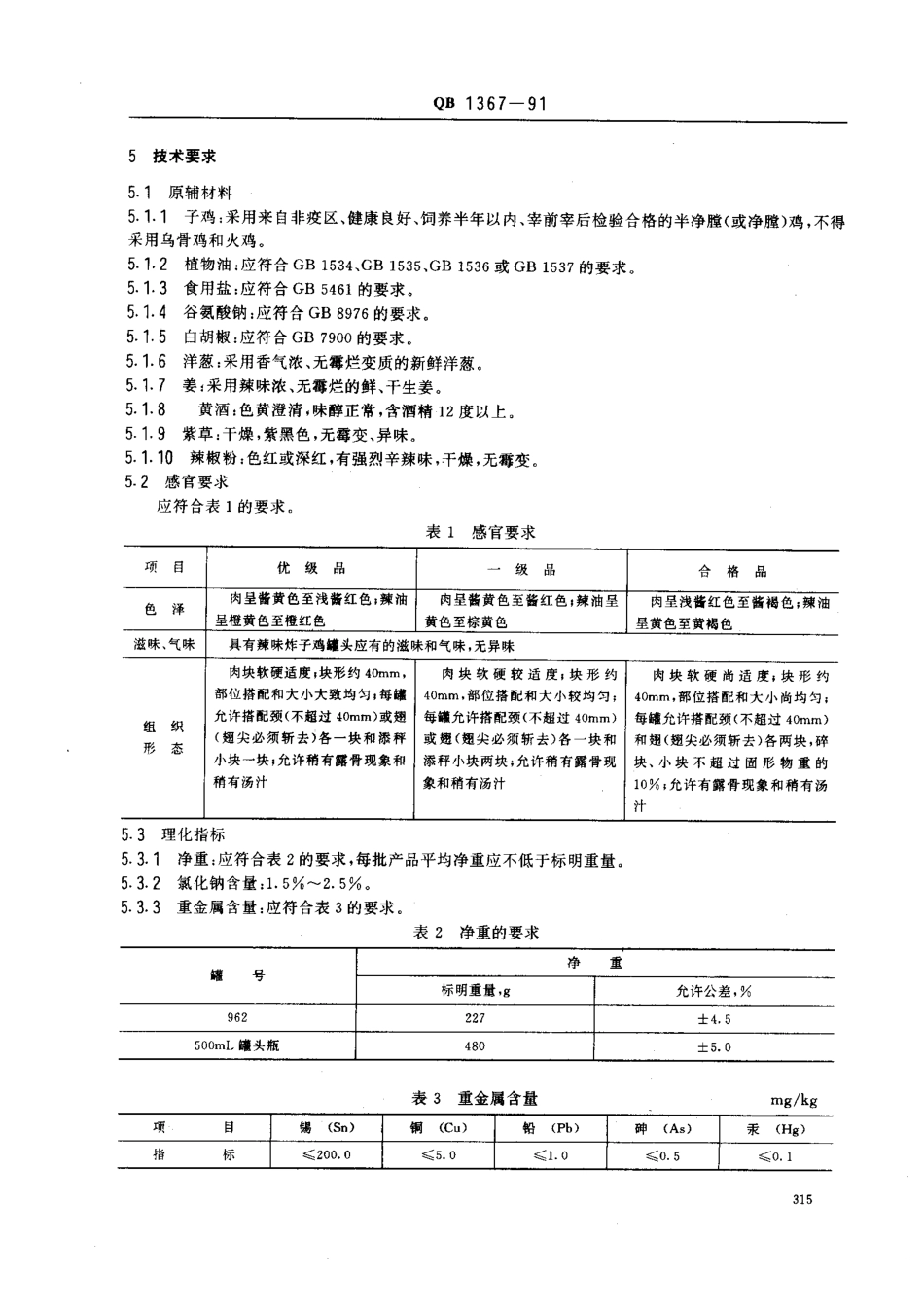
中华人民共和国行业标准辣味炸子鸡罐头QB1367一91Cannedchilifriedtenderchicken1主题内容与适用范围本标准规定了辣味炸子鸡罐头的产品分类、技术要求、试验方法、检验规则和标志、包装、运输、贮存的基本要求。本标准适用于以子鸡为原料,经加工处理、调味、油炸、加辣油、装罐、密封、杀菌制成的辣味炸子鸡罐头。2引用标准GB1534花生油GB1535大豆油GB1536菜籽油GB1537精炼棉籽油GB5461食用盐GB8967谷氨酸钠GB7900白胡椒GB4789.26食品卫生微生物学检验罐头食品商业无菌的检验GB5009.11食品中总砷的测定方法GB5009.12食品中铅的测定方法GB5009.13食品中铜的测定方法GB5009.16食品中锡的测定方法GB5009.17食品中总汞的测定方法GB/T12457食品中氯化钠的测定方法QB1006罐头食品检验规则QB1007罐头食品净重和固形物含量的测定ZBX70004罐头食品的感官检验ZBX70005罐头食品包装、标志、运输和贮存3术语3.1露骨现象加工不善,出现鸡骨露出的现象。4产品分类辣味炸子鸡罐头的产品代号为216.中华人民共和国轻工业部1991-12一31批准1992一08一01实施QB1367一915技术要求5.1原辅材料5.1.1子鸡采用来自非疫区、健康良好、饲养半年以内、宰前宰后检验合格的半净膛(或净膛)鸡,不得采用乌骨鸡和火鸡。5.1.2植物油:应符合GB1534,GB1535,GB1536或GB1537的要求5.1.3食用盐:应符合GB5461的要求。5.1.4谷氨酸钠:应符合GB8976的要求。5.1.5白胡椒:应符合GB7900的要求。5.1.6洋葱:采用香气浓、无霉烂变质的新鲜洋葱。5.1.了姜。采用辣味浓、无霉烂的鲜、干生姜。5.1.8黄酒:色黄澄清,味醉正常,含酒精12度以上。5门.9紫草:干燥,紫黑色,无霉变、异味。5.1.10辣椒粉:色红或深红,有强烈辛辣味,干燥,无霉变。5.2感官要求应符合表1的要求。表1感官要求项目优级品一级品合格品色泽肉呈酱黄色至浅酱红色;辣油呈橙黄色至橙红色肉呈普黄色至酱红色。辣油皇黄色至棕黄色肉呈浅昔红色至酱褐色;辣油呈黄色至黄褐色滋味、气味具有辣味炸子鸡埔头应有的滋味和气味,无异味组织形态肉块软硬适度,块形约40.-,部位搭配和大小大致均匀,每确允许搭配颈(不超过40-m)或翅(翅尖必须斩去)各一块和添秤小块一块;允许稍有露骨现象和稍有汤汁肉块软硬较适度;块形约40.m,部位搭配和大小较均匀;每旅允许搭配颈(不超过40.m)或翅(翅尖必须斩去)各一块和添秤小块两块;允许稍有露骨现象和稍有汤汁肉块软硬尚适度;块形约40-m,部位搭配和大小尚均匀;每罐允许搭配颈(不超过40.m)和翅(翅尖必须斩去)...

1、当您付费下载文档后,您只拥有了使用权限,并不意味着购买了版权,文档只能用于自身使用,不得用于其他商业用途(如 [转卖]进行直接盈利或[编辑后售卖]进行间接盈利)。
2、本站所有内容均由合作方或网友上传,本站不对文档的完整性、权威性及其观点立场正确性做任何保证或承诺!文档内容仅供研究参考,付费前请自行鉴别。
3、如文档内容存在违规,或者侵犯商业秘密、侵犯著作权等,请点击“违规举报”。

碎片内容

蜗牛文库的最新文档

二年级数学下册其中检测卷二年级数学下册其中检测卷附答案#期中测试卷.pdf
10.00金币
0下载
二年级数学下册期末质检卷(苏教版)二年级数学下册期末质检卷(苏教版)#期末复习 #期末测试卷 #二年级数学 #二年级数学下册#关注我持续更新小学知识.pdf
10.00金币
0下载
二年级数学下册期末混合运算专项练习二年级数学下册期末混合运算专项练习#二年级#二年级数学下册#关注我持续更新小学知识 #知识分享 #家长收藏孩子受益.pdf
10.00金币
1下载
二年级数学下册年月日三类周期问题解题方法二年级数学下册年月日三类周期问题解题方法#二年级#二年级数学下册#知识分享 #关注我持续更新小学知识 #家长收藏孩子受益.pdf
10.00金币
0下载
二年级数学下册解决问题专项训练二年级数学下册解决问题专项训练#专项训练#解决问题#二年级#二年级数学下册#知识分享.pdf
10.00金币
1下载
二年级数学下册还原问题二年级数学下册还原问题#二年级#二年级数学#关注我持续更新小学知识 #知识分享 #家长收藏孩子受益.pdf
10.00金币
1下载
二年级数学下册第六单元考试卷家长打印出来给孩子测试测试争取拿到高分!#小学二年级试卷分享 #二年级第六单考试数学 #第六单考试#二年级数学下册.pdf
10.00金币
0下载
二年级数学下册必背顺口溜口诀汇总二年级数学下册必背顺口溜口诀汇总#二年级#二年级数学下册 #知识分享 #家长收藏孩子受益 #关注我持续更新小学知识.pdf
10.00金币
0下载
二年级数学下册《重点难点思维题》两大问题解决技巧和方法巧算星期几解决周期问题还原问题强化思维训练老师精心整理家长可以打印出来给孩子练习#家长收藏孩子受益 #学霸秘籍 #思维训练 #二年级 #知识点总结.pdf
10.00金币
0下载
二年级数学下册 必背公式大全寒假提前背一背开学更轻松#二年级 #二年级数学 #二年级数学下册 #寒假充电计划 #公式.pdf
10.00金币
0下载
蜗牛文库+ 关注
实名认证
内容提供者

提供各种专业文档内容

确认删除?
QQ
  • QQ点击这里给我发消息
微信客服
  • 微信客服
回到顶部