电脑桌面
添加蜗牛文库到电脑桌面
安装后可以在桌面快捷访问

QBT 1354-1991 卤猪杂罐头.pdfVIP免费

QBT 1354-1991 卤猪杂罐头.pdf_第1页
QBT 1354-1991 卤猪杂罐头.pdf_第2页
QBT 1354-1991 卤猪杂罐头.pdf_第3页
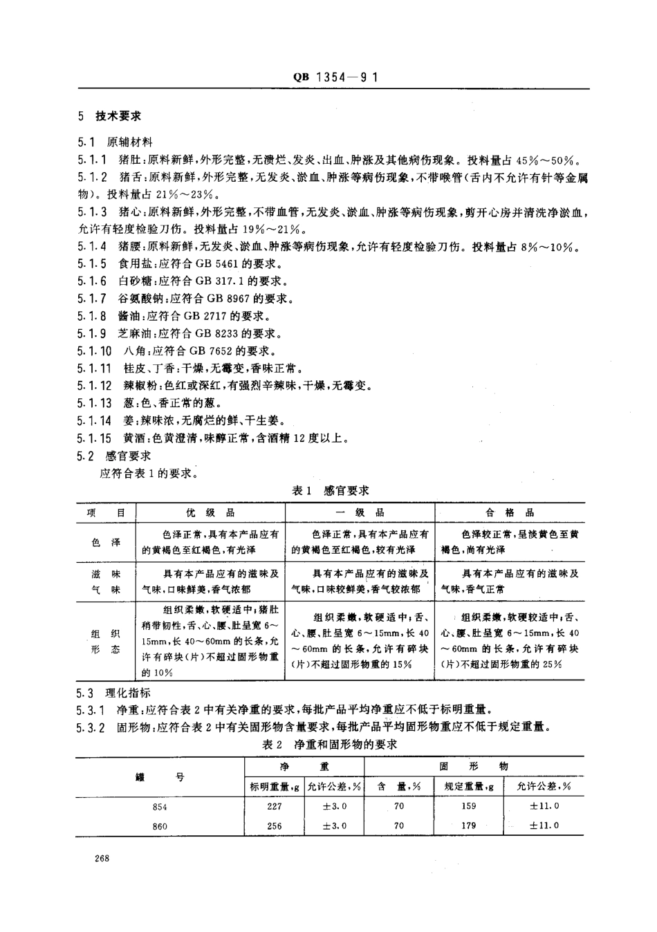
中华人民共和国行业标准卤猪杂罐头9州cedporkhasletQB1354-911主匆内容与造用范圈本标准规定了卤猪杂罐头的产品分类、技术要求、试验方法、检验规则和标志、包装、运输、贮存的基本要求。本标准适用于以猪肚、猪舌、猪心、猪腰为原料,经预处理、调味、装罐、密封、杀菌制成的卤猪杂罐头。引用标准GB5461食用盐GB317.1白砂糖GB2717酱油卫生标准GB8233芝麻油GB8967谷氨酸钠GB7652/l角GB4789.26食品卫生微生物学检验箱头食品商业无菌的检验GB5009.11食品中总砷的测定方法GB5009.12食品中铅的测定方法GB5009.13食品中铜的测定方法GB5009.16食品中锡的测定方法GB5009.17食品中总汞的测定方法GB/T12457食品中抓化钠的测定方法QB1006箱头食品检验规则QB1007罐头食品净重和固形物含量的测定ZBX70004魄头食品的感官检验ZBX70005峨头食品包装、标志、运输和贮存3术语3.1碎块(片)小于规定尺寸的条(块)或呈三角形的块(片)。4产品分类卤猪杂罐头的产品代号为84,中华人民共和国轻工业部1991一12一3,批准1992一08一01实施QB1354一915技术要求5.1原辅材料5.1.1猪肚:原料新鲜,外形完整,无溃烂、发炎、出血、肿涨及其他病伤现象。投料量占45%-50%e5门2猪舌:原料新鲜,外形完整,无发炎、淤血、肿涨等病伤现象,不带喉管(舌内不允许有针等金属物)。投料量占21%-23写。5.1.3猪心:原料新鲜,外形完整,不带血管,无发炎、淤血、肿涨等病伤现象,剪开心房并清洗净淤血,允许有轻度检验刀伤。投料量占19%-v21%,5.1.4猪腰:原料新鲜,无发炎、淤血、肿涨等病伤现象,允许有轻度检验刀伤。投料量占800^'10%a5.1.5食用盐:应符合GB5461的要求。5.1.6白砂糖:应符合GB317.1的要求。5.1.7谷氨酸钠:应符合GB8967的要求。5门.8酱油:应符合GB2717的要求。5.1.9芝麻油:应符合GB8233的要求。5.1.10A角:应符合GB7652的要求。5.1.1,桂皮、丁香:干燥,无霉变,香味正常。5.1.12辣椒粉:色红或深红,有强烈辛辣味,干燥,无霉变。5.1.13葱:色、香正常的葱。5门.14姜:辣味浓,无腐烂的鲜、干生姜。5.1.15黄酒:色黄澄清,味醇正常,含酒精12度以上。5.2感官要求应符合表1的要求。表1感官要求项目优级品一级品合格品色泽色泽正常,具有本产品应有的黄褐色至红褐色,有光泽色泽正常,具有本产品应有的黄褐色至红褐色,较有光泽色泽较正常,呈淡黄色至黄褐色,尚有光泽滋味气味具有本产品应有的滋味及气味,口味鲜美,香气浓郁具有本产品应有的滋味及气味.口味较鲜美,香气较浓郁具有本产品应...

1、当您付费下载文档后,您只拥有了使用权限,并不意味着购买了版权,文档只能用于自身使用,不得用于其他商业用途(如 [转卖]进行直接盈利或[编辑后售卖]进行间接盈利)。
2、本站所有内容均由合作方或网友上传,本站不对文档的完整性、权威性及其观点立场正确性做任何保证或承诺!文档内容仅供研究参考,付费前请自行鉴别。
3、如文档内容存在违规,或者侵犯商业秘密、侵犯著作权等,请点击“违规举报”。

碎片内容

蜗牛文库的最新文档

二年级数学下册其中检测卷二年级数学下册其中检测卷附答案#期中测试卷.pdf
10.00金币
0下载
二年级数学下册期末质检卷(苏教版)二年级数学下册期末质检卷(苏教版)#期末复习 #期末测试卷 #二年级数学 #二年级数学下册#关注我持续更新小学知识.pdf
10.00金币
0下载
二年级数学下册期末混合运算专项练习二年级数学下册期末混合运算专项练习#二年级#二年级数学下册#关注我持续更新小学知识 #知识分享 #家长收藏孩子受益.pdf
10.00金币
1下载
二年级数学下册年月日三类周期问题解题方法二年级数学下册年月日三类周期问题解题方法#二年级#二年级数学下册#知识分享 #关注我持续更新小学知识 #家长收藏孩子受益.pdf
10.00金币
0下载
二年级数学下册解决问题专项训练二年级数学下册解决问题专项训练#专项训练#解决问题#二年级#二年级数学下册#知识分享.pdf
10.00金币
1下载
二年级数学下册还原问题二年级数学下册还原问题#二年级#二年级数学#关注我持续更新小学知识 #知识分享 #家长收藏孩子受益.pdf
10.00金币
1下载
二年级数学下册第六单元考试卷家长打印出来给孩子测试测试争取拿到高分!#小学二年级试卷分享 #二年级第六单考试数学 #第六单考试#二年级数学下册.pdf
10.00金币
0下载
二年级数学下册必背顺口溜口诀汇总二年级数学下册必背顺口溜口诀汇总#二年级#二年级数学下册 #知识分享 #家长收藏孩子受益 #关注我持续更新小学知识.pdf
10.00金币
0下载
二年级数学下册《重点难点思维题》两大问题解决技巧和方法巧算星期几解决周期问题还原问题强化思维训练老师精心整理家长可以打印出来给孩子练习#家长收藏孩子受益 #学霸秘籍 #思维训练 #二年级 #知识点总结.pdf
10.00金币
0下载
二年级数学下册 必背公式大全寒假提前背一背开学更轻松#二年级 #二年级数学 #二年级数学下册 #寒假充电计划 #公式.pdf
10.00金币
0下载
蜗牛文库+ 关注
实名认证
内容提供者

提供各种专业文档内容

确认删除?
QQ
  • QQ点击这里给我发消息
微信客服
  • 微信客服
回到顶部