电脑桌面
添加蜗牛文库到电脑桌面
安装后可以在桌面快捷访问

QBT 1320-1991 玻璃纤维高效空气滤纸.pdfVIP免费

QBT 1320-1991 玻璃纤维高效空气滤纸.pdf_第1页
QBT 1320-1991 玻璃纤维高效空气滤纸.pdf_第2页
QBT 1320-1991 玻璃纤维高效空气滤纸.pdf_第3页
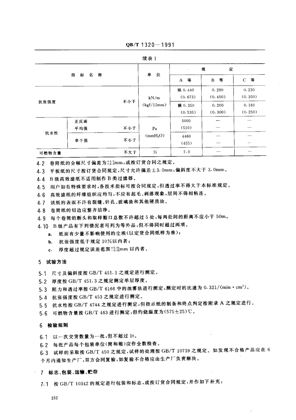
中华人民共和国轻工行业标准QB/'e1320一1991玻璃纤维高效空气滤纸1主题内容与适用范围本标准规定了由玻璃纤维抄造而成的高效空气滤纸的产品分类、技术要求、试验方法、检验规则和标志、包装、运输、贮存。本标准适用于制作高效空气过滤用的玻璃纤维空气滤纸(以下简称高效滤纸)2引用标准GB191包装储运图示标志GB/T450GB/T451.GB/T451.GB/T453GRIT463GB/T4744GB/T6166纸和纸板试样的采取1纸和纸板尺寸及偏斜度的测定法3纸和纸板厚度的测定法GB/T10342GB/T10739纸和纸板抗张强度的测定法(恒速加荷法)纸和纸板灰分的测定纺织织物抗渗水性测定方法静水压试验方法高效滤料性能试验方法透过率和阻力纸张的包装和标志纸奖、纸和纸板试样处理和试验的标准大气产品分类高效滤纸按质量水平分为A,B,C三等高效滤纸为卷筒纸,按订货合同也可生产平板纸卷筒纸的宽度为444,484,500,560,570,590mm,或按订货合同之规定。技术要求高效滤纸的技术指标必须符合表1之规定。月..q‘,J333.于44.1表l指标名称单位规定A等B等C等厚度mm0.36士0.040.30士0.030.23士0.03阻力不大于Pa(mmH,O)390(40)325(33)275(28)透过度不大于%0.0080.0080.05中华人民共和国轻工业部1991一、1-25批准1992一08一01实施QB/T1320一1991续表1指标名称单位A等B等c等.:::):::)抗张强度不小于kN/m(kgf/15mm)纵0.440(0.673)横0.350(0.535).:::);::)正反面平均值不小于Pa(mmH,O)5000(510)抗水性单个值不小于4460(455)可燃物含量不大于4.2卷筒纸的全幅尺寸偏差为马0omm,或按订货合同之规定。4.3平板纸的尺寸按订货合同规定,尺寸允许偏差士3.Omm,偏斜度不大于3.Omm.4.4B级高效滤纸不适用制作B类过滤器。4.5用户如有特殊要求时,各技术指标可按合同规定,但透过率不得大于本标准规定4.6高效滤纸的纤维组织应均匀,不应有起毛、剥落现象,层间不得相粘连。4.了该纸的表面不许有裂缝、针孔、玻璃渣和其他硬质块。4.B卷筒纸的切边应整齐洁净。4.9每个卷筒的断头和取样豁口总数不许超过5处,每两处间的距离不应小于50m4.10B级产品有下列情况者可列为等外品,但不得同时超过两项。a.纸面有少量不影响使用的尘埃(以定货合同纸样为准);抗张强度低于规定10%以内者;厚度超过规定误差范围绘器mm以内者5试验方法5.1尺寸及偏斜度按GB/T451.1之规定进行测定。5.2厚度按GB/T451.3之规定测定单层厚度。阻力和透过率按GB/T6166中的油雾法进行测定,测定时的比速为。.321/(min"cm'),抗张强度按GB/T453之规定进行测定。抗水...

1、当您付费下载文档后,您只拥有了使用权限,并不意味着购买了版权,文档只能用于自身使用,不得用于其他商业用途(如 [转卖]进行直接盈利或[编辑后售卖]进行间接盈利)。
2、本站所有内容均由合作方或网友上传,本站不对文档的完整性、权威性及其观点立场正确性做任何保证或承诺!文档内容仅供研究参考,付费前请自行鉴别。
3、如文档内容存在违规,或者侵犯商业秘密、侵犯著作权等,请点击“违规举报”。

碎片内容

蜗牛文库的最新文档

二年级数学下册其中检测卷二年级数学下册其中检测卷附答案#期中测试卷.pdf
10.00金币
0下载
二年级数学下册期末质检卷(苏教版)二年级数学下册期末质检卷(苏教版)#期末复习 #期末测试卷 #二年级数学 #二年级数学下册#关注我持续更新小学知识.pdf
10.00金币
0下载
二年级数学下册期末混合运算专项练习二年级数学下册期末混合运算专项练习#二年级#二年级数学下册#关注我持续更新小学知识 #知识分享 #家长收藏孩子受益.pdf
10.00金币
1下载
二年级数学下册年月日三类周期问题解题方法二年级数学下册年月日三类周期问题解题方法#二年级#二年级数学下册#知识分享 #关注我持续更新小学知识 #家长收藏孩子受益.pdf
10.00金币
0下载
二年级数学下册解决问题专项训练二年级数学下册解决问题专项训练#专项训练#解决问题#二年级#二年级数学下册#知识分享.pdf
10.00金币
1下载
二年级数学下册还原问题二年级数学下册还原问题#二年级#二年级数学#关注我持续更新小学知识 #知识分享 #家长收藏孩子受益.pdf
10.00金币
1下载
二年级数学下册第六单元考试卷家长打印出来给孩子测试测试争取拿到高分!#小学二年级试卷分享 #二年级第六单考试数学 #第六单考试#二年级数学下册.pdf
10.00金币
0下载
二年级数学下册必背顺口溜口诀汇总二年级数学下册必背顺口溜口诀汇总#二年级#二年级数学下册 #知识分享 #家长收藏孩子受益 #关注我持续更新小学知识.pdf
10.00金币
0下载
二年级数学下册《重点难点思维题》两大问题解决技巧和方法巧算星期几解决周期问题还原问题强化思维训练老师精心整理家长可以打印出来给孩子练习#家长收藏孩子受益 #学霸秘籍 #思维训练 #二年级 #知识点总结.pdf
10.00金币
0下载
二年级数学下册 必背公式大全寒假提前背一背开学更轻松#二年级 #二年级数学 #二年级数学下册 #寒假充电计划 #公式.pdf
10.00金币
0下载
蜗牛文库+ 关注
实名认证
内容提供者

提供各种专业文档内容

确认删除?
QQ
  • QQ点击这里给我发消息
微信客服
  • 微信客服
回到顶部