电脑桌面
添加蜗牛文库到电脑桌面
安装后可以在桌面快捷访问

QBT 1240-1991 家用食品烘烤器具 电烤箱、面包片烘烤炉、华夫饼炉、三明治炉.pdfVIP免费

QBT 1240-1991 家用食品烘烤器具 电烤箱、面包片烘烤炉、华夫饼炉、三明治炉.pdf_第1页
QBT 1240-1991 家用食品烘烤器具 电烤箱、面包片烘烤炉、华夫饼炉、三明治炉.pdf_第2页
QBT 1240-1991 家用食品烘烤器具 电烤箱、面包片烘烤炉、华夫饼炉、三明治炉.pdf_第3页
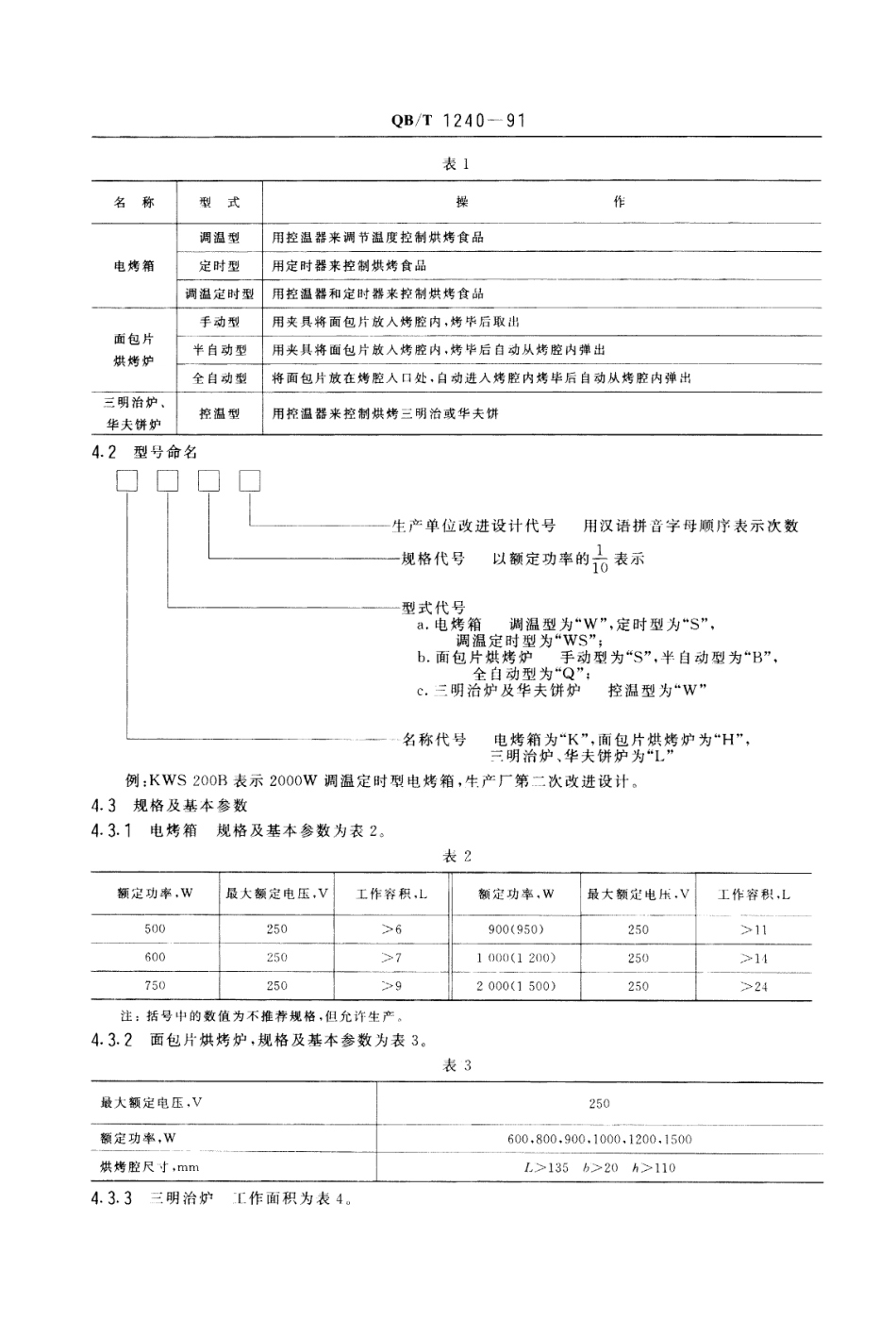
中华人民共和国轻工行业标准家用食品烘烤器具电烤箱、面包片烘烤炉、华夫饼炉、三明治炉QB/T1240一91主题内容与适用范围本标准规定了交流电压250V以下,额定频率为50Hz,额定功率2000W以下的家用食品烘烤器具(以下简称“器具”)性能技术要求及试验方法等。本标准适用于家庭厨房及类似的宾馆、咖啡间、茶室及餐厅的厨房等一般室内环境使用的器具。在其周围空气中应无易燃性、腐蚀性气体或导电尘埃存在。2引用标准GB4706.GB4706.GB2423.GB2423.GB2627GBn148GBn149GB2828GB2829GB1019GB1911家用和类似用途电器的安全第一部分:通用要求14家用和类似用途电器的安全电烤箱、面包烘烤器、华夫饼模及类似用途器具的特殊要求3电工电子产品基本环境试验规程试验Ca,恒定湿热试验方法17电工电子产品基本环境试验规程试验Ka:盐雾试验方法搪瓷食具卫生陶瓷食具容器卫生铝制食具容器卫生逐批检查计数抽样程序及抽样表(适用于连续批的检查)周期检查计数抽样程序及抽样表(适用于生产过程稳定性的检查)家用电器包装通则包装储运图示标志3术语3.1电烤箱roasters凡是以电热元件发热的,将食物放在关闭箱内的架子或烤盘上进行加热烘烤的器具称为电烤箱。3.2面包片烘烤炉toasters凡是通过电热元件的辐射热来烘烤面包片的器具称为面包片烘烤炉。3.3华夫饼炉,三明治炉Waffleirons,sandwichgrills它们的共同特点是在上下两个烤格内均装有发热元件。凡在两片面包中间夹放熟的甜和咸味的食馅进行烘烤的称为三明治炉。凡以食用原料调配制成面糊状后再注人烤格中进行烘烤的称为华夫饼炉。4产品分类4.1V式如表10中华人民共和国轻工业部1991一09-10批准1992一04一01实施QB/T1240一91名称}型式调温型用控温器来调节温度控制烘烤食品电烤箱{定时型调温定时型用定时器来控制烘烤食品用控温器和定时器来控制烘烤食品手动型用夹具将面包片放人烤腔内,烤毕后取出面包片烘烤炉半自动型用夹具将面包片放人烤腔内,烤毕后自动从烤腔内弹出全自动型将面包片放在烤腔人日处,自动进人烤腔内烤毕后自动从烤腔内弹出三明治炉、华夫饼炉控温型用控温器来控制烘烤三明治或华夫饼4.2型号命名口口口口一生产单位改进设计代号用汉语拼音字母顺序表示次数,。、、,卜r,.‘、、-一一、*。1、_规怕1一G亏以K)V-aYJ1=H'J而衣小型式代号a,电烤箱调温型为“W",定时m为“S"调温定时型为“WS",b.面包片烘烤炉手动型为‘`S"半自动型为“B",全自动型为“Q",c一气明治炉及华夫饼炉控温型为“...

1、当您付费下载文档后,您只拥有了使用权限,并不意味着购买了版权,文档只能用于自身使用,不得用于其他商业用途(如 [转卖]进行直接盈利或[编辑后售卖]进行间接盈利)。
2、本站所有内容均由合作方或网友上传,本站不对文档的完整性、权威性及其观点立场正确性做任何保证或承诺!文档内容仅供研究参考,付费前请自行鉴别。
3、如文档内容存在违规,或者侵犯商业秘密、侵犯著作权等,请点击“违规举报”。

碎片内容

蜗牛文库的最新文档

二年级数学下册其中检测卷二年级数学下册其中检测卷附答案#期中测试卷.pdf
10.00金币
0下载
二年级数学下册期末质检卷(苏教版)二年级数学下册期末质检卷(苏教版)#期末复习 #期末测试卷 #二年级数学 #二年级数学下册#关注我持续更新小学知识.pdf
10.00金币
0下载
二年级数学下册期末混合运算专项练习二年级数学下册期末混合运算专项练习#二年级#二年级数学下册#关注我持续更新小学知识 #知识分享 #家长收藏孩子受益.pdf
10.00金币
1下载
二年级数学下册年月日三类周期问题解题方法二年级数学下册年月日三类周期问题解题方法#二年级#二年级数学下册#知识分享 #关注我持续更新小学知识 #家长收藏孩子受益.pdf
10.00金币
0下载
二年级数学下册解决问题专项训练二年级数学下册解决问题专项训练#专项训练#解决问题#二年级#二年级数学下册#知识分享.pdf
10.00金币
1下载
二年级数学下册还原问题二年级数学下册还原问题#二年级#二年级数学#关注我持续更新小学知识 #知识分享 #家长收藏孩子受益.pdf
10.00金币
1下载
二年级数学下册第六单元考试卷家长打印出来给孩子测试测试争取拿到高分!#小学二年级试卷分享 #二年级第六单考试数学 #第六单考试#二年级数学下册.pdf
10.00金币
0下载
二年级数学下册必背顺口溜口诀汇总二年级数学下册必背顺口溜口诀汇总#二年级#二年级数学下册 #知识分享 #家长收藏孩子受益 #关注我持续更新小学知识.pdf
10.00金币
0下载
二年级数学下册《重点难点思维题》两大问题解决技巧和方法巧算星期几解决周期问题还原问题强化思维训练老师精心整理家长可以打印出来给孩子练习#家长收藏孩子受益 #学霸秘籍 #思维训练 #二年级 #知识点总结.pdf
10.00金币
0下载
二年级数学下册 必背公式大全寒假提前背一背开学更轻松#二年级 #二年级数学 #二年级数学下册 #寒假充电计划 #公式.pdf
10.00金币
0下载
蜗牛文库+ 关注
实名认证
内容提供者

提供各种专业文档内容

确认删除?
QQ
  • QQ点击这里给我发消息
微信客服
  • 微信客服
回到顶部