电脑桌面
添加蜗牛文库到电脑桌面
安装后可以在桌面快捷访问

QBT 2024-1994 凹版复合塑料薄膜油墨.pdfVIP免费

QBT 2024-1994 凹版复合塑料薄膜油墨.pdf_第1页
QBT 2024-1994 凹版复合塑料薄膜油墨.pdf_第2页
QBT 2024-1994 凹版复合塑料薄膜油墨.pdf_第3页
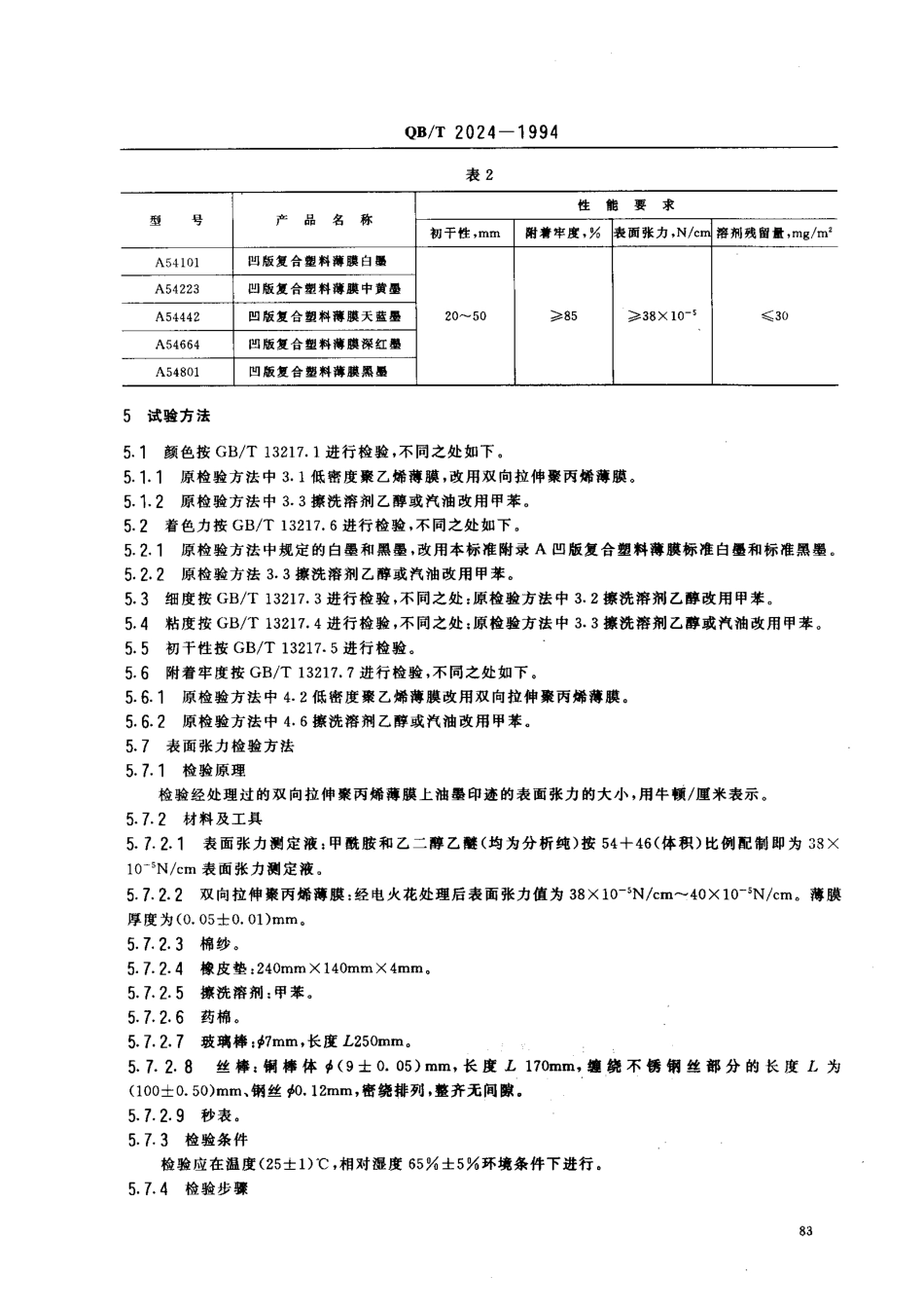
中华人民共和国轻工行业标准QB/T2024一1994凹版复合塑料薄膜油墨1主魔内容与适用范围本标准规定了氛化聚丙烯型的凹版复合塑料薄膜油墨的产品分类、技术要求、试验方法、检验规则及标志、包装、运愉、贮存。本标准适用于在凹版轮转印刷机上使用的凹版复合塑料薄膜油墨,该油墨用于经处理的双向拉伸聚丙烯的里面印刷。2引用标准GB3186涂料产品的取样GB/T13217.1凹版塑料油墨检验方法颜色检验GB/T13217.3NJ版塑料油墨检验方法细度检验GB/T13217.4凹版塑料油墨检验方法粘性检骏GB/T13217.5凹版塑料油墨检验方法初干性检验GB/T13217.6凹版塑料油墨检验方法着色力检验GB/T13217.7M版塑料油墨检验方法附着牢度检验ZBA17005印刷油墨产品分类、命名和型号3产品分类按产品颜色分为白、黄、蓝、红、黑五种4技术要求4.1产品各项技术指标必须符合表1规定。表1型号产品名称质t指标硕色着色力,坏细度,pm枯度,5A54101凹版友合塑料薄腆白墨近似标样95110<252570A54223凹版复合拍料薄腆中黄且A54442凹版复合塑料薄膜天蓝扭A54664凹版复合塑料薄腆深红且A54801凹版复合塑料薄腆黑肠4.2产品各项性能要求必须符合表2规定。中国轻工总会1994一10一26批准1995一06一01实施QB/T2024一1994表2型号产品名称性能要求初干性,mm附着牢度,写表面张力,N/cm溶剂残留量,mg/m'A54101凹版复合塑料薄膜白墨20^-50妻85>38X10-镇30A54223凹版复合塑料薄膜中黄墨A54442凹版复合塑料薄膜天蓝墨A54664凹版复合塑料薄膜深红里A54801凹版复合塑料薄膜黑里5试验方法5.1颜色按GB/T13217.1进行检验,不同之处如下。5.1.1原检验方法中3.1低密度聚乙烯薄膜,改用双向拉伸聚丙烯薄膜。5.1.2原检验方法中3.3擦洗溶剂乙醉或汽油改用甲苯。5.2着色力按GB/T13217.6进行检验,不同之处如下。5.2.1原检验方法中规定的白墨和黑墨,改用本标准附录A凹版复合塑料薄膜标准白墨和标准黑墨。5.2.2原检验方法3.3擦洗溶剂乙醉或汽油改用甲苯。5.3细度按GB/T13217.3进行检验,不同之处:原检验方法中3.2擦洗溶剂乙醇改用甲苯。5.4粘度按GB/T13217.4进行检验,不同之处:原检验方法中3.3擦洗溶剂乙醉或汽油改用甲苯。5.5初干性按GB/T13217.5进行检验。5.6附着牢度按GB/T13217.7进行检验,不同之处如下。5.6.1原检验方法中4.2低密度聚乙烯薄膜改用双向拉伸聚丙烯薄膜。5.6.2原检验方法中4.6擦洗溶剂乙醇或汽油改用甲苯。5.7表面张力检验方法5.7.1检验原理检验经处理过的双向拉伸聚丙烯薄膜上油墨印迹的表面张力的大...

1、当您付费下载文档后,您只拥有了使用权限,并不意味着购买了版权,文档只能用于自身使用,不得用于其他商业用途(如 [转卖]进行直接盈利或[编辑后售卖]进行间接盈利)。
2、本站所有内容均由合作方或网友上传,本站不对文档的完整性、权威性及其观点立场正确性做任何保证或承诺!文档内容仅供研究参考,付费前请自行鉴别。
3、如文档内容存在违规,或者侵犯商业秘密、侵犯著作权等,请点击“违规举报”。

碎片内容

蜗牛文库的最新文档

二年级数学下册其中检测卷二年级数学下册其中检测卷附答案#期中测试卷.pdf
10.00金币
0下载
二年级数学下册期末质检卷(苏教版)二年级数学下册期末质检卷(苏教版)#期末复习 #期末测试卷 #二年级数学 #二年级数学下册#关注我持续更新小学知识.pdf
10.00金币
0下载
二年级数学下册期末混合运算专项练习二年级数学下册期末混合运算专项练习#二年级#二年级数学下册#关注我持续更新小学知识 #知识分享 #家长收藏孩子受益.pdf
10.00金币
1下载
二年级数学下册年月日三类周期问题解题方法二年级数学下册年月日三类周期问题解题方法#二年级#二年级数学下册#知识分享 #关注我持续更新小学知识 #家长收藏孩子受益.pdf
10.00金币
0下载
二年级数学下册解决问题专项训练二年级数学下册解决问题专项训练#专项训练#解决问题#二年级#二年级数学下册#知识分享.pdf
10.00金币
1下载
二年级数学下册还原问题二年级数学下册还原问题#二年级#二年级数学#关注我持续更新小学知识 #知识分享 #家长收藏孩子受益.pdf
10.00金币
1下载
二年级数学下册第六单元考试卷家长打印出来给孩子测试测试争取拿到高分!#小学二年级试卷分享 #二年级第六单考试数学 #第六单考试#二年级数学下册.pdf
10.00金币
0下载
二年级数学下册必背顺口溜口诀汇总二年级数学下册必背顺口溜口诀汇总#二年级#二年级数学下册 #知识分享 #家长收藏孩子受益 #关注我持续更新小学知识.pdf
10.00金币
0下载
二年级数学下册《重点难点思维题》两大问题解决技巧和方法巧算星期几解决周期问题还原问题强化思维训练老师精心整理家长可以打印出来给孩子练习#家长收藏孩子受益 #学霸秘籍 #思维训练 #二年级 #知识点总结.pdf
10.00金币
0下载
二年级数学下册 必背公式大全寒假提前背一背开学更轻松#二年级 #二年级数学 #二年级数学下册 #寒假充电计划 #公式.pdf
10.00金币
0下载
蜗牛文库+ 关注
实名认证
内容提供者

提供各种专业文档内容

确认删除?
QQ
  • QQ点击这里给我发消息
微信客服
  • 微信客服
回到顶部