电脑桌面
添加蜗牛文库到电脑桌面
安装后可以在桌面快捷访问

GBT10801.1-2002 绝热用模塑聚苯乙烯泡沫塑料.pdfVIP免费

GBT10801.1-2002 绝热用模塑聚苯乙烯泡沫塑料.pdf_第1页
GBT10801.1-2002 绝热用模塑聚苯乙烯泡沫塑料.pdf_第2页
GBT10801.1-2002 绝热用模塑聚苯乙烯泡沫塑料.pdf_第3页
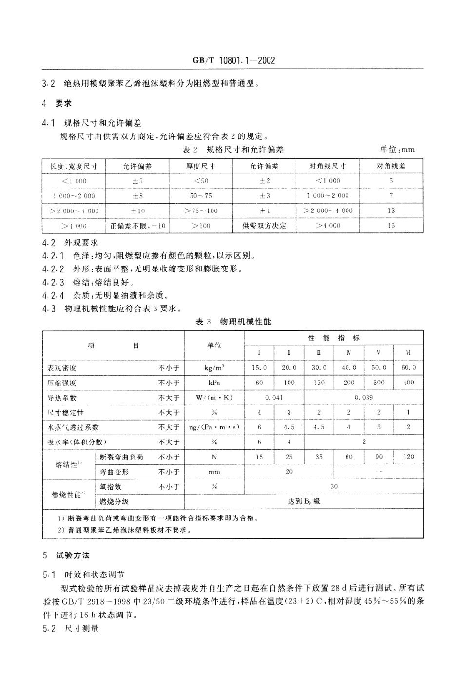
GB/T108012002前_1_八口本标准是对GB/T10801一1989((隔热用聚苯乙烯泡沫塑料》的修订。本标准在技术内容上主要参考1S()/CD4898:1999《泡沫塑料-一建筑绝热用硬质泡沫塑料》。根据用户需要将密度30kg/m'以上再分为40kg/m',50kg/m'',60kg/m'.燃烧性能中增加燃烧分级的规定,与《建筑设计防火规范》、《建筑材料燃烧性能分级方法》等国家标准接轨。物理机械性能中的尺寸变化率、水蒸气透过系数、吸水率性能指标都比ISO)//CD4898:1999((泡沫塑料—建筑绝热用硬质泡沫塑料》有所提高。GB/"r10801是一个系列标准,包括以下两部分:第1部分(即GB/'1'10801.1):绝热用模塑聚苯乙烯泡沫塑料;第2部分(即GB/T10801.2);绝热用挤塑聚苯乙烯泡沫塑料(XPS)a本标准是该系列标准的第1部分。本标准自实施之日起,原〔;B/T10801--1989(隔热用聚苯乙烯泡沫塑料》废止。本标准的附录A是提示的附录。本标准由中国轻工业联合会提出。本标准由全国塑料制品标准化技术委员会归G1本标准起草单位:北京北泡塑料集团公司、轻工业塑料加工应用研究所。本标准主要起一草人:梁小平、王压、陈家琪、李洁涛。中华人民共和国国家标准GB/T10801.1-2002绝热用模塑聚苯乙烯泡沫塑料代替GB/T10801-.-1989Mouldedpolystyrenefoamboardforthermalinsulation范围本标准规定了绝热用模塑聚苯乙烯泡沫塑料板材的分类、要求、试验方法、检验规则和标志、包装、运输、贮存。本标准适用于可发性聚苯乙烯珠粒经加热预发泡后,在模具中加热成型而制得的具有闭孔结构的使用温度不超过75C的聚苯乙烯泡沫塑料板材,也适用于大块板材切割而成的材料。2引用标准下列标准所包含的条文,通过在本标准中引用而构成为本标准的条文。本标准出版时,所示版本均为有效。所有标准都会被修订,使用本标准的各方应探讨使用下列标准最新版本的可能性。GB/T2406-1993塑料燃烧性能试验方法氧指数法(neqISO4589:1984)GB/T2918--1998塑料试样状态调节和试验的标准环境(idtISO291:1997)GB/T6342---1996泡沫塑料与橡胶线性尺寸的测定((idtISO1923:1981)GB/T6343-1995泡沫塑料和橡胶表观(体积)密度的测定(neqISO845:'1988)GB8624---1997建筑材料燃烧性能分级方法(neqDIN4102:1981)GB/T8810-1988硬质泡沫塑料吸水率试验方法(eqvISO2896:1986)GB/T8811---1988硬质泡沫塑料尺寸稳定性试验方法(eqvISO2796:1980)GB/T8812---1988硬质泡沫塑料弯曲试验方法(idtISO1209:1976)GB/T8813-1988硬质泡沫塑料压缩试验...

1、当您付费下载文档后,您只拥有了使用权限,并不意味着购买了版权,文档只能用于自身使用,不得用于其他商业用途(如 [转卖]进行直接盈利或[编辑后售卖]进行间接盈利)。
2、本站所有内容均由合作方或网友上传,本站不对文档的完整性、权威性及其观点立场正确性做任何保证或承诺!文档内容仅供研究参考,付费前请自行鉴别。
3、如文档内容存在违规,或者侵犯商业秘密、侵犯著作权等,请点击“违规举报”。

碎片内容

蜗牛文库的最新文档

二年级数学下册其中检测卷二年级数学下册其中检测卷附答案#期中测试卷.pdf
10.00金币
0下载
二年级数学下册期末质检卷(苏教版)二年级数学下册期末质检卷(苏教版)#期末复习 #期末测试卷 #二年级数学 #二年级数学下册#关注我持续更新小学知识.pdf
10.00金币
0下载
二年级数学下册期末混合运算专项练习二年级数学下册期末混合运算专项练习#二年级#二年级数学下册#关注我持续更新小学知识 #知识分享 #家长收藏孩子受益.pdf
10.00金币
1下载
二年级数学下册年月日三类周期问题解题方法二年级数学下册年月日三类周期问题解题方法#二年级#二年级数学下册#知识分享 #关注我持续更新小学知识 #家长收藏孩子受益.pdf
10.00金币
0下载
二年级数学下册解决问题专项训练二年级数学下册解决问题专项训练#专项训练#解决问题#二年级#二年级数学下册#知识分享.pdf
10.00金币
1下载
二年级数学下册还原问题二年级数学下册还原问题#二年级#二年级数学#关注我持续更新小学知识 #知识分享 #家长收藏孩子受益.pdf
10.00金币
1下载
二年级数学下册第六单元考试卷家长打印出来给孩子测试测试争取拿到高分!#小学二年级试卷分享 #二年级第六单考试数学 #第六单考试#二年级数学下册.pdf
10.00金币
0下载
二年级数学下册必背顺口溜口诀汇总二年级数学下册必背顺口溜口诀汇总#二年级#二年级数学下册 #知识分享 #家长收藏孩子受益 #关注我持续更新小学知识.pdf
10.00金币
0下载
二年级数学下册《重点难点思维题》两大问题解决技巧和方法巧算星期几解决周期问题还原问题强化思维训练老师精心整理家长可以打印出来给孩子练习#家长收藏孩子受益 #学霸秘籍 #思维训练 #二年级 #知识点总结.pdf
10.00金币
0下载
二年级数学下册 必背公式大全寒假提前背一背开学更轻松#二年级 #二年级数学 #二年级数学下册 #寒假充电计划 #公式.pdf
10.00金币
0下载
蜗牛文库+ 关注
实名认证
内容提供者

提供各种专业文档内容

确认删除?
QQ
  • QQ点击这里给我发消息
微信客服
  • 微信客服
回到顶部