电脑桌面
添加蜗牛文库到电脑桌面
安装后可以在桌面快捷访问

GB4084-1999 自应力混凝土输水管.pdfVIP免费

GB4084-1999 自应力混凝土输水管.pdf_第1页
GB4084-1999 自应力混凝土输水管.pdf_第2页
GB4084-1999 自应力混凝土输水管.pdf_第3页
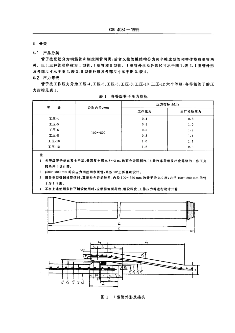
GB4084-1999前3本标准是在总结GB4084—1983《承插式自应力钢筋混凝土输水管》和SL11—1990《喷灌用自应力钢丝网水泥管》实施经验的基础上,经调,研究与试验验证后修订的。无国外同类产品标准可等效或等同采用。本标准修订的主要内容:1.将自应力钢丝网水泥输水管纳人本标准;2.增列了原材料的质量要求;3.根据产品的外观质量与尺寸偏差划分了产品质量等级;4.试验方法规定比较详细,有利于测试结果的准确与可比;5.制定了检验规则等。本标准附录A、附录B为标准的附录。本标准作为强制性国家标准实施。本标准自实施之日起,代替GB4084—1983,本标准由国家建筑材料工业局提出。本标准由全国水泥制品标准化技术委员会归口。本标准负责起草单位:中国建筑材料科学研究院水泥科学与新型建筑材料研究所、国家建筑材料工业局苏州混凝土水泥制品研究院、国家建筑材料工业局标准化研究所。本标准参加起草单位:浙江新安江水泥制品厂、山东莱西水泥制品厂、浙江浙东水泥制品有限公司、江苏盐城市自应力管有限公司、广西南宁水泥制品总厂、福建南平市水泥制品厂、江苏泰兴水泥制品厂、南京市水泥制管厂、浙江省水泥制品厂、浙江临海水泥制品厂、河北石家庄市水泥制品厂、浙江湖州市浙北水泥制管有限公司、南京市水泥制品机械厂、江苏江都华光水泥机械制造有限公司_、广东番禺市水泥制品厂。本标准主要起草人:曹永康、周正、杨斌、沈雅国、吴刚、邱风雷、蔡仲林。本标准委托中国建筑材料科学研究院水泥科学与新型建筑材料研究所负责解释。本标准首次发布时间1984年,第一次修订时间1999年。中华人民共和国国家标准自应力混凝土输水管代替GB4084—1983Self-stressingconcretepipeforwaterGB4084—19991范围本标准规定了自应力混凝土输水管产品的分类、规格尺寸、技术要求、试验方法、检验规则、标志、出厂证明、运输、保管、使用规定等内容。本标准适用于公称内径为100〜800mm,工作压力为0.4〜1.2MPa,其接头采用圆形截面橡胶圈密封的承插式自应力混凝土输水管。对管体和密封圈有腐蚀作用的水和土壤,应采取防护措施后方可铺设使用。若所需管子的规格、尺寸、工压、用途不属于本标准所列范围者,由供需双方协商解决。2引用标准下列标准所包含的条文,通过在本标准中引用而构成为本标准的条文。本标准出版时,所示版本均为有效。所有标准都会被修订,使用本标准的各方应探讨使用下列标准最新版本的可能性。GB/T176—1996水泥化学分析方法GB/T17671—1999水泥胶砂...

1、当您付费下载文档后,您只拥有了使用权限,并不意味着购买了版权,文档只能用于自身使用,不得用于其他商业用途(如 [转卖]进行直接盈利或[编辑后售卖]进行间接盈利)。
2、本站所有内容均由合作方或网友上传,本站不对文档的完整性、权威性及其观点立场正确性做任何保证或承诺!文档内容仅供研究参考,付费前请自行鉴别。
3、如文档内容存在违规,或者侵犯商业秘密、侵犯著作权等,请点击“违规举报”。

碎片内容

蜗牛文库的最新文档

二年级数学下册其中检测卷二年级数学下册其中检测卷附答案#期中测试卷.pdf
10.00金币
0下载
二年级数学下册期末质检卷(苏教版)二年级数学下册期末质检卷(苏教版)#期末复习 #期末测试卷 #二年级数学 #二年级数学下册#关注我持续更新小学知识.pdf
10.00金币
0下载
二年级数学下册期末混合运算专项练习二年级数学下册期末混合运算专项练习#二年级#二年级数学下册#关注我持续更新小学知识 #知识分享 #家长收藏孩子受益.pdf
10.00金币
1下载
二年级数学下册年月日三类周期问题解题方法二年级数学下册年月日三类周期问题解题方法#二年级#二年级数学下册#知识分享 #关注我持续更新小学知识 #家长收藏孩子受益.pdf
10.00金币
0下载
二年级数学下册解决问题专项训练二年级数学下册解决问题专项训练#专项训练#解决问题#二年级#二年级数学下册#知识分享.pdf
10.00金币
1下载
二年级数学下册还原问题二年级数学下册还原问题#二年级#二年级数学#关注我持续更新小学知识 #知识分享 #家长收藏孩子受益.pdf
10.00金币
1下载
二年级数学下册第六单元考试卷家长打印出来给孩子测试测试争取拿到高分!#小学二年级试卷分享 #二年级第六单考试数学 #第六单考试#二年级数学下册.pdf
10.00金币
0下载
二年级数学下册必背顺口溜口诀汇总二年级数学下册必背顺口溜口诀汇总#二年级#二年级数学下册 #知识分享 #家长收藏孩子受益 #关注我持续更新小学知识.pdf
10.00金币
0下载
二年级数学下册《重点难点思维题》两大问题解决技巧和方法巧算星期几解决周期问题还原问题强化思维训练老师精心整理家长可以打印出来给孩子练习#家长收藏孩子受益 #学霸秘籍 #思维训练 #二年级 #知识点总结.pdf
10.00金币
0下载
二年级数学下册 必背公式大全寒假提前背一背开学更轻松#二年级 #二年级数学 #二年级数学下册 #寒假充电计划 #公式.pdf
10.00金币
0下载
蜗牛文库+ 关注
实名认证
内容提供者

提供各种专业文档内容

确认删除?
QQ
  • QQ点击这里给我发消息
微信客服
  • 微信客服
回到顶部