电脑桌面
添加蜗牛文库到电脑桌面
安装后可以在桌面快捷访问

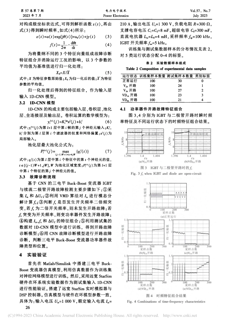
基于CNN的Buck-Boost变流器开路故障诊断_李宇昂.pdfVIP免费

基于CNN的Buck-Boost变流器开路故障诊断_李宇昂.pdf_第1页
基于CNN的Buck-Boost变流器开路故障诊断_李宇昂.pdf_第2页
基于CNN的Buck-Boost变流器开路故障诊断_李宇昂.pdf_第3页
第57卷第7期2023年7月电力电子技术PowerElectronicsVol.57,No.7July2023基于CNN的Buck-Boost变流器开路故障诊断李宇昂\岳朋朋2,李豪1(1.上海电力大学,电气工程学院,上海200090;2.国网安徽省电力有限公司,阜阳市城郊供电公司,安徽阜阳201804)摘要:针对三电平Buck-Boost变流器开关管与续流二极管开路故障特征耦合问题,根据功率器件开路故障前后的时频特征变化,提出一种基于一维卷积神经网络(1D-CNN)的功率器件开路故障检测方法。首先,采用变分模态分解(VMD)算法计算开关模态分量瞬时频率特征,构建变流器输入电流、瞬时频率和电容电压差的特征组合。然后,建立1D-CNN模型并通过Matlab/Simulink仿真数据进行训练。最后,在半实物硬件在环测试平台进行实验验证。实验结果表明,功率器件开路故障会使运行电流瞬时频率发生二倍频突变,通过时频特征数据驱动方法能够准确检测IGBT与续流二极管的开路故障,准确率大于98%,而且时频特征组合具有更高的准确率和工况鲁棒性。关键词:变流器;卷积神经网络;开路故障检测中图分类号:TM46文献标识码:A文章编号:1000-100X(2023)07-0024-04Open-circuitFaultDetectionforBuck-BoostConverterUsingCNNUYu-ang1,YUEPeng-peng2,LIHao1(l.ShanghaiUniversityofElectricPowertShanghai200090,China)Abstract:Thefeaturesofswitchtubeandthefreewheelingdiodeopen-circuitfaultinthethree-levelBuck-Boostcon?verterarehighlycoupledforaccuratefaultdetection.Aone-dimensionalconvolutionalneuralnetwork(1D-CNN)basedmethodfor...

1、当您付费下载文档后,您只拥有了使用权限,并不意味着购买了版权,文档只能用于自身使用,不得用于其他商业用途(如 [转卖]进行直接盈利或[编辑后售卖]进行间接盈利)。
2、本站所有内容均由合作方或网友上传,本站不对文档的完整性、权威性及其观点立场正确性做任何保证或承诺!文档内容仅供研究参考,付费前请自行鉴别。
3、如文档内容存在违规,或者侵犯商业秘密、侵犯著作权等,请点击“违规举报”。

碎片内容

蜗牛文库的最新文档

二年级数学下册其中检测卷二年级数学下册其中检测卷附答案#期中测试卷.pdf
10.00金币
0下载
二年级数学下册期末质检卷(苏教版)二年级数学下册期末质检卷(苏教版)#期末复习 #期末测试卷 #二年级数学 #二年级数学下册#关注我持续更新小学知识.pdf
10.00金币
0下载
二年级数学下册期末混合运算专项练习二年级数学下册期末混合运算专项练习#二年级#二年级数学下册#关注我持续更新小学知识 #知识分享 #家长收藏孩子受益.pdf
10.00金币
1下载
二年级数学下册年月日三类周期问题解题方法二年级数学下册年月日三类周期问题解题方法#二年级#二年级数学下册#知识分享 #关注我持续更新小学知识 #家长收藏孩子受益.pdf
10.00金币
0下载
二年级数学下册解决问题专项训练二年级数学下册解决问题专项训练#专项训练#解决问题#二年级#二年级数学下册#知识分享.pdf
10.00金币
1下载
二年级数学下册还原问题二年级数学下册还原问题#二年级#二年级数学#关注我持续更新小学知识 #知识分享 #家长收藏孩子受益.pdf
10.00金币
1下载
二年级数学下册第六单元考试卷家长打印出来给孩子测试测试争取拿到高分!#小学二年级试卷分享 #二年级第六单考试数学 #第六单考试#二年级数学下册.pdf
10.00金币
0下载
二年级数学下册必背顺口溜口诀汇总二年级数学下册必背顺口溜口诀汇总#二年级#二年级数学下册 #知识分享 #家长收藏孩子受益 #关注我持续更新小学知识.pdf
10.00金币
0下载
二年级数学下册《重点难点思维题》两大问题解决技巧和方法巧算星期几解决周期问题还原问题强化思维训练老师精心整理家长可以打印出来给孩子练习#家长收藏孩子受益 #学霸秘籍 #思维训练 #二年级 #知识点总结.pdf
10.00金币
0下载
二年级数学下册 必背公式大全寒假提前背一背开学更轻松#二年级 #二年级数学 #二年级数学下册 #寒假充电计划 #公式.pdf
10.00金币
0下载
蜗牛文库+ 关注
实名认证
内容提供者

提供各种专业文档内容

确认删除?
QQ
  • QQ点击这里给我发消息
微信客服
  • 微信客服
回到顶部