电脑桌面
添加蜗牛文库到电脑桌面
安装后可以在桌面快捷访问

GB/T 324-2008 焊缝符号表示法.pdfVIP免费

GB/T 324-2008 焊缝符号表示法.pdf_第1页
GB/T 324-2008 焊缝符号表示法.pdf_第2页
GB/T 324-2008 焊缝符号表示法.pdf_第3页
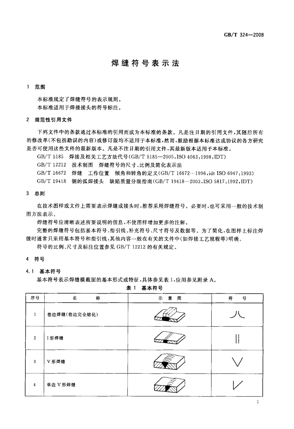
ICS25.160.01J33a雪中华人民共和国国家标准GB/T324—2008代替GB/T3241988焊缝符号表示法Weldsymbolicrepresentationondrawings(ISO2553:1992,Welded,brazedandsolderedjointsSymbolicrepresentationondrawings,MOD)2008—06-26发布2009—01—01实施宰瞀嬲紫獬警矬瞥鐾发布中国国家标准化管理委员会况19刖肴GB/T324—2008本标准修改采用ISO2553:1992《焊接、硬钎焊及软钎焊接头在图样上的符号表示法》(英文版)。本标准与ISO2553:1992相比,主要差异如下:——删除了国际标准的前言;——规范性引用文件中删除了ISO123:1982、ISO544:1989、ISO1302:1978、ISO2560:1973、IsO30981:1974、ISO3581:1976、ISO8167:1989,增加了GB/T122121990;——增加了若干种补充符号;——尺寸标注方法做了细化;——删除了国际标准中的部分示例。本标准代替GB/T324—1988<《焊缝符号表示法》。本标准与6B/T324一1988相比主要变化如下:——适用范围扩大至钎焊接头;——增加了7种基本符号;——原来的“辅助符号”和“补充符号”合并为“补充符号”,并在其中增加了圆滑过渡符号,原来的衬垫细分为永久衬垫和临时衬垫;——示例部分按照实用、简明的原则做了调整。本标准的附录A为资料性附录。本标准由全国焊接标准化技术委员会提出并归口。本标准起草单位:哈尔滨焊接研究所、北京电力建设公司、兰州兰石机械设备有限责任公司。本标准主要起草人:朴东光、任永宁、雷万庆。本标准所代替标准的历次版本发布情况为:——GB324--1964、GB/T324—1980、GB/T3241988。焊缝符号表示法GB/T324--20081范围本标准规定了焊缝符号的表示规则。本标准适用于焊接接头的符号标注。2规范性引用文件下列文件中的条款通过本标准的;【用而成为本标准的条款。凡是注目期的;【用文件,其随后所有的修改单(不包括勘误的内容)或修订版均不适用于本标准,然而,鼓励根据本标准达成协议的各方研究是否可使用这些文件的最新版本。凡是不注日期的引用文件,其最新版本适用于本标准。GB/T5185焊接及相关工艺方法代号(GB/T5185--2005,IsO4063:1998,IDT)GB/T12212技术制图焊缝符号的尺寸、比例及简化表示法GB/T16672焊缝工作位置倾角和转角的定义(GB/T16672⋯1996,idtISO6947:1993)GB/T19418钢的弧焊接头缺陷质量分级指南(GB/T194182003,1SO5817:1992,IDT)3总则在技术图样或文件上需要表示焊缝或接头时,推荐采用焊缝符号。必要时,也可采用一般的技术制...

1、当您付费下载文档后,您只拥有了使用权限,并不意味着购买了版权,文档只能用于自身使用,不得用于其他商业用途(如 [转卖]进行直接盈利或[编辑后售卖]进行间接盈利)。
2、本站所有内容均由合作方或网友上传,本站不对文档的完整性、权威性及其观点立场正确性做任何保证或承诺!文档内容仅供研究参考,付费前请自行鉴别。
3、如文档内容存在违规,或者侵犯商业秘密、侵犯著作权等,请点击“违规举报”。

碎片内容

蜗牛文库的最新文档

二年级数学下册其中检测卷二年级数学下册其中检测卷附答案#期中测试卷.pdf
10.00金币
0下载
二年级数学下册期末质检卷(苏教版)二年级数学下册期末质检卷(苏教版)#期末复习 #期末测试卷 #二年级数学 #二年级数学下册#关注我持续更新小学知识.pdf
10.00金币
0下载
二年级数学下册期末混合运算专项练习二年级数学下册期末混合运算专项练习#二年级#二年级数学下册#关注我持续更新小学知识 #知识分享 #家长收藏孩子受益.pdf
10.00金币
1下载
二年级数学下册年月日三类周期问题解题方法二年级数学下册年月日三类周期问题解题方法#二年级#二年级数学下册#知识分享 #关注我持续更新小学知识 #家长收藏孩子受益.pdf
10.00金币
0下载
二年级数学下册解决问题专项训练二年级数学下册解决问题专项训练#专项训练#解决问题#二年级#二年级数学下册#知识分享.pdf
10.00金币
1下载
二年级数学下册还原问题二年级数学下册还原问题#二年级#二年级数学#关注我持续更新小学知识 #知识分享 #家长收藏孩子受益.pdf
10.00金币
1下载
二年级数学下册第六单元考试卷家长打印出来给孩子测试测试争取拿到高分!#小学二年级试卷分享 #二年级第六单考试数学 #第六单考试#二年级数学下册.pdf
10.00金币
0下载
二年级数学下册必背顺口溜口诀汇总二年级数学下册必背顺口溜口诀汇总#二年级#二年级数学下册 #知识分享 #家长收藏孩子受益 #关注我持续更新小学知识.pdf
10.00金币
0下载
二年级数学下册《重点难点思维题》两大问题解决技巧和方法巧算星期几解决周期问题还原问题强化思维训练老师精心整理家长可以打印出来给孩子练习#家长收藏孩子受益 #学霸秘籍 #思维训练 #二年级 #知识点总结.pdf
10.00金币
0下载
二年级数学下册 必背公式大全寒假提前背一背开学更轻松#二年级 #二年级数学 #二年级数学下册 #寒假充电计划 #公式.pdf
10.00金币
0下载
蜗牛文库+ 关注
实名认证
内容提供者

提供各种专业文档内容

确认删除?
QQ
  • QQ点击这里给我发消息
微信客服
  • 微信客服
回到顶部