电脑桌面
添加蜗牛文库到电脑桌面
安装后可以在桌面快捷访问

线缆选择EXCEL表——国标51348版、江苏版、陕西版.xlsxVIP免费

线缆选择EXCEL表——国标51348版、江苏版、陕西版.xlsx_第1页
线缆选择EXCEL表——国标51348版、江苏版、陕西版.xlsx_第2页
线缆选择EXCEL表——国标51348版、江苏版、陕西版.xlsx_第3页
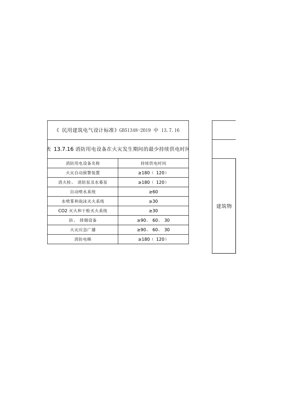
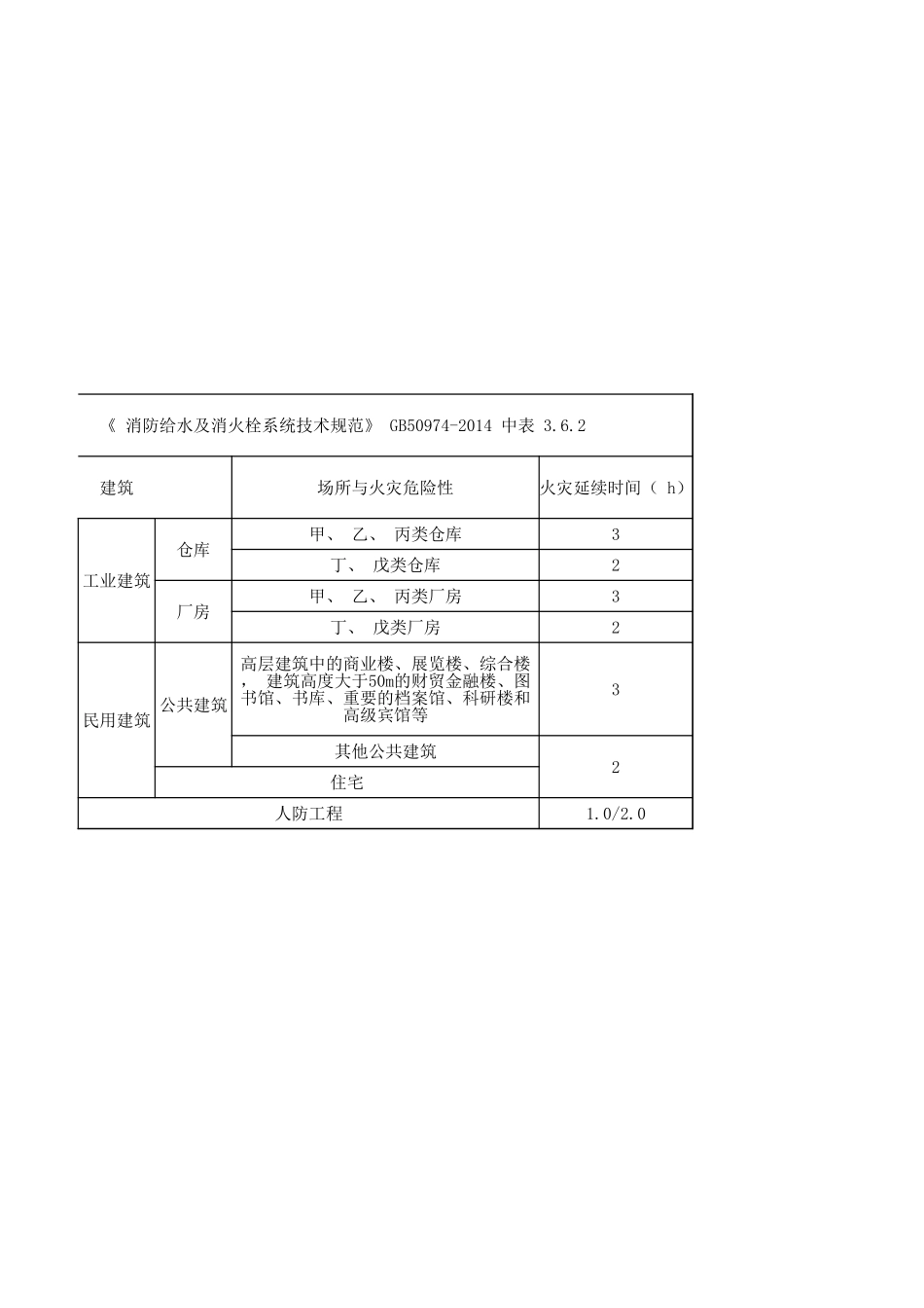
建筑消防用电设备名称持续供电时间建筑物火灾自动报警装置消火栓、消防泵及水幕泵自动喷水系统≥60水喷雾和泡沫灭火系统≥30≥30防、排烟设备火灾应急广播消防电梯《民用建筑电气设计标准》GB51348-2019中13.7.16《消防给水及消火表13.7.16消防用电设备在火灾发生期间的最少持续供电时间≥180(120)≥180(120)CO2灭火和干粉灭火系统≥90、60、30≥90、60、30≥180(120)建筑场所与火灾危险性工业建筑仓库甲、乙、丙类仓库3丁、戊类仓库2厂房甲、乙、丙类厂房3丁、戊类厂房2民用建筑公共建筑3其他公共建筑2住宅人防工程1.0/2.0《消防给水及消火栓系统技术规范》GB50974-2014中表3.6.2火灾延续时间(h)高层建筑中的商业楼、展览楼、综合楼,建筑高度大于50m的财贸金融楼、图书馆、书库、重要的档案馆、科研楼和高级宾馆等适用情况超高层公共建筑除避难层明敷的线缆外避难层(间)明敷的电线明敷的电缆其他建筑(非人员密集的公共场所)除公众聚集场所外的各人员密集场所医院门诊楼和病房楼学校教学楼、图书馆、食堂和集体宿舍养老院、福利院托儿所、幼儿园公共图书馆阅览室公共展览馆、博物馆展览厅宾馆、饭店商场、集贸市场体育场馆会堂公共娱乐场所电影院、剧场、录像厅、礼堂等演出、放映具有娱乐功能的夜总会、音乐茶座、酒吧和餐游艺、游乐场所保龄球馆、旱冰场、桑拿等娱乐、健身、休互联网上网服务营业场所地下建筑长期有人滞留建筑高度不大于100m的一类高层公共建筑金融建筑、省级电力调度建筑、省(市)级播电视、电信建筑人员密集的公共场所除公共娱乐场所外的各公众聚集场所除公共娱乐场所外的各公众聚集场所客运车站候车室、客运码头候船厅、民用机场站楼(包括类似场所)舞厅、卡拉OK厅等歌舞娱乐场所除避难层外明敷的线路医院(除门诊楼和病房楼)二级及以上医院二级以下医院教育建筑(除教学楼、图书馆、食堂和集体宿舍)公共图书馆(除阅览室)特大型、大型博物馆成束敷设的线缆大中型、中型及小型博物馆成束敷设的线缆具有二级耐火等级的交通建筑中成束敷设的线具有一级耐火等级的交通建筑中成束敷设的线金融建筑建筑高度大于27m的高层住宅建筑二类高层及多层公共建筑(除人员密集的公共场所)会展建筑(除展览厅)除直埋敷设的电缆和穿导管暗敷的电线电缆外,束敷设的电缆博物馆(除展览厅)交通建筑(除客运车站候车室、客运码头候船厅、民用机场航站楼)除直埋和穿管暗敷的电缆及全程穿管暗敷的电线,特级和一级金融设施主机...

1、当您付费下载文档后,您只拥有了使用权限,并不意味着购买了版权,文档只能用于自身使用,不得用于其他商业用途(如 [转卖]进行直接盈利或[编辑后售卖]进行间接盈利)。
2、本站所有内容均由合作方或网友上传,本站不对文档的完整性、权威性及其观点立场正确性做任何保证或承诺!文档内容仅供研究参考,付费前请自行鉴别。
3、如文档内容存在违规,或者侵犯商业秘密、侵犯著作权等,请点击“违规举报”。

碎片内容

蜗牛文库的最新文档

二年级数学下册其中检测卷二年级数学下册其中检测卷附答案#期中测试卷.pdf
10.00金币
0下载
二年级数学下册期末质检卷(苏教版)二年级数学下册期末质检卷(苏教版)#期末复习 #期末测试卷 #二年级数学 #二年级数学下册#关注我持续更新小学知识.pdf
10.00金币
0下载
二年级数学下册期末混合运算专项练习二年级数学下册期末混合运算专项练习#二年级#二年级数学下册#关注我持续更新小学知识 #知识分享 #家长收藏孩子受益.pdf
10.00金币
1下载
二年级数学下册年月日三类周期问题解题方法二年级数学下册年月日三类周期问题解题方法#二年级#二年级数学下册#知识分享 #关注我持续更新小学知识 #家长收藏孩子受益.pdf
10.00金币
0下载
二年级数学下册解决问题专项训练二年级数学下册解决问题专项训练#专项训练#解决问题#二年级#二年级数学下册#知识分享.pdf
10.00金币
1下载
二年级数学下册还原问题二年级数学下册还原问题#二年级#二年级数学#关注我持续更新小学知识 #知识分享 #家长收藏孩子受益.pdf
10.00金币
1下载
二年级数学下册第六单元考试卷家长打印出来给孩子测试测试争取拿到高分!#小学二年级试卷分享 #二年级第六单考试数学 #第六单考试#二年级数学下册.pdf
10.00金币
0下载
二年级数学下册必背顺口溜口诀汇总二年级数学下册必背顺口溜口诀汇总#二年级#二年级数学下册 #知识分享 #家长收藏孩子受益 #关注我持续更新小学知识.pdf
10.00金币
0下载
二年级数学下册《重点难点思维题》两大问题解决技巧和方法巧算星期几解决周期问题还原问题强化思维训练老师精心整理家长可以打印出来给孩子练习#家长收藏孩子受益 #学霸秘籍 #思维训练 #二年级 #知识点总结.pdf
10.00金币
0下载
二年级数学下册 必背公式大全寒假提前背一背开学更轻松#二年级 #二年级数学 #二年级数学下册 #寒假充电计划 #公式.pdf
10.00金币
0下载
蜗牛文库+ 关注
实名认证
内容提供者

提供各种专业文档内容

确认删除?
QQ
  • QQ点击这里给我发消息
微信客服
  • 微信客服
回到顶部