电脑桌面
添加蜗牛文库到电脑桌面
安装后可以在桌面快捷访问

(4)电缆管配制敷设分部.docVIP免费

(4)电缆管配制敷设分部.doc_第1页
(4)电缆管配制敷设分部.doc_第2页
(4)电缆管配制敷设分部.doc_第3页
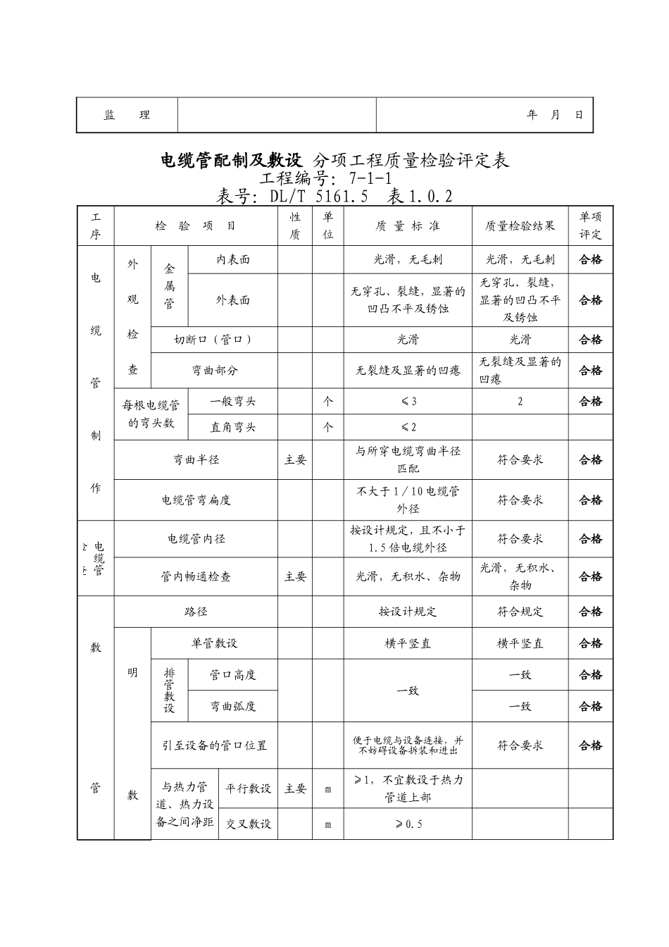
电缆管配制及敷设分部工程质量验收评定表工程编号:7-1表号:DL/T5161.1表4.0.2序号分项工程名称性质评定结果备注1电缆管配制及敷设合格验收结论:质检机构质量验收评定意见签名项目部年月日公司年月日监理年月日电缆管配制及敷设分项工程质量检验评定表工程编号:7-1-1表号:DL/T5161.5表1.0.2工序检验项目性质单位质量标准质量检验结果单项评定电缆管制作外观检查金属管内表面光滑,无毛刺光滑,无毛刺合格外表面无穿孔、裂缝,显著的凹凸不平及锈蚀无穿孔、裂缝,显著的凹凸不平及锈蚀合格切断口(管口)光滑光滑合格弯曲部分无裂缝及显著的凹瘪无裂缝及显著的凹瘪合格每根电缆管的弯头数一般弯头个≤32合格直角弯头个≤2弯曲半径主要与所穿电缆弯曲半径匹配符合要求合格电缆管弯扁度不大于1/10电缆管外径符合要求合格电缆管检查电缆管内径按设计规定,且不小于1.5倍电缆外径符合要求合格管内畅通检查主要光滑,无积水、杂物光滑,无积水、杂物合格敷管路径按设计规定符合规定合格明敷单管敷设横平竖直横平竖直合格排管敷设管口高度一致一致合格弯曲弧度一致合格引至设备的管口位置便于电缆与设备连接,并不妨碍设备拆装和进出符合要求合格与热力管道、热力设备之间净距平行敷设主要m≥1,不宜敷设于热力管道上部交叉敷设m≥0.5与保温层之间净距平行敷设主要m≥0.5交叉敷设m≥0.2电缆管配制及敷设分项工程质量检验评定表工程编号:7-1-1表号:DL/T5161.5表1.0.2续工序检验项目性质单位质量标准质量检验结果单项评定敷管直埋直埋管距地面深度(混凝土内除外)mm≥700700伸出建筑物散水坡的长度mm≥250300伸出道路路基长度m≥2伸出地面的排管外观检查排列整齐,高度一致排列整齐,高度一致合格引入建筑物和建筑物内的埋置深度(混凝土内除外)mm300~500400合格电缆管道与其他管道、道路、建筑物之间平行和交叉时的净距主要按GB50168-2006表5.4.3规定符合要求合格电缆管连接金属管套管连接套管长度1.5D~3D电缆管外径符合要求合格外观检查焊接牢固焊接牢固合格丝扣连接管端套丝长度mm≥1/2管接头长度外观检查连接牢固,密封良好防腐漆检查涂刷均匀,漆层完好符合要求合格硬质塑料管套接套管两侧封焊牢固,密封良好插接插接面用胶合剂粘和牢固,密封良好插入深度1.1D~1.8D电缆管内径硬质塑料管补偿装置安装按GB50168-2006规定金属软管固定与连接主要牢固、紧固其镀锌管镀锌层完整镀锌层完整合格他电缆管接地主要牢固,导通良好牢固,导通良好合...

1、当您付费下载文档后,您只拥有了使用权限,并不意味着购买了版权,文档只能用于自身使用,不得用于其他商业用途(如 [转卖]进行直接盈利或[编辑后售卖]进行间接盈利)。
2、本站所有内容均由合作方或网友上传,本站不对文档的完整性、权威性及其观点立场正确性做任何保证或承诺!文档内容仅供研究参考,付费前请自行鉴别。
3、如文档内容存在违规,或者侵犯商业秘密、侵犯著作权等,请点击“违规举报”。

碎片内容

蜗牛文库的最新文档

二年级数学下册其中检测卷二年级数学下册其中检测卷附答案#期中测试卷.pdf
10.00金币
0下载
二年级数学下册期末质检卷(苏教版)二年级数学下册期末质检卷(苏教版)#期末复习 #期末测试卷 #二年级数学 #二年级数学下册#关注我持续更新小学知识.pdf
10.00金币
0下载
二年级数学下册期末混合运算专项练习二年级数学下册期末混合运算专项练习#二年级#二年级数学下册#关注我持续更新小学知识 #知识分享 #家长收藏孩子受益.pdf
10.00金币
1下载
二年级数学下册年月日三类周期问题解题方法二年级数学下册年月日三类周期问题解题方法#二年级#二年级数学下册#知识分享 #关注我持续更新小学知识 #家长收藏孩子受益.pdf
10.00金币
0下载
二年级数学下册解决问题专项训练二年级数学下册解决问题专项训练#专项训练#解决问题#二年级#二年级数学下册#知识分享.pdf
10.00金币
1下载
二年级数学下册还原问题二年级数学下册还原问题#二年级#二年级数学#关注我持续更新小学知识 #知识分享 #家长收藏孩子受益.pdf
10.00金币
1下载
二年级数学下册第六单元考试卷家长打印出来给孩子测试测试争取拿到高分!#小学二年级试卷分享 #二年级第六单考试数学 #第六单考试#二年级数学下册.pdf
10.00金币
0下载
二年级数学下册必背顺口溜口诀汇总二年级数学下册必背顺口溜口诀汇总#二年级#二年级数学下册 #知识分享 #家长收藏孩子受益 #关注我持续更新小学知识.pdf
10.00金币
0下载
二年级数学下册《重点难点思维题》两大问题解决技巧和方法巧算星期几解决周期问题还原问题强化思维训练老师精心整理家长可以打印出来给孩子练习#家长收藏孩子受益 #学霸秘籍 #思维训练 #二年级 #知识点总结.pdf
10.00金币
0下载
二年级数学下册 必背公式大全寒假提前背一背开学更轻松#二年级 #二年级数学 #二年级数学下册 #寒假充电计划 #公式.pdf
10.00金币
0下载
蜗牛文库+ 关注
实名认证
内容提供者

提供各种专业文档内容

确认删除?
QQ
  • QQ点击这里给我发消息
微信客服
  • 微信客服
回到顶部