电脑桌面
添加蜗牛文库到电脑桌面
安装后可以在桌面快捷访问

(7)电力电缆终端分部.docVIP免费

(7)电力电缆终端分部.doc_第1页
(7)电力电缆终端分部.doc_第2页
(7)电力电缆终端分部.doc_第3页
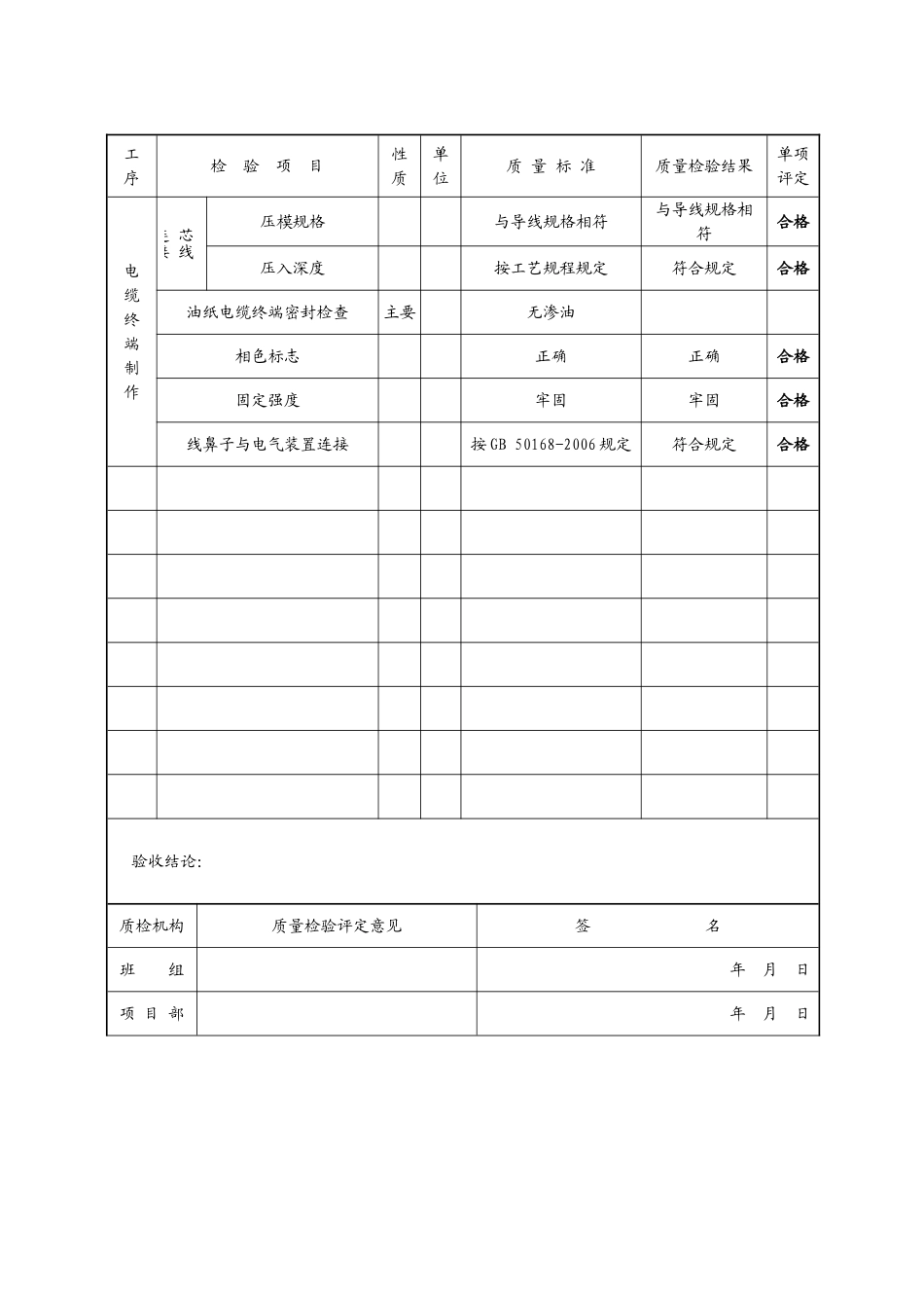
电力电缆终端制作安装分部工程质量验收评定表工程编号:7-4表号:DL/T5161.1表4.0.2序号分项工程名称性质评定结果备注1电力电缆终端制作及安装合格验收结论:质检机构质量验收评定意见签名项目部年月日公司年月日监理年月日电力电缆终端制作安装分项工程质量检验评定表工程编号:7-4-1表号:DL/T5161.5表3.0.2工序检验项目性质单位质量标准质量检验结果单项评定制作前检查电缆位置按设计规定符合设计规定合格型号,电压及规格符合设计规定合格绝缘检查主要良好良好合格电缆终端制作电缆终端盒及其配件齐全,无损伤齐全,无损伤合格制作工艺按工艺规程规定符合规程规定合格接地线接地线规格按GB50168-2006规定符合规定合格电缆穿过零序CT接地线符合规定合格接地线焊接牢固、可靠牢固、可靠合格单芯电缆金属层接地一端接地一端接地合格电缆芯线外观检查无损伤无损伤合格芯线绝缘包扎长度按工艺规程规定符合规程规定合格油纸电缆铅封位置电缆终端盒金属外壳与该处的电缆金属护套外观检查主要粘附密实,牢固,厚薄均匀,表面光滑,无夹渣、砂眼、缝隙环氧复合物配制和浇注主要按制造厂或工艺规程规定,搅拌均匀,无气泡符合规定合格聚乙烯电缆芯线外观检查无碳迹、划痕无碳迹、划痕合格预制电缆终端制作按制造厂规定热缩电缆终端制作冷缩电缆终端制作符合规定合格线鼻子线鼻子规格与芯线相符与芯线相符合格铜线鼻子镀锡表面光滑,干净表面光滑,干净合格电力电缆终端制作安装分项工程质量检验评定表工程编号:7-4-1表号:DL/T5161.5表3.0.2续工序检验项目性质单位质量标准质量检验结果单项评定电缆终端制作芯线连接压模规格与导线规格相符与导线规格相符合格压入深度按工艺规程规定符合规定合格油纸电缆终端密封检查主要无渗油相色标志正确正确合格固定强度牢固牢固合格线鼻子与电气装置连接按GB50168-2006规定符合规定合格验收结论:质检机构质量检验评定意见签名班组年月日项目部年月日

1、当您付费下载文档后,您只拥有了使用权限,并不意味着购买了版权,文档只能用于自身使用,不得用于其他商业用途(如 [转卖]进行直接盈利或[编辑后售卖]进行间接盈利)。
2、本站所有内容均由合作方或网友上传,本站不对文档的完整性、权威性及其观点立场正确性做任何保证或承诺!文档内容仅供研究参考,付费前请自行鉴别。
3、如文档内容存在违规,或者侵犯商业秘密、侵犯著作权等,请点击“违规举报”。

碎片内容

蜗牛文库的最新文档

二年级数学下册其中检测卷二年级数学下册其中检测卷附答案#期中测试卷.pdf
10.00金币
0下载
二年级数学下册期末质检卷(苏教版)二年级数学下册期末质检卷(苏教版)#期末复习 #期末测试卷 #二年级数学 #二年级数学下册#关注我持续更新小学知识.pdf
10.00金币
0下载
二年级数学下册期末混合运算专项练习二年级数学下册期末混合运算专项练习#二年级#二年级数学下册#关注我持续更新小学知识 #知识分享 #家长收藏孩子受益.pdf
10.00金币
1下载
二年级数学下册年月日三类周期问题解题方法二年级数学下册年月日三类周期问题解题方法#二年级#二年级数学下册#知识分享 #关注我持续更新小学知识 #家长收藏孩子受益.pdf
10.00金币
0下载
二年级数学下册解决问题专项训练二年级数学下册解决问题专项训练#专项训练#解决问题#二年级#二年级数学下册#知识分享.pdf
10.00金币
1下载
二年级数学下册还原问题二年级数学下册还原问题#二年级#二年级数学#关注我持续更新小学知识 #知识分享 #家长收藏孩子受益.pdf
10.00金币
1下载
二年级数学下册第六单元考试卷家长打印出来给孩子测试测试争取拿到高分!#小学二年级试卷分享 #二年级第六单考试数学 #第六单考试#二年级数学下册.pdf
10.00金币
0下载
二年级数学下册必背顺口溜口诀汇总二年级数学下册必背顺口溜口诀汇总#二年级#二年级数学下册 #知识分享 #家长收藏孩子受益 #关注我持续更新小学知识.pdf
10.00金币
0下载
二年级数学下册《重点难点思维题》两大问题解决技巧和方法巧算星期几解决周期问题还原问题强化思维训练老师精心整理家长可以打印出来给孩子练习#家长收藏孩子受益 #学霸秘籍 #思维训练 #二年级 #知识点总结.pdf
10.00金币
0下载
二年级数学下册 必背公式大全寒假提前背一背开学更轻松#二年级 #二年级数学 #二年级数学下册 #寒假充电计划 #公式.pdf
10.00金币
0下载
蜗牛文库+ 关注
实名认证
内容提供者

提供各种专业文档内容

确认删除?
QQ
  • QQ点击这里给我发消息
微信客服
  • 微信客服
回到顶部