电脑桌面
添加蜗牛文库到电脑桌面
安装后可以在桌面快捷访问

(6)电缆敷设分部.docVIP免费

(6)电缆敷设分部.doc_第1页
(6)电缆敷设分部.doc_第2页
(6)电缆敷设分部.doc_第3页
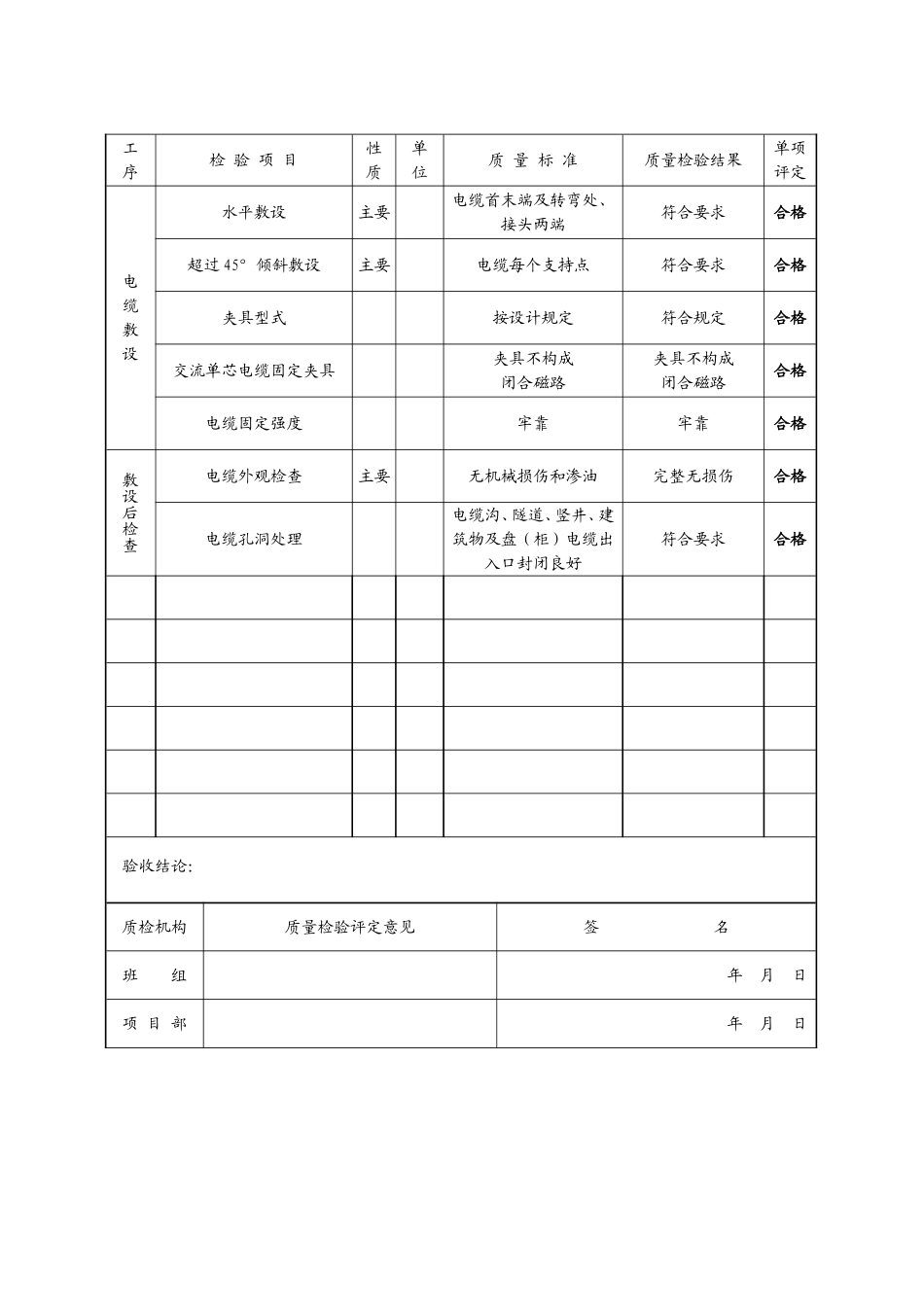
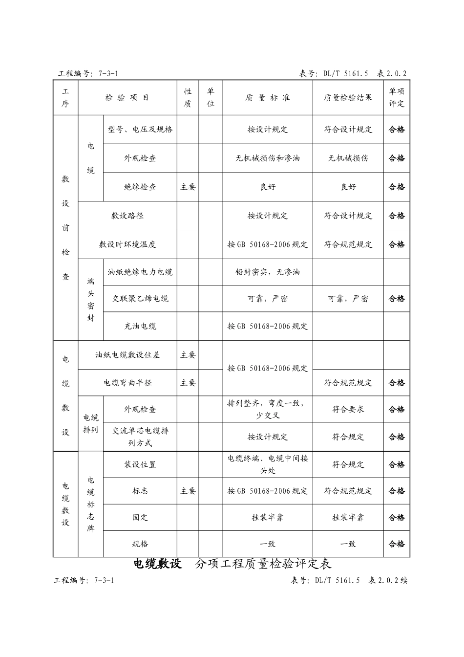
电缆敷设分部工程质量验收评定表工程编号:7-3表号:DL/T5161.1表4.0.2序号分项工程名称性质评定结果备注1电缆敷设合格验收结论:质检机构质量验收评定意见签名项目部年月日公司年月日监理年月日电缆敷设分项工程质量检验评定表工程编号:7-3-1表号:DL/T5161.5表2.0.2工序检验项目性质单位质量标准质量检验结果单项评定敷设前检查电缆型号、电压及规格按设计规定符合设计规定合格外观检查无机械损伤和渗油无机械损伤合格绝缘检查主要良好良好合格敷设路径按设计规定符合设计规定合格敷设时环境温度按GB50168-2006规定符合规范规定合格端头密封油纸绝缘电力电缆铅封密实,无渗油交联聚乙烯电缆可靠,严密可靠,严密合格充油电缆按GB50168-2006规定电缆敷设油纸电缆敷设位差主要按GB50168-2006规定电缆弯曲半径主要符合规范规定合格电缆排列外观检查排列整齐,弯度一致,少交叉符合要求合格交流单芯电缆排列方式按设计规定符合规定合格电缆敷设电缆标志牌装设位置电缆终端、电缆中间接头处符合规定合格标志主要按GB50168-2006规定符合规范规定合格固定挂装牢靠挂装牢靠合格规格一致一致合格电缆敷设分项工程质量检验评定表工程编号:7-3-1表号:DL/T5161.5表2.0.2续工序检验项目性质单位质量标准质量检验结果单项评定电缆敷设水平敷设主要电缆首末端及转弯处、接头两端符合要求合格超过45°倾斜敷设主要电缆每个支持点符合要求合格夹具型式按设计规定符合规定合格交流单芯电缆固定夹具夹具不构成闭合磁路夹具不构成闭合磁路合格电缆固定强度牢靠牢靠合格敷设后检查电缆外观检查主要无机械损伤和渗油完整无损伤合格电缆孔洞处理电缆沟、隧道、竖井、建筑物及盘(柜)电缆出入口封闭良好符合要求合格验收结论:质检机构质量检验评定意见签名班组年月日项目部年月日

1、当您付费下载文档后,您只拥有了使用权限,并不意味着购买了版权,文档只能用于自身使用,不得用于其他商业用途(如 [转卖]进行直接盈利或[编辑后售卖]进行间接盈利)。
2、本站所有内容均由合作方或网友上传,本站不对文档的完整性、权威性及其观点立场正确性做任何保证或承诺!文档内容仅供研究参考,付费前请自行鉴别。
3、如文档内容存在违规,或者侵犯商业秘密、侵犯著作权等,请点击“违规举报”。

碎片内容

蜗牛文库的最新文档

二年级数学下册其中检测卷二年级数学下册其中检测卷附答案#期中测试卷.pdf
10.00金币
0下载
二年级数学下册期末质检卷(苏教版)二年级数学下册期末质检卷(苏教版)#期末复习 #期末测试卷 #二年级数学 #二年级数学下册#关注我持续更新小学知识.pdf
10.00金币
0下载
二年级数学下册期末混合运算专项练习二年级数学下册期末混合运算专项练习#二年级#二年级数学下册#关注我持续更新小学知识 #知识分享 #家长收藏孩子受益.pdf
10.00金币
1下载
二年级数学下册年月日三类周期问题解题方法二年级数学下册年月日三类周期问题解题方法#二年级#二年级数学下册#知识分享 #关注我持续更新小学知识 #家长收藏孩子受益.pdf
10.00金币
0下载
二年级数学下册解决问题专项训练二年级数学下册解决问题专项训练#专项训练#解决问题#二年级#二年级数学下册#知识分享.pdf
10.00金币
1下载
二年级数学下册还原问题二年级数学下册还原问题#二年级#二年级数学#关注我持续更新小学知识 #知识分享 #家长收藏孩子受益.pdf
10.00金币
1下载
二年级数学下册第六单元考试卷家长打印出来给孩子测试测试争取拿到高分!#小学二年级试卷分享 #二年级第六单考试数学 #第六单考试#二年级数学下册.pdf
10.00金币
0下载
二年级数学下册必背顺口溜口诀汇总二年级数学下册必背顺口溜口诀汇总#二年级#二年级数学下册 #知识分享 #家长收藏孩子受益 #关注我持续更新小学知识.pdf
10.00金币
0下载
二年级数学下册《重点难点思维题》两大问题解决技巧和方法巧算星期几解决周期问题还原问题强化思维训练老师精心整理家长可以打印出来给孩子练习#家长收藏孩子受益 #学霸秘籍 #思维训练 #二年级 #知识点总结.pdf
10.00金币
0下载
二年级数学下册 必背公式大全寒假提前背一背开学更轻松#二年级 #二年级数学 #二年级数学下册 #寒假充电计划 #公式.pdf
10.00金币
0下载
蜗牛文库+ 关注
实名认证
内容提供者

提供各种专业文档内容

确认删除?
QQ
  • QQ点击这里给我发消息
微信客服
  • 微信客服
回到顶部