电脑桌面
添加蜗牛文库到电脑桌面
安装后可以在桌面快捷访问

继电保护作业指导书.docVIP免费

继电保护作业指导书.doc_第1页
继电保护作业指导书.doc_第2页
继电保护作业指导书.doc_第3页
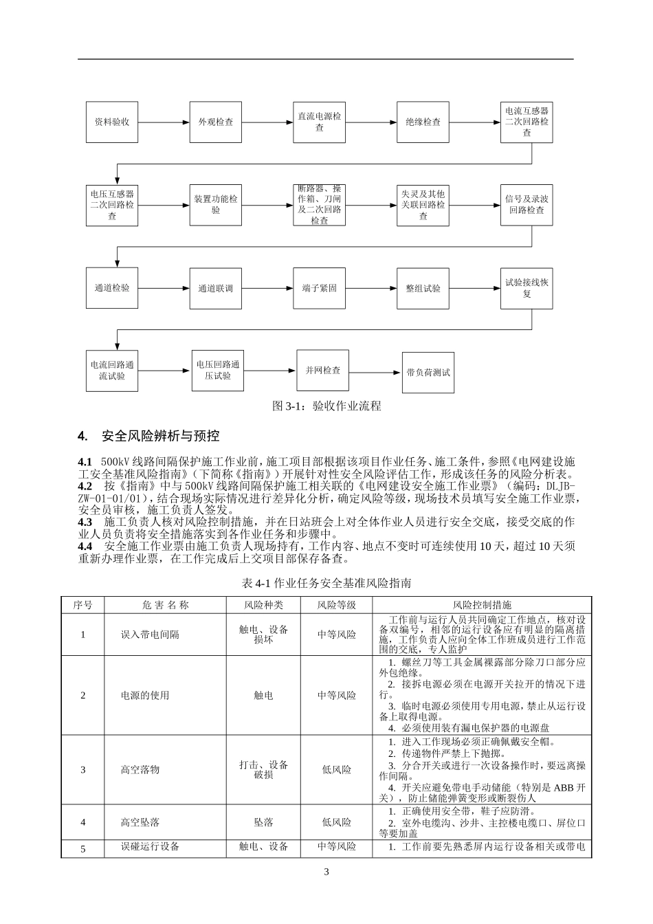
500kV线路间隔保护施工作业指导书编码:DLJB-ZW-01目次1适用范围..........................................................................52编写依据..........................................................................53作业流程..........................................................................54安全风险辨析与预控................................................................55作业准备..........................................................................66作业方法及质量控制措施............................................................77质量控制点.......................................................................2311.适用范围本作业指导书适用于南方电网500kV系统采用3/2断路器、4/3断路器等多断路器主接线形式的新建、扩建及改造工程,其它主接线形式可参照执行。本作业指导书不适用于500kV数字化变电站的验收检验。2.编写依据下列文件中的条款通过本标准的引用而成为本标准的条款。凡是注日期的引用文件,其随后所有的修改单或修订版均不适用于本标准,然而,鼓励根据本标准达成协议的各方研究是否可使用这些文件的最新版本。凡是不注日期的引用文件,其最新版本适用于本标准。DL/T995-2006《继电保护和电网安全自动装置检验规程》GB/T7261-2008《继电保护和安全自动装置基本试验方法》GB/T14285-2006《继电保护和安全自动装置技术规程》GB/T15145-2008《输电线路保护装置通用技术条件》DL/T478-2010《继电保护和安全自动装置通用技术条件》DL/T624-2010《继电保护微机型试验装置技术条件》《中国南方电网继电保护反事故措施汇编》3.作业流程2资料验收外观检查直流电源检查绝缘检查电流互感器二次回路检查电压互感器二次回路检查装置功能检验断路器、操作箱、刀闸及二次回路检查失灵及其他关联回路检查信号及录波回路检查通道检验通道联调端子紧固整组试验试验接线恢复电流回路通流试验电压回路通压试验并网检查带负荷测试图3-1:验收作业流程4.安全风险辨析与预控4.1500kV线路间隔保护施工作业前,施工项目部根据该项目作业任务、施工条件,参照《电网建设施工安全基准风险指南》(下简称《指南》)开展针对性安全风险评估工作,形成该任务的风险分析表。4.2按《指南》中与500kV线路间隔保护施工相关联的《电网建设安全施工作业票》(编码:DLJB-ZW-01-01/01),结合现场...

1、当您付费下载文档后,您只拥有了使用权限,并不意味着购买了版权,文档只能用于自身使用,不得用于其他商业用途(如 [转卖]进行直接盈利或[编辑后售卖]进行间接盈利)。
2、本站所有内容均由合作方或网友上传,本站不对文档的完整性、权威性及其观点立场正确性做任何保证或承诺!文档内容仅供研究参考,付费前请自行鉴别。
3、如文档内容存在违规,或者侵犯商业秘密、侵犯著作权等,请点击“违规举报”。

碎片内容

蜗牛文库的最新文档

二年级数学下册其中检测卷二年级数学下册其中检测卷附答案#期中测试卷.pdf
10.00金币
0下载
二年级数学下册期末质检卷(苏教版)二年级数学下册期末质检卷(苏教版)#期末复习 #期末测试卷 #二年级数学 #二年级数学下册#关注我持续更新小学知识.pdf
10.00金币
0下载
二年级数学下册期末混合运算专项练习二年级数学下册期末混合运算专项练习#二年级#二年级数学下册#关注我持续更新小学知识 #知识分享 #家长收藏孩子受益.pdf
10.00金币
1下载
二年级数学下册年月日三类周期问题解题方法二年级数学下册年月日三类周期问题解题方法#二年级#二年级数学下册#知识分享 #关注我持续更新小学知识 #家长收藏孩子受益.pdf
10.00金币
0下载
二年级数学下册解决问题专项训练二年级数学下册解决问题专项训练#专项训练#解决问题#二年级#二年级数学下册#知识分享.pdf
10.00金币
1下载
二年级数学下册还原问题二年级数学下册还原问题#二年级#二年级数学#关注我持续更新小学知识 #知识分享 #家长收藏孩子受益.pdf
10.00金币
1下载
二年级数学下册第六单元考试卷家长打印出来给孩子测试测试争取拿到高分!#小学二年级试卷分享 #二年级第六单考试数学 #第六单考试#二年级数学下册.pdf
10.00金币
0下载
二年级数学下册必背顺口溜口诀汇总二年级数学下册必背顺口溜口诀汇总#二年级#二年级数学下册 #知识分享 #家长收藏孩子受益 #关注我持续更新小学知识.pdf
10.00金币
0下载
二年级数学下册《重点难点思维题》两大问题解决技巧和方法巧算星期几解决周期问题还原问题强化思维训练老师精心整理家长可以打印出来给孩子练习#家长收藏孩子受益 #学霸秘籍 #思维训练 #二年级 #知识点总结.pdf
10.00金币
0下载
二年级数学下册 必背公式大全寒假提前背一背开学更轻松#二年级 #二年级数学 #二年级数学下册 #寒假充电计划 #公式.pdf
10.00金币
0下载
蜗牛文库+ 关注
实名认证
内容提供者

提供各种专业文档内容

确认删除?
QQ
  • QQ点击这里给我发消息
微信客服
  • 微信客服
回到顶部