电脑桌面
添加蜗牛文库到电脑桌面
安装后可以在桌面快捷访问

风电机组现场安装验收报告.docVIP免费

风电机组现场安装验收报告.doc_第1页
风电机组现场安装验收报告.doc_第2页
风电机组现场安装验收报告.doc_第3页
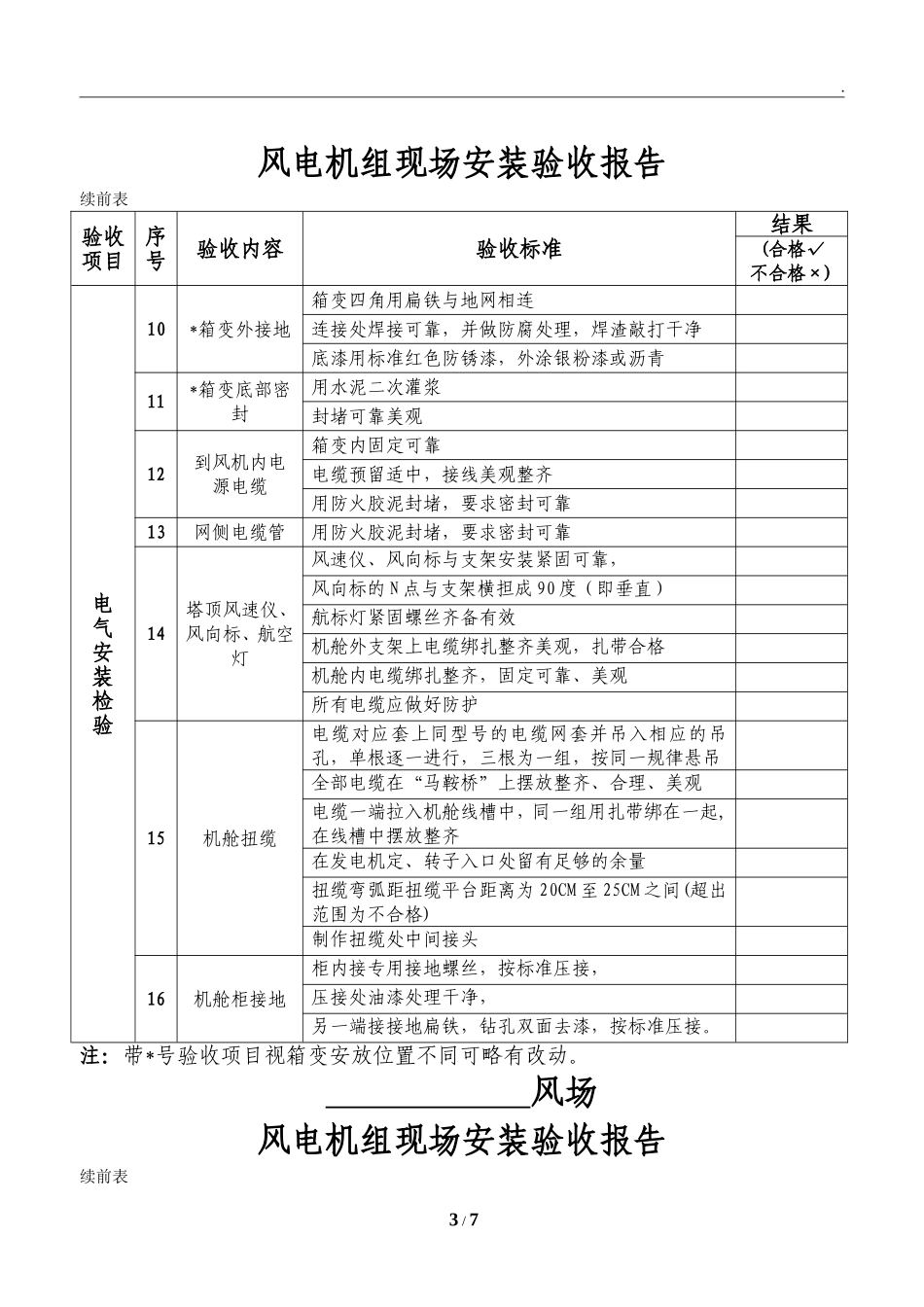
.风场风电机组现场安装验收报告记录编号:机位号机舱号轮毂号塔筒型号安装日期验收日期一、验收记录验收项目序号验收内容验收标准结果(合格√不合格×)螺栓力矩检验1基础环与底段塔筒全部螺栓型号为__全部螺栓加垫片,且垫片都是正方向每条螺丝均已涂抹二硫化钼基础环与底段塔筒螺栓打标准力矩__NM2底段与中段塔筒全部螺栓型号为__全部螺栓加垫片,且垫片都是正方向每条螺丝均已涂抹二硫化钼底段与中段塔筒螺栓打标准力矩__NM3中段塔筒与上段塔筒全部螺栓型号为__全部螺栓加垫片,且垫片都是正方向每条螺丝均已涂抹二硫化钼中段塔筒与上段塔筒螺栓打标准力矩__NM4上段塔筒与机舱全部螺栓型号为__全部螺栓加垫片,且垫片都是正方向每条螺丝均已涂抹二硫化钼上段塔筒与机舱螺栓打标准力矩__NM5叶轮与主轴全部螺栓型号为__全部螺栓加垫片,且垫片都是正方向每条螺丝均已涂抹二硫化钼叶轮与主轴螺栓打标准力矩__NM6叶片与轮毂全部螺栓型号为__全部螺栓加垫片,且垫片都是正方向每条螺丝均已涂抹二硫化钼叶片与轮毂螺栓打标准力矩__NM1/7.风场风电机组现场安装验收报告续前表验收项目序号验收内容验收标准结果(合格√不合格×)电气安装检验1变流器电网侧电缆电缆接线有足够的余量且整齐美观电气平台法兰处钻孔固定,排列美观、保护良好可靠进端电缆应全部套上热塑管,(热塑管长度必须一致,超出一厘米为不合格),热缩均匀且无烤焦现象与母排压接,螺丝垫片按标准装配,打标准力矩_NM2变流器接地电缆内部与地排标准压接电缆接线留足够余量,美观整齐打标准力矩__NM3变流器发电机侧电缆电缆接线有足够的余量且整齐美观固定在电缆托架上,排列美观、保护良好可靠进端电缆全部套上热塑管,(热塑管长度必须一致,超出一厘米为不合格),热缩均匀且无烤焦现象与母排压接,螺丝垫片按标准装配,打标准力矩_NM4塔底进柜电缆防护所有进柜电缆穿越铁板时必须做防护排列美观保护良好可靠5塔底平台下电缆塔底余量电缆应用扎带绑扎整齐,排列美观所有电缆应可靠固定所有电缆应做好防护6塔底柜通讯光纤预留适中,在塔底柜内固定可靠,接线美观可靠留足余量,光纤头制作符合工艺要求(无污染)必须与终端盒连接牢固可靠7塔底柜接地柜内接专用接地螺丝,按标准压接压接处油漆处理干净另一端接接地扁铁,钻孔双面去漆,按标准压接8机侧主接地接上接地扁铁,钻孔双面去漆标准压接9箱变侧电缆电缆接线有足够余量固定美观可靠,并且保护良好...

1、当您付费下载文档后,您只拥有了使用权限,并不意味着购买了版权,文档只能用于自身使用,不得用于其他商业用途(如 [转卖]进行直接盈利或[编辑后售卖]进行间接盈利)。
2、本站所有内容均由合作方或网友上传,本站不对文档的完整性、权威性及其观点立场正确性做任何保证或承诺!文档内容仅供研究参考,付费前请自行鉴别。
3、如文档内容存在违规,或者侵犯商业秘密、侵犯著作权等,请点击“违规举报”。

碎片内容

蜗牛文库的最新文档

二年级数学下册其中检测卷二年级数学下册其中检测卷附答案#期中测试卷.pdf
10.00金币
0下载
二年级数学下册期末质检卷(苏教版)二年级数学下册期末质检卷(苏教版)#期末复习 #期末测试卷 #二年级数学 #二年级数学下册#关注我持续更新小学知识.pdf
10.00金币
0下载
二年级数学下册期末混合运算专项练习二年级数学下册期末混合运算专项练习#二年级#二年级数学下册#关注我持续更新小学知识 #知识分享 #家长收藏孩子受益.pdf
10.00金币
1下载
二年级数学下册年月日三类周期问题解题方法二年级数学下册年月日三类周期问题解题方法#二年级#二年级数学下册#知识分享 #关注我持续更新小学知识 #家长收藏孩子受益.pdf
10.00金币
0下载
二年级数学下册解决问题专项训练二年级数学下册解决问题专项训练#专项训练#解决问题#二年级#二年级数学下册#知识分享.pdf
10.00金币
1下载
二年级数学下册还原问题二年级数学下册还原问题#二年级#二年级数学#关注我持续更新小学知识 #知识分享 #家长收藏孩子受益.pdf
10.00金币
1下载
二年级数学下册第六单元考试卷家长打印出来给孩子测试测试争取拿到高分!#小学二年级试卷分享 #二年级第六单考试数学 #第六单考试#二年级数学下册.pdf
10.00金币
0下载
二年级数学下册必背顺口溜口诀汇总二年级数学下册必背顺口溜口诀汇总#二年级#二年级数学下册 #知识分享 #家长收藏孩子受益 #关注我持续更新小学知识.pdf
10.00金币
0下载
二年级数学下册《重点难点思维题》两大问题解决技巧和方法巧算星期几解决周期问题还原问题强化思维训练老师精心整理家长可以打印出来给孩子练习#家长收藏孩子受益 #学霸秘籍 #思维训练 #二年级 #知识点总结.pdf
10.00金币
0下载
二年级数学下册 必背公式大全寒假提前背一背开学更轻松#二年级 #二年级数学 #二年级数学下册 #寒假充电计划 #公式.pdf
10.00金币
0下载
蜗牛文库+ 关注
实名认证
内容提供者

提供各种专业文档内容

确认删除?
QQ
  • QQ点击这里给我发消息
微信客服
  • 微信客服
回到顶部