电脑桌面
添加蜗牛文库到电脑桌面
安装后可以在桌面快捷访问

继电保护专业职业二级技能签定实操.docVIP免费

继电保护专业职业二级技能签定实操.doc_第1页
继电保护专业职业二级技能签定实操.doc_第2页
继电保护专业职业二级技能签定实操.doc_第3页
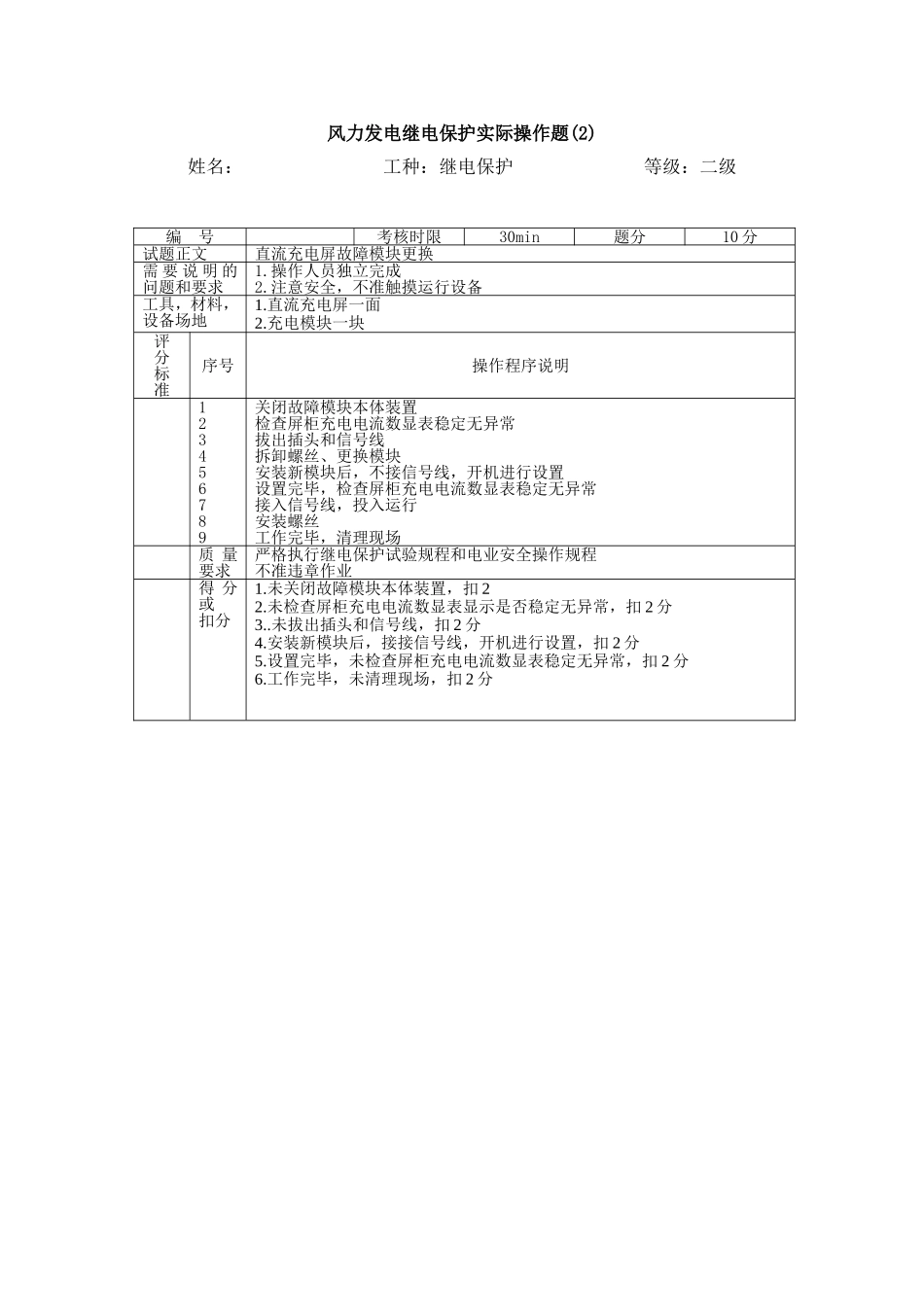
技能鉴定操作技能试题电气试验工(技能二级)风力发电继电保护实际操作题(1)姓名:工种:继电保护等级:二级编号考核时限30min题分10分试题正文主变保护装置许继WBH-801A液晶板更换需要说明的问题和要求1.操作人员独立完成2.注意安全,不准触摸运行设备工具,材料,设备场地1.许继WBH-801A保护装置一套评分标准序号操作程序说明1234567退出保护(先退出口压板,后退保护压板)断开装置电源打开前盖,取下排线,拆卸液晶屏背板,注意不要损伤排线更换完毕后安装合上装置电源,检查装置是否正常投入保护(先投保护压板,后投出口压板)工作完毕、清理现场质量要求严格执行继电保护试验规程和电业安全操作规程不准违章作业得分或扣分1.压板退出顺序错误,不得分2.未断开装置电源,不得分3.排线损坏不得分4.压板投入顺序错误,不得分5.工作完毕、未清理现场,扣2分风力发电继电保护实际操作题(2)姓名:工种:继电保护等级:二级编号考核时限30min题分10分试题正文直流充电屏故障模块更换需要说明的问题和要求1.操作人员独立完成2.注意安全,不准触摸运行设备工具,材料,设备场地1.直流充电屏一面2.充电模块一块评分标准序号操作程序说明123456789关闭故障模块本体装置检查屏柜充电电流数显表稳定无异常拔出插头和信号线拆卸螺丝、更换模块安装新模块后,不接信号线,开机进行设置设置完毕,检查屏柜充电电流数显表稳定无异常接入信号线,投入运行安装螺丝工作完毕,清理现场质量要求严格执行继电保护试验规程和电业安全操作规程不准违章作业得分或扣分1.未关闭故障模块本体装置,扣22.未检查屏柜充电电流数显表显示是否稳定无异常,扣2分3..未拔出插头和信号线,扣2分4.安装新模块后,接接信号线,开机进行设置,扣2分5.设置完毕,未检查屏柜充电电流数显表稳定无异常,扣2分6.工作完毕,未清理现场,扣2分风力发电继电保护实际操作题(3)姓名:工种:继电保护等级:二级编号考核时限30min题分10分试题正文直流充电屏交流接触器故障更换需要说明的问题和要求1.操作人员独立完成2.注意安全,不准触摸运行设备工具,材料,设备场地1.直流充电屏一面2.交流接触器一块评分标准序号操作程序说明12345678将直流母联开关投入,实现用正常段带故障段直流运行断开故障屏交流双套电源牢记接触器接线拆卸接触器更换新接触器并安装合上交流电源断开直流母联开关,各段带各段,正常运行工作完毕,清理现场质量要求严格执行继电保护试验规程和电业安全操作规程不准违...

1、当您付费下载文档后,您只拥有了使用权限,并不意味着购买了版权,文档只能用于自身使用,不得用于其他商业用途(如 [转卖]进行直接盈利或[编辑后售卖]进行间接盈利)。
2、本站所有内容均由合作方或网友上传,本站不对文档的完整性、权威性及其观点立场正确性做任何保证或承诺!文档内容仅供研究参考,付费前请自行鉴别。
3、如文档内容存在违规,或者侵犯商业秘密、侵犯著作权等,请点击“违规举报”。

碎片内容

蜗牛文库的最新文档

二年级数学下册其中检测卷二年级数学下册其中检测卷附答案#期中测试卷.pdf
10.00金币
0下载
二年级数学下册期末质检卷(苏教版)二年级数学下册期末质检卷(苏教版)#期末复习 #期末测试卷 #二年级数学 #二年级数学下册#关注我持续更新小学知识.pdf
10.00金币
0下载
二年级数学下册期末混合运算专项练习二年级数学下册期末混合运算专项练习#二年级#二年级数学下册#关注我持续更新小学知识 #知识分享 #家长收藏孩子受益.pdf
10.00金币
1下载
二年级数学下册年月日三类周期问题解题方法二年级数学下册年月日三类周期问题解题方法#二年级#二年级数学下册#知识分享 #关注我持续更新小学知识 #家长收藏孩子受益.pdf
10.00金币
0下载
二年级数学下册解决问题专项训练二年级数学下册解决问题专项训练#专项训练#解决问题#二年级#二年级数学下册#知识分享.pdf
10.00金币
1下载
二年级数学下册还原问题二年级数学下册还原问题#二年级#二年级数学#关注我持续更新小学知识 #知识分享 #家长收藏孩子受益.pdf
10.00金币
1下载
二年级数学下册第六单元考试卷家长打印出来给孩子测试测试争取拿到高分!#小学二年级试卷分享 #二年级第六单考试数学 #第六单考试#二年级数学下册.pdf
10.00金币
0下载
二年级数学下册必背顺口溜口诀汇总二年级数学下册必背顺口溜口诀汇总#二年级#二年级数学下册 #知识分享 #家长收藏孩子受益 #关注我持续更新小学知识.pdf
10.00金币
0下载
二年级数学下册《重点难点思维题》两大问题解决技巧和方法巧算星期几解决周期问题还原问题强化思维训练老师精心整理家长可以打印出来给孩子练习#家长收藏孩子受益 #学霸秘籍 #思维训练 #二年级 #知识点总结.pdf
10.00金币
0下载
二年级数学下册 必背公式大全寒假提前背一背开学更轻松#二年级 #二年级数学 #二年级数学下册 #寒假充电计划 #公式.pdf
10.00金币
0下载
蜗牛文库+ 关注
实名认证
内容提供者

提供各种专业文档内容

确认删除?
QQ
  • QQ点击这里给我发消息
微信客服
  • 微信客服
回到顶部