电脑桌面
添加蜗牛文库到电脑桌面
安装后可以在桌面快捷访问

继电保护职业四级技能签定实操.docVIP免费

继电保护职业四级技能签定实操.doc_第1页
继电保护职业四级技能签定实操.doc_第2页
继电保护职业四级技能签定实操.doc_第3页
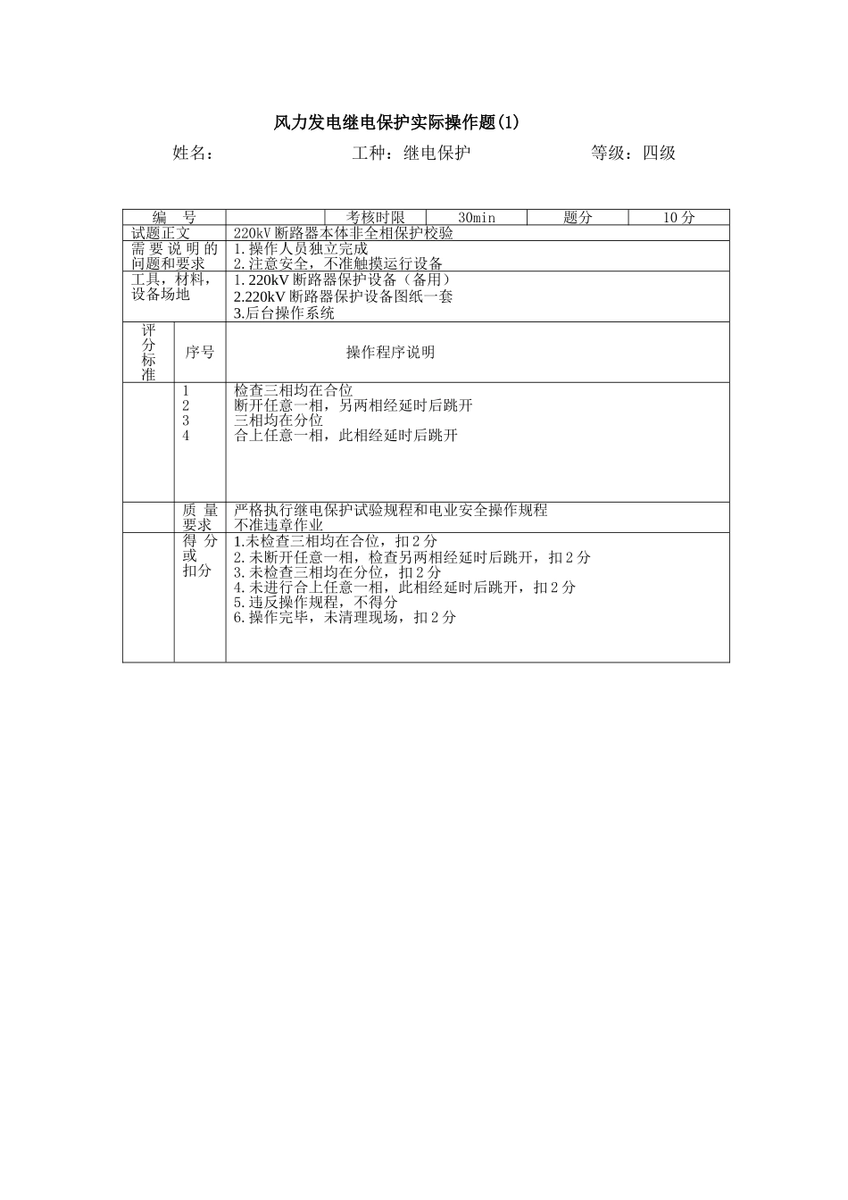
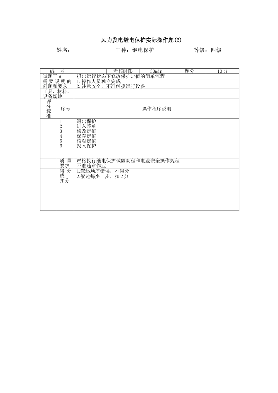
技能鉴定操作技能试题电气试验工(技能四级)风力发电继电保护实际操作题(1)姓名:工种:继电保护等级:四级编号考核时限30min题分10分试题正文220kV断路器本体非全相保护校验需要说明的问题和要求1.操作人员独立完成2.注意安全,不准触摸运行设备工具,材料,设备场地1.220kV断路器保护设备(备用)2.220kV断路器保护设备图纸一套3.后台操作系统评分标准序号操作程序说明1234检查三相均在合位断开任意一相,另两相经延时后跳开三相均在分位合上任意一相,此相经延时后跳开质量要求严格执行继电保护试验规程和电业安全操作规程不准违章作业得分或扣分1.未检查三相均在合位,扣2分2.未断开任意一相,检查另两相经延时后跳开,扣2分3.未检查三相均在分位,扣2分4.未进行合上任意一相,此相经延时后跳开,扣2分5.违反操作规程,不得分6.操作完毕,未清理现场,扣2分风力发电继电保护实际操作题(2)姓名:工种:继电保护等级:四级编号考核时限30min题分10分试题正文拟出运行状态下修改保护定值的简单流程需要说明的问题和要求1.操作人员独立完成2.注意安全,不准触摸运行设备工具,材料,设备场地评分标准序号操作程序说明123456退出保护进入菜单修改定值保存定值核对定值投入保护质量要求严格执行继电保护试验规程和电业安全操作规程不准违章作业得分或扣分1.叙述顺序错误,不得分2.叙述每少一步,扣2分风力发电继电保护实际操作题(3)姓名:工种:继电保护等级:四级编号考核时限30min题分10分试题正文现场工作前应做哪些准备工作?需要说明的问题和要求1.操作人员独立完成2.注意安全,不准触摸运行设备工具,材料,设备场地评分标准序号操作程序说明12345了解工地地点一、二次设备运行情况,本工作与运行设备有无直接联系(如自投,联切等),与其他班组有无配合的工作。拟定工作重点项目及准备解决的缺陷和薄弱环节。工作人员明确分工并熟悉图纸及检验规程等有关资料。应具备与实际状况一致的图纸、上次检验的记录、最新整定通知单、检验规程、合格的仪器仪表、备品备件、工具和连接导线等。对一些重要设备,特别是复杂保护装置或有联跳回路的保护装置,如母线保护、断路器失灵保护、远方跳闸、远方切机、切负荷等的现场校验工作,应编制经技术负责人审批的试验方案和由工作负责人填写并经负责人审批的继电保护安全措施票。质量要求严格执行继电保护试验规程和电业安全操作规程不准违章作业得分或扣分1.叙述内容错误,不得分2.叙述每少一步,扣2分风力...

1、当您付费下载文档后,您只拥有了使用权限,并不意味着购买了版权,文档只能用于自身使用,不得用于其他商业用途(如 [转卖]进行直接盈利或[编辑后售卖]进行间接盈利)。
2、本站所有内容均由合作方或网友上传,本站不对文档的完整性、权威性及其观点立场正确性做任何保证或承诺!文档内容仅供研究参考,付费前请自行鉴别。
3、如文档内容存在违规,或者侵犯商业秘密、侵犯著作权等,请点击“违规举报”。

碎片内容

蜗牛文库的最新文档

二年级数学下册其中检测卷二年级数学下册其中检测卷附答案#期中测试卷.pdf
10.00金币
0下载
二年级数学下册期末质检卷(苏教版)二年级数学下册期末质检卷(苏教版)#期末复习 #期末测试卷 #二年级数学 #二年级数学下册#关注我持续更新小学知识.pdf
10.00金币
0下载
二年级数学下册期末混合运算专项练习二年级数学下册期末混合运算专项练习#二年级#二年级数学下册#关注我持续更新小学知识 #知识分享 #家长收藏孩子受益.pdf
10.00金币
1下载
二年级数学下册年月日三类周期问题解题方法二年级数学下册年月日三类周期问题解题方法#二年级#二年级数学下册#知识分享 #关注我持续更新小学知识 #家长收藏孩子受益.pdf
10.00金币
0下载
二年级数学下册解决问题专项训练二年级数学下册解决问题专项训练#专项训练#解决问题#二年级#二年级数学下册#知识分享.pdf
10.00金币
1下载
二年级数学下册还原问题二年级数学下册还原问题#二年级#二年级数学#关注我持续更新小学知识 #知识分享 #家长收藏孩子受益.pdf
10.00金币
1下载
二年级数学下册第六单元考试卷家长打印出来给孩子测试测试争取拿到高分!#小学二年级试卷分享 #二年级第六单考试数学 #第六单考试#二年级数学下册.pdf
10.00金币
0下载
二年级数学下册必背顺口溜口诀汇总二年级数学下册必背顺口溜口诀汇总#二年级#二年级数学下册 #知识分享 #家长收藏孩子受益 #关注我持续更新小学知识.pdf
10.00金币
0下载
二年级数学下册《重点难点思维题》两大问题解决技巧和方法巧算星期几解决周期问题还原问题强化思维训练老师精心整理家长可以打印出来给孩子练习#家长收藏孩子受益 #学霸秘籍 #思维训练 #二年级 #知识点总结.pdf
10.00金币
0下载
二年级数学下册 必背公式大全寒假提前背一背开学更轻松#二年级 #二年级数学 #二年级数学下册 #寒假充电计划 #公式.pdf
10.00金币
0下载
蜗牛文库+ 关注
实名认证
内容提供者

提供各种专业文档内容

确认删除?
QQ
  • QQ点击这里给我发消息
微信客服
  • 微信客服
回到顶部