电脑桌面
添加蜗牛文库到电脑桌面
安装后可以在桌面快捷访问

继电保护专业职业三级技能签定实操.docVIP免费

继电保护专业职业三级技能签定实操.doc_第1页
继电保护专业职业三级技能签定实操.doc_第2页
继电保护专业职业三级技能签定实操.doc_第3页
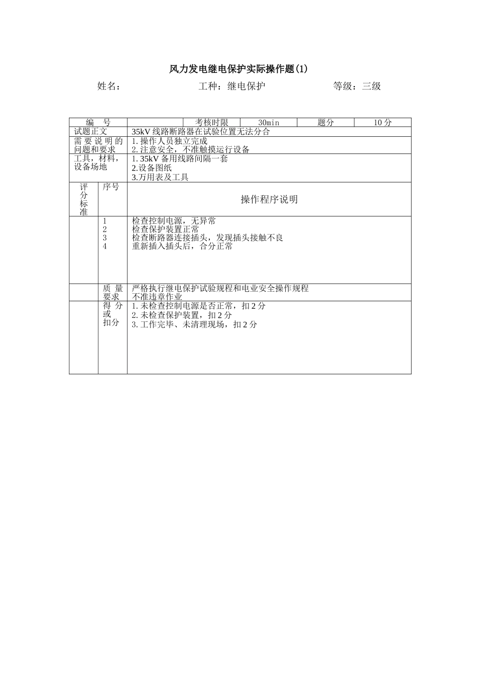
技能鉴定操作技能试题电气试验工(技能三级)风力发电继电保护实际操作题(1)姓名:工种:继电保护等级:三级编号考核时限30min题分10分试题正文35kV线路断路器在试验位置无法分合需要说明的问题和要求1.操作人员独立完成2.注意安全,不准触摸运行设备工具,材料,设备场地1.35kV备用线路间隔一套2.设备图纸3.万用表及工具评分标准序号操作程序说明1234检查控制电源,无异常检查保护装置正常检查断路器连接插头,发现插头接触不良重新插入插头后,合分正常质量要求严格执行继电保护试验规程和电业安全操作规程不准违章作业得分或扣分1.未检查控制电源是否正常,扣2分2.未检查保护装置,扣2分3.工作完毕、未清理现场,扣2分风力发电继电保护实际操作题(2)姓名:工种:继电保护等级:三级编号考核时限30min题分10分试题正文35kV线路断路器在监控后台无法分合需要说明的问题和要求1.操作人员独立完成2.注意安全,不准触摸运行设备工具,材料,设备场地1.35kV备用线路间隔一套2.设备图纸3.万用表及工具评分标准序号操作程序说明1234检查控制电源,无异常检查保护装置正常仔细观察,发现“远方”/“就地”把手在“就地”位置,闭锁远方操作切换把手至远方后试验分合正常质量要求严格执行继电保护试验规程和电业安全操作规程不准违章作业得分或扣分1.未检查控制电源是否正常,扣2分2.未检查保护装置,扣2分3.工作完毕、未清理现场,扣2分风力发电继电保护实际操作题(3)姓名:工种:继电保护等级:三级编号考核时限30min题分10分试题正文35kV线路断路器在试验位置无法分合需要说明的问题和要求1.操作人员独立完成2.注意安全,不准触摸运行设备工具,材料,设备场地1.35kV备用线路间隔一套2.设备图纸3.万用表及工具评分标准序号操作程序说明12345检查控制电源,无异常检查保护装置正常短接五防锁接点后,分合正常进一步检查,发现五防锁接线松动紧固五防锁接线质量要求严格执行继电保护试验规程和电业安全操作规程不准违章作业得分或扣分1.未检查控制电源是否正常,扣2分2.未检查保护装置,扣2分3.未检查五防钥匙是否正常,扣2分4工作完毕、未清理现场,扣2分风力发电继电保护实际操作题(4)姓名:工种:继电保护等级:三级风力发电继电保护实际操作题(5)姓名:工种:继电保护等级:三级编号考核时限30min题分10分试题正文运行中出现开关误跳闸应怎样处理需要说明的问题和要求1.操作人员独立完成2.注意安全,不准触摸运行设备工具,材料,设备场地1.35kV备用...

1、当您付费下载文档后,您只拥有了使用权限,并不意味着购买了版权,文档只能用于自身使用,不得用于其他商业用途(如 [转卖]进行直接盈利或[编辑后售卖]进行间接盈利)。
2、本站所有内容均由合作方或网友上传,本站不对文档的完整性、权威性及其观点立场正确性做任何保证或承诺!文档内容仅供研究参考,付费前请自行鉴别。
3、如文档内容存在违规,或者侵犯商业秘密、侵犯著作权等,请点击“违规举报”。

碎片内容

蜗牛文库的最新文档

二年级数学下册其中检测卷二年级数学下册其中检测卷附答案#期中测试卷.pdf
10.00金币
0下载
二年级数学下册期末质检卷(苏教版)二年级数学下册期末质检卷(苏教版)#期末复习 #期末测试卷 #二年级数学 #二年级数学下册#关注我持续更新小学知识.pdf
10.00金币
0下载
二年级数学下册期末混合运算专项练习二年级数学下册期末混合运算专项练习#二年级#二年级数学下册#关注我持续更新小学知识 #知识分享 #家长收藏孩子受益.pdf
10.00金币
1下载
二年级数学下册年月日三类周期问题解题方法二年级数学下册年月日三类周期问题解题方法#二年级#二年级数学下册#知识分享 #关注我持续更新小学知识 #家长收藏孩子受益.pdf
10.00金币
0下载
二年级数学下册解决问题专项训练二年级数学下册解决问题专项训练#专项训练#解决问题#二年级#二年级数学下册#知识分享.pdf
10.00金币
1下载
二年级数学下册还原问题二年级数学下册还原问题#二年级#二年级数学#关注我持续更新小学知识 #知识分享 #家长收藏孩子受益.pdf
10.00金币
1下载
二年级数学下册第六单元考试卷家长打印出来给孩子测试测试争取拿到高分!#小学二年级试卷分享 #二年级第六单考试数学 #第六单考试#二年级数学下册.pdf
10.00金币
0下载
二年级数学下册必背顺口溜口诀汇总二年级数学下册必背顺口溜口诀汇总#二年级#二年级数学下册 #知识分享 #家长收藏孩子受益 #关注我持续更新小学知识.pdf
10.00金币
0下载
二年级数学下册《重点难点思维题》两大问题解决技巧和方法巧算星期几解决周期问题还原问题强化思维训练老师精心整理家长可以打印出来给孩子练习#家长收藏孩子受益 #学霸秘籍 #思维训练 #二年级 #知识点总结.pdf
10.00金币
0下载
二年级数学下册 必背公式大全寒假提前背一背开学更轻松#二年级 #二年级数学 #二年级数学下册 #寒假充电计划 #公式.pdf
10.00金币
0下载
蜗牛文库+ 关注
实名认证
内容提供者

提供各种专业文档内容

确认删除?
QQ
  • QQ点击这里给我发消息
微信客服
  • 微信客服
回到顶部