电脑桌面
添加蜗牛文库到电脑桌面
安装后可以在桌面快捷访问

电气-运行危险源辨识与风险评价.xlsVIP免费

电气-运行危险源辨识与风险评价.xls_第1页
电气-运行危险源辨识与风险评价.xls_第2页
电气-运行危险源辨识与风险评价.xls_第3页
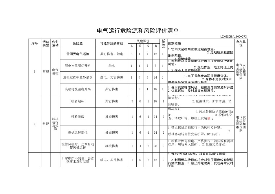
电气运行危险源和风险评价清单LXHGSQE/LJ-D-073序号危险源可能导致的事故风险评价控制措施LECD1常规雷雨天电气巡检其它伤害、触电314121配电室照明灯开启触电11771巡检过程中意外晕倒触电、其它伤害164242夹层电缆温度升高其它伤害3611812常规噪音超标其它伤害361181叶轮脱落机械伤害164242擦拭运转部位机械伤害164242机械伤害147282触电、其他伤害167422活动类型作业活动风险等级存在单位电气巡检1.雷雨天巡检禁止靠近避雷设施。2.定期检测避雷接地电阻值。3.穿绝缘靴电气安全运行团队和维保团队1.照明线路加装漏电保护器并按要求进行定期试验。2.规范作业,电工持证上岗;3.作业人员穿绝缘鞋1.电工每年参加职业健康查体;2.身体不适及时报告并去医务室或医院进行检查。1.夹层已装轴流风机,根据温度情况及时开启2.认真巡检,及时掌握电缆温度。风机运行及检修1.每2小时进行巡检,发现风机运行异常倒备机运行;2.更换轴承、加润滑油,消除噪音。电气安全运行团队和维保团队1.每2小时进行巡检,发现风机运行异常倒备机运行;2.风机外侧防护罩做DNT防护;3.检修时检查、清理叶轮,螺栓上安装倍母1.禁止擦拭清扫运行中的风叶及护罩。2.联轴器运转部位安装护罩,DNT防护;检修风机时,违章启动使风机运转1.检修时停电验电、严格执行上锁挂签和测试程序,现场专人监护。2.杜绝交叉作业。日常维护不到位,套管损坏未及时发现1.每2小时进行巡检,对套管处进行测温;2.利用停车检修的机会对变压器出线套管进行擦拭检查;3.禁止跨越隔离,发现异常及时汇报3常规火灾、其他爆炸167422火灾、其他爆炸361181其他伤害361181其他伤害361181触电、其他伤害167422人员爬上运行中变压器触电、高处坠落0.5615452工器具状态不完好机械伤害、其他伤害16161灼烫16161变压器运行接地故障,保护未及时动作,相间短路1.每2小时进行巡检,观察变压器的运行声音;2.随时观察变压器的运行电压、电流和温升;3.合理设置变压器综合保护定值。4.停电检修期间对变压器进行检查、清扫;5.按规程进行变压器的预防性试验。6.设置“禁止攀登,有电危险”标示牌,并设不低于1.7米的防护栏。7.在控制盘上设置急停按钮。8.制定应急预案并每月进行演练,出现问题按照预案处理。电气安全运行团队和维保团队负荷过大,报警失效导致油温过高1.每2小时进行巡检,测试、观察变压器的运行温度;2.随时观察运行温度和变压器负荷情况运行时检查油位、温度是否在规定范围内,发生变化及时汇报并进行...

1、当您付费下载文档后,您只拥有了使用权限,并不意味着购买了版权,文档只能用于自身使用,不得用于其他商业用途(如 [转卖]进行直接盈利或[编辑后售卖]进行间接盈利)。
2、本站所有内容均由合作方或网友上传,本站不对文档的完整性、权威性及其观点立场正确性做任何保证或承诺!文档内容仅供研究参考,付费前请自行鉴别。
3、如文档内容存在违规,或者侵犯商业秘密、侵犯著作权等,请点击“违规举报”。

碎片内容

蜗牛文库的最新文档

二年级数学下册其中检测卷二年级数学下册其中检测卷附答案#期中测试卷.pdf
10.00金币
0下载
二年级数学下册期末质检卷(苏教版)二年级数学下册期末质检卷(苏教版)#期末复习 #期末测试卷 #二年级数学 #二年级数学下册#关注我持续更新小学知识.pdf
10.00金币
0下载
二年级数学下册期末混合运算专项练习二年级数学下册期末混合运算专项练习#二年级#二年级数学下册#关注我持续更新小学知识 #知识分享 #家长收藏孩子受益.pdf
10.00金币
1下载
二年级数学下册年月日三类周期问题解题方法二年级数学下册年月日三类周期问题解题方法#二年级#二年级数学下册#知识分享 #关注我持续更新小学知识 #家长收藏孩子受益.pdf
10.00金币
0下载
二年级数学下册解决问题专项训练二年级数学下册解决问题专项训练#专项训练#解决问题#二年级#二年级数学下册#知识分享.pdf
10.00金币
1下载
二年级数学下册还原问题二年级数学下册还原问题#二年级#二年级数学#关注我持续更新小学知识 #知识分享 #家长收藏孩子受益.pdf
10.00金币
1下载
二年级数学下册第六单元考试卷家长打印出来给孩子测试测试争取拿到高分!#小学二年级试卷分享 #二年级第六单考试数学 #第六单考试#二年级数学下册.pdf
10.00金币
0下载
二年级数学下册必背顺口溜口诀汇总二年级数学下册必背顺口溜口诀汇总#二年级#二年级数学下册 #知识分享 #家长收藏孩子受益 #关注我持续更新小学知识.pdf
10.00金币
0下载
二年级数学下册《重点难点思维题》两大问题解决技巧和方法巧算星期几解决周期问题还原问题强化思维训练老师精心整理家长可以打印出来给孩子练习#家长收藏孩子受益 #学霸秘籍 #思维训练 #二年级 #知识点总结.pdf
10.00金币
0下载
二年级数学下册 必背公式大全寒假提前背一背开学更轻松#二年级 #二年级数学 #二年级数学下册 #寒假充电计划 #公式.pdf
10.00金币
0下载
蜗牛文库+ 关注
实名认证
内容提供者

提供各种专业文档内容

确认删除?
QQ
  • QQ点击这里给我发消息
微信客服
  • 微信客服
回到顶部