电脑桌面
添加蜗牛文库到电脑桌面
安装后可以在桌面快捷访问

2023年火力发电输变电工程设计招标程序及招标文件范本.docxVIP免费

2023年火力发电输变电工程设计招标程序及招标文件范本.docx_第1页
2023年火力发电输变电工程设计招标程序及招标文件范本.docx_第2页
2023年火力发电输变电工程设计招标程序及招标文件范本.docx_第3页
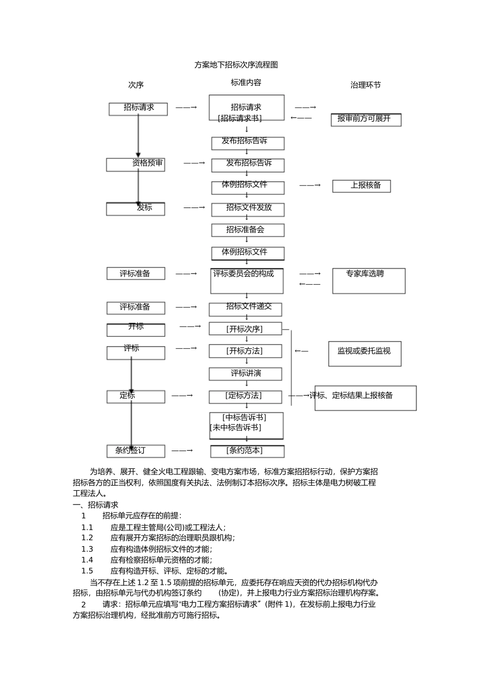
火力发电、输变电工程方案招标次序及招标文件范本第一卷招标次序方案约请招标次序流程图标准内容次序治理环节招标请求——→招标请求——→←——报审前方可展开[招标请求书]↓体例招标文件——→上报核备↓发标——→招标文件发放↓招标准备会↓体例招标文件↓评标准备——→评标委员会的构成——→←——专家库选聘↓↓招标文件递交↓评标准备↓——→——→开标↓[开标次序]↓评标——→[开标方法]↓——←—监视或委托监视评标讲演↓定标——→[定标方法]—→评标、定标结果上报存案↓[中标告诉书][未中标告诉书]↓条约签订——→[条约范本]方案地下招标次序流程图标准内容次序治理环节招标请求——→招标请求——→←——[招标请求书]报审前方可展开↓发布招标告诉↓资格预审——→发布招标告诉↓体例招标文件↓——→上报核备发标——→招标文件发放↓招标准备会↓体例招标文件↓评标准备——→评标委员会的构成——→←——专家库选聘↓招标文件递交↓评标准备开标评标——→——→——→[开标次序]↓—[开标方法]↓←—监视或委托监视评标讲演↓定标——→[定标方法]↓——→评标、定标结果上报核备[中标告诉书][未中标告诉书]↓条约签订——→[条约范本]为培养、展开、健全火电工程跟输、变电方案市场,标准方案招招标行动,保护方案招招标各方的正当权利,依照国度有关执法、法例制订本招标次序。招标主体是电力树破工程工程法人。一、招标请求1招标单元应存在的前提:1.11.21.31.41.5应是工程主管局(公司)或工程法人;应有展开方案招标的治理职员跟机构;应有构造体例招标文件的才能;应有检察招标单元资格的才能;应有构造开标、评标、定标的才能。当不存在上述1.2至1.5项前提的招标单元,应委托存在响应天资的代办招标机构代办(协定),并上报电力行业方案招标治理机构存案。“请求:招标单元应填写电力工程方案招标请求〞(附件1),在发标前上报电力行业招标,由招标单元与代办机构签订条约2方案招标治理机构,经批准前方可施行招标。方案招标请求应包含以下要紧内容:招标单元称号、法人代表、工程称号、工程地点、方案范围、方案招标阶段、招标范畴、招标方法、招标构造机构、能否委托代办招标机构、工程后期任务停顿状况等。二、招标构造机构3招标指导小组:招标指导小组是方案招标的指导跟决定机构,掌管招标的片面任务。招标指导小组由招标单元组建,应由工程主管局或工程法人的法人代表或法人代表的...

1、当您付费下载文档后,您只拥有了使用权限,并不意味着购买了版权,文档只能用于自身使用,不得用于其他商业用途(如 [转卖]进行直接盈利或[编辑后售卖]进行间接盈利)。
2、本站所有内容均由合作方或网友上传,本站不对文档的完整性、权威性及其观点立场正确性做任何保证或承诺!文档内容仅供研究参考,付费前请自行鉴别。
3、如文档内容存在违规,或者侵犯商业秘密、侵犯著作权等,请点击“违规举报”。

碎片内容

蜗牛文库的最新文档

二年级数学下册其中检测卷二年级数学下册其中检测卷附答案#期中测试卷.pdf
10.00金币
0下载
二年级数学下册期末质检卷(苏教版)二年级数学下册期末质检卷(苏教版)#期末复习 #期末测试卷 #二年级数学 #二年级数学下册#关注我持续更新小学知识.pdf
10.00金币
0下载
二年级数学下册期末混合运算专项练习二年级数学下册期末混合运算专项练习#二年级#二年级数学下册#关注我持续更新小学知识 #知识分享 #家长收藏孩子受益.pdf
10.00金币
1下载
二年级数学下册年月日三类周期问题解题方法二年级数学下册年月日三类周期问题解题方法#二年级#二年级数学下册#知识分享 #关注我持续更新小学知识 #家长收藏孩子受益.pdf
10.00金币
0下载
二年级数学下册解决问题专项训练二年级数学下册解决问题专项训练#专项训练#解决问题#二年级#二年级数学下册#知识分享.pdf
10.00金币
1下载
二年级数学下册还原问题二年级数学下册还原问题#二年级#二年级数学#关注我持续更新小学知识 #知识分享 #家长收藏孩子受益.pdf
10.00金币
1下载
二年级数学下册第六单元考试卷家长打印出来给孩子测试测试争取拿到高分!#小学二年级试卷分享 #二年级第六单考试数学 #第六单考试#二年级数学下册.pdf
10.00金币
0下载
二年级数学下册必背顺口溜口诀汇总二年级数学下册必背顺口溜口诀汇总#二年级#二年级数学下册 #知识分享 #家长收藏孩子受益 #关注我持续更新小学知识.pdf
10.00金币
0下载
二年级数学下册《重点难点思维题》两大问题解决技巧和方法巧算星期几解决周期问题还原问题强化思维训练老师精心整理家长可以打印出来给孩子练习#家长收藏孩子受益 #学霸秘籍 #思维训练 #二年级 #知识点总结.pdf
10.00金币
0下载
二年级数学下册 必背公式大全寒假提前背一背开学更轻松#二年级 #二年级数学 #二年级数学下册 #寒假充电计划 #公式.pdf
10.00金币
0下载
蜗牛文库+ 关注
实名认证
内容提供者

提供各种专业文档内容

确认删除?
QQ
  • QQ点击这里给我发消息
微信客服
  • 微信客服
回到顶部