电脑桌面
添加蜗牛文库到电脑桌面
安装后可以在桌面快捷访问

JB∕T 5342-1999 电动扳手.pdfVIP免费

JB∕T 5342-1999 电动扳手.pdf_第1页
JB∕T 5342-1999 电动扳手.pdf_第2页
JB∕T 5342-1999 电动扳手.pdf_第3页
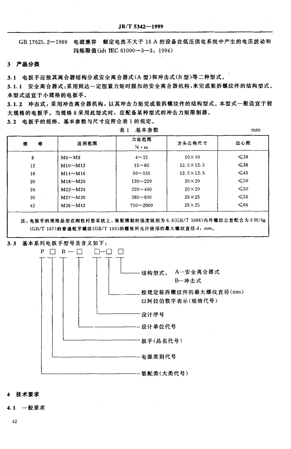
JB/T5342-1999前言本标准是对JB5342-91《电动扳手》的第一次修订。本标准符合GB3883.2-1991《手持式电动工具的安全第2部分螺丝刀和冲击扳手的专用要求》(idtIEC60745-2-2:1982).本标准增加了4.8.2,4.8.3,5.8,5.9,修改了2,7.3,8,本标准根据GB/T1.1-1993《标准化工作导则第1单元:标准的起草与表述规则第1部分:标准编写的基本规定》编写。本标准自实施之日起代替JB5342-91,本标准由全国电动工具标准化技术委员会提出并归口。本标准的起草单位:上海电动工具研究所。本标准起草人:翁璧。中华人民共和国机械行业标准JB/T5342-1999电动扳手代替JB5342-91Electricwrenches范围本标准规定了一般环境条件下装拆螺纹件用的电动扳手的产品分类、技术要求、试验方法和检验规则等。本标准适用于一般环境条件下,装拆一般螺纹零件用的电动扳手(以下简称电扳手)。本标准不适用于定扭矩(电流控制型)和定扭矩定转角(电流、角度控制型)电动扳手、多头组合式电动扳手和装拆特殊型式螺纹零件的其它专用电动扳手(如棘轮式电动扳手、剪切式电动扳手等)。2引用标准下列标准所包含的条文,通过在本标准中引用而构成为本标准的条文。在标准出版时,所示版本越为有效。所有标准都会被修订,使用本标准的各方应探讨使用下列标准最新版本的可能性。GB/T97.1-1985平垫圈A级GB/T197-1981普通螺纹直径公差与配合(直径1^-355mm)GB/T193-1981普通螺纹直径与螺距系列(直径1^600mm)GB/T755-1987旋转电机基本技术要求GB/T1031-1995表面粗糙度参数及其数值GB/T1184-1996形状和位置公差未注公差值GB/T1801-1979公差与配合尺寸至500mm孔、轴公差带与配合GB2099.1-1996家用和类似用途插头插座第1部分:通用要求(eqvIEC60884:1994)GB/T3098.1-1982紧固件机械性能螺栓、螺钉和螺柱GB/T3098.2-1982紧固件机械性能螺母GB/T3227-1988机动套筒扳手的传动四方GB/T3229-1988机动工具的六角传动端GB3883.1-1991手持式电动工具的安全第1部分:一般要求(idtIEC60745-1;1982)GB3883.2-1991手持式电动工具的安全第2部分:螺丝刀和冲击电扳手的专用要求GdtIEC60745-2-2:1982)GB4343-1995家用和类似用途电动、电热器具,电动工具以及类似电器无线电干扰特性的测量方法和允许值(eqvC.1.S.P.RNO.14:1993)GB/T4583-1995电动工具噪声的测量工程法GB/T5782-1986六角头螺栓A和B级GB/T6170-19861型六角螺母A和B级GB/T9088-1988电动工具型号编制方法GB17625.1-1998低压电气及电子设备发出的谐波电流限值(设备每相输人电...

1、当您付费下载文档后,您只拥有了使用权限,并不意味着购买了版权,文档只能用于自身使用,不得用于其他商业用途(如 [转卖]进行直接盈利或[编辑后售卖]进行间接盈利)。
2、本站所有内容均由合作方或网友上传,本站不对文档的完整性、权威性及其观点立场正确性做任何保证或承诺!文档内容仅供研究参考,付费前请自行鉴别。
3、如文档内容存在违规,或者侵犯商业秘密、侵犯著作权等,请点击“违规举报”。

碎片内容

蜗牛文库的最新文档

二年级数学下册其中检测卷二年级数学下册其中检测卷附答案#期中测试卷.pdf
10.00金币
0下载
二年级数学下册期末质检卷(苏教版)二年级数学下册期末质检卷(苏教版)#期末复习 #期末测试卷 #二年级数学 #二年级数学下册#关注我持续更新小学知识.pdf
10.00金币
0下载
二年级数学下册期末混合运算专项练习二年级数学下册期末混合运算专项练习#二年级#二年级数学下册#关注我持续更新小学知识 #知识分享 #家长收藏孩子受益.pdf
10.00金币
1下载
二年级数学下册年月日三类周期问题解题方法二年级数学下册年月日三类周期问题解题方法#二年级#二年级数学下册#知识分享 #关注我持续更新小学知识 #家长收藏孩子受益.pdf
10.00金币
0下载
二年级数学下册解决问题专项训练二年级数学下册解决问题专项训练#专项训练#解决问题#二年级#二年级数学下册#知识分享.pdf
10.00金币
1下载
二年级数学下册还原问题二年级数学下册还原问题#二年级#二年级数学#关注我持续更新小学知识 #知识分享 #家长收藏孩子受益.pdf
10.00金币
1下载
二年级数学下册第六单元考试卷家长打印出来给孩子测试测试争取拿到高分!#小学二年级试卷分享 #二年级第六单考试数学 #第六单考试#二年级数学下册.pdf
10.00金币
0下载
二年级数学下册必背顺口溜口诀汇总二年级数学下册必背顺口溜口诀汇总#二年级#二年级数学下册 #知识分享 #家长收藏孩子受益 #关注我持续更新小学知识.pdf
10.00金币
0下载
二年级数学下册《重点难点思维题》两大问题解决技巧和方法巧算星期几解决周期问题还原问题强化思维训练老师精心整理家长可以打印出来给孩子练习#家长收藏孩子受益 #学霸秘籍 #思维训练 #二年级 #知识点总结.pdf
10.00金币
0下载
二年级数学下册 必背公式大全寒假提前背一背开学更轻松#二年级 #二年级数学 #二年级数学下册 #寒假充电计划 #公式.pdf
10.00金币
0下载
蜗牛文库+ 关注
实名认证
内容提供者

提供各种专业文档内容

确认删除?
QQ
  • QQ点击这里给我发消息
微信客服
  • 微信客服
回到顶部