电脑桌面
添加蜗牛文库到电脑桌面
安装后可以在桌面快捷访问

HJ 507-2009 环境标志产品技术要求 皮革和合成革.pdfVIP免费

HJ 507-2009 环境标志产品技术要求 皮革和合成革.pdf_第1页
HJ 507-2009 环境标志产品技术要求 皮革和合成革.pdf_第2页
HJ 507-2009 环境标志产品技术要求 皮革和合成革.pdf_第3页
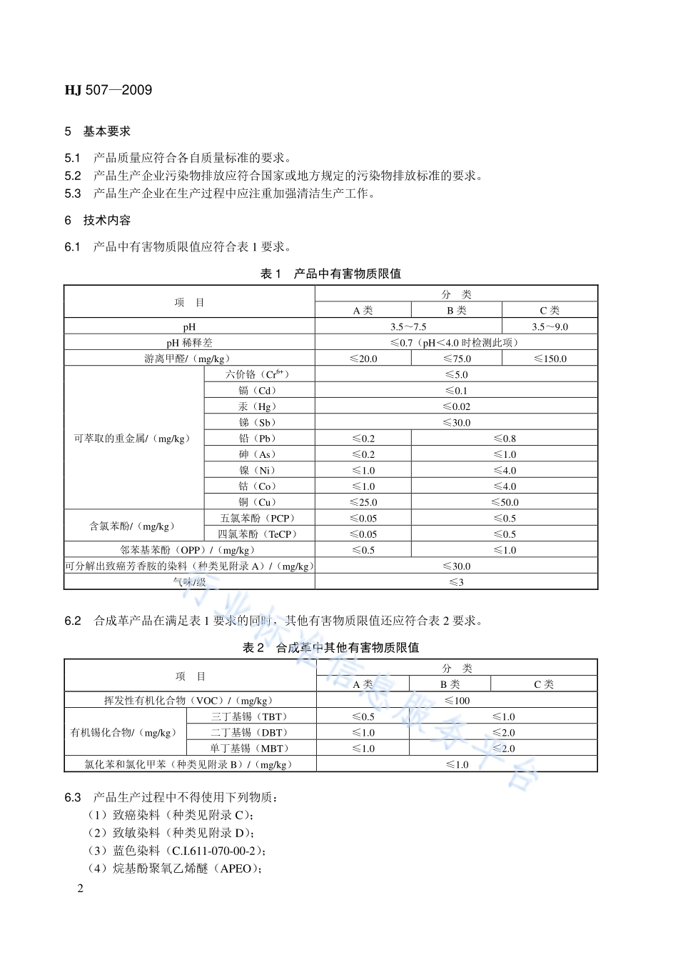
HJ507—20091环境标志产品技术要求皮革和合成革1适用范围本标准规定了皮革和合成革环境标志产品的术语和定义、产品分类、基本要求、技术内容和检验方法。本标准适用于皮革和聚氨酯合成革。2规范性引用文件本标准内容引用了下列文件中的条款,凡是不注日期的引用文件,其有效版本适用于本标准。GB/T19941—2005皮革和毛皮化学试验甲醛含量的测定GB/T19942—2005皮革和毛皮化学试验禁用偶氮染料的测定GB/T20384—2006纺织品氯化苯和氯化甲苯残留量的测定GB/T20386—2006纺织品邻苯基苯酚的测定GB/T22807—2008皮革和毛皮化学试验六价铬含量的测定GB/T22808—2008皮革和毛皮化学试验五氯苯酚含量的测定GB/T22930—2008皮革和毛皮化学试验重金属含量的测定GB/T22932—2008皮革和毛皮化学试验有机锡化合物的测定QB/T2724—2005皮革化学试验pH值的测定QB/T2725—2005皮革气味的测定3术语和定义下列术语和定义适用于本标准。3.1皮革leather以动物皮为原料,经过一系列化学处理和机械加工制成的具有使用性能的产品。3.2合成革syntheticleather以织物为底基,经浸渍聚氨酯树脂,再经干法涂覆或经后处理加工制成的、具有类似于皮革结构和物理力学性能的产品。3.3挥发性有机化合物volatileorganiccompounds用气相色谱非极性柱分析,保留时间在正己烷和正十六烷之间,并包括它们在内的已知和未知的挥发性有机化合物。4产品分类产品按最终用途分为以下三类:A类:婴幼儿用品,供年龄在36个月及以下婴幼儿使用。B类:直接接触皮肤用品,在穿着或使用时,其表面的大部分面积与人体皮肤直接接触。C类:非直接接触皮肤用品,在穿着或使用时,不直接接触皮肤或其表面的小部分面积与人体皮肤直接接触。HJ507—200925基本要求5.1产品质量应符合各自质量标准的要求。5.2产品生产企业污染物排放应符合国家或地方规定的污染物排放标准的要求。5.3产品生产企业在生产过程中应注重加强清洁生产工作。6技术内容6.1产品中有害物质限值应符合表1要求。表1产品中有害物质限值项目分类A类B类C类pH3.5~7.53.5~9.0pH稀释差≤0.7(pH<4.0时检测此项)游离甲醛/(mg/kg)≤20.0≤75.0≤150.0可萃取的重金属/(mg/kg)六价铬(Cr6+)≤5.0镉(Cd)≤0.1汞(Hg)≤0.02锑(Sb)≤30.0铅(Pb)≤0.2≤0.8砷(As)≤0.2≤1.0镍(Ni)≤1.0≤4.0钴(Co)≤1.0≤4.0铜(Cu)≤25.0≤50.0含氯苯酚/(mg/kg)五氯苯酚(PCP)≤0.05≤0.5四氯苯酚(TeCP)≤0.05≤0.5邻苯基苯酚(OPP)/(mg/...

1、当您付费下载文档后,您只拥有了使用权限,并不意味着购买了版权,文档只能用于自身使用,不得用于其他商业用途(如 [转卖]进行直接盈利或[编辑后售卖]进行间接盈利)。
2、本站所有内容均由合作方或网友上传,本站不对文档的完整性、权威性及其观点立场正确性做任何保证或承诺!文档内容仅供研究参考,付费前请自行鉴别。
3、如文档内容存在违规,或者侵犯商业秘密、侵犯著作权等,请点击“违规举报”。

碎片内容

蜗牛文库的最新文档

二年级数学下册其中检测卷二年级数学下册其中检测卷附答案#期中测试卷.pdf
10.00金币
0下载
二年级数学下册期末质检卷(苏教版)二年级数学下册期末质检卷(苏教版)#期末复习 #期末测试卷 #二年级数学 #二年级数学下册#关注我持续更新小学知识.pdf
10.00金币
0下载
二年级数学下册期末混合运算专项练习二年级数学下册期末混合运算专项练习#二年级#二年级数学下册#关注我持续更新小学知识 #知识分享 #家长收藏孩子受益.pdf
10.00金币
1下载
二年级数学下册年月日三类周期问题解题方法二年级数学下册年月日三类周期问题解题方法#二年级#二年级数学下册#知识分享 #关注我持续更新小学知识 #家长收藏孩子受益.pdf
10.00金币
0下载
二年级数学下册解决问题专项训练二年级数学下册解决问题专项训练#专项训练#解决问题#二年级#二年级数学下册#知识分享.pdf
10.00金币
1下载
二年级数学下册还原问题二年级数学下册还原问题#二年级#二年级数学#关注我持续更新小学知识 #知识分享 #家长收藏孩子受益.pdf
10.00金币
1下载
二年级数学下册第六单元考试卷家长打印出来给孩子测试测试争取拿到高分!#小学二年级试卷分享 #二年级第六单考试数学 #第六单考试#二年级数学下册.pdf
10.00金币
0下载
二年级数学下册必背顺口溜口诀汇总二年级数学下册必背顺口溜口诀汇总#二年级#二年级数学下册 #知识分享 #家长收藏孩子受益 #关注我持续更新小学知识.pdf
10.00金币
0下载
二年级数学下册《重点难点思维题》两大问题解决技巧和方法巧算星期几解决周期问题还原问题强化思维训练老师精心整理家长可以打印出来给孩子练习#家长收藏孩子受益 #学霸秘籍 #思维训练 #二年级 #知识点总结.pdf
10.00金币
0下载
二年级数学下册 必背公式大全寒假提前背一背开学更轻松#二年级 #二年级数学 #二年级数学下册 #寒假充电计划 #公式.pdf
10.00金币
0下载
蜗牛文库+ 关注
实名认证
内容提供者

提供各种专业文档内容

确认删除?
QQ
  • QQ点击这里给我发消息
微信客服
  • 微信客服
回到顶部